有的晶体三极管在它的参数表中没有列出K\(_{P}\)的数值,此种晶体管就没有功率增益吗?
晶体三极管都具有功率放大的能力,因此都有功率增益K\(_{P}\)(新符号为Gp)。有的晶体管的K\(_{p}\)数值可从参数表中查到,但也有些管子的Kp值在参数表中没有列出,如果直接进行测量的话,就要对测量仪器进行调谐、调配、测量速度较慢,这对大批量生产和实现自动化测试都是不利的。此时我们可以利用参数表中其他已知参数通过有关公式计算后得到K\(_{P}\)数值。下面举例来说明。
型号 LTF-3-2
电感量值(μH) 175±10
空载Q值
测试频率(KHz) 795
配用双连电容(pF) 250/290
绕组线径(mm) φ0.08
螺纹磁帽尺寸(mm) M8
“I”形磁芯尺寸
(mm) φ4
产品外形尺寸(mm) 12×12×16(高)
应 用 举 例 上海牌312型
上海广播器
材厂产品
①3AG11~14等晶体管,在它们的参数表中没有列出K\(_{p}\)数值,但已列出最高振荡频率fM,则可按下列公式K\(_{p}\)=101g(fMf)\(^{2}\)计算。式中的f为工作频率。
②没有列出K\(_{p}\),也没有列出fM,但列出了f\(_{T}\)、Cob及r\(_{bb}\)′,则可按下列公式Kp=101g\(\frac{f}{_{T}}\)8πrbb′C\(_{ob}\)f\(^{2}\)计算。式中Cob为共基极输出电容,单位是法拉。r\(_{bb}\)′为基区扩展电阻(基区本征电阻),单位是欧姆。
③低频管是很少列有K\(_{p}\)的,如果知道了电流放大系数β、输出电阻Ro和输入电阻R\(_{i}\)则可按下式计算:Kp=101gβ\(^{2}\)\(\frac{R}{_{o}}\)Ri。
通过上述公式计算出K\(_{p}\)单位均为分贝(dB)。(曾培基)
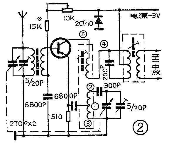
常见的中振线圈一般都有五个引出端,而LTF-3-2中振线圈只有四个引出端,如何把它接入电路中?
常见的中频振荡线圈都有两个绕组构成,如图1所示为常见的LTF-2-3中振线圈的接线图。它有五个引出端,分别与变频电路中的晶体管的发射极、集电极以及双连、接地、中频变压器相连,如图2所示。但有一种LTF-3-2中振线圈比较特殊,它只有一组绕组,采用自感抽头式,见图3所示使用LTF-3-2线圈的收音机电路中,变频管的集电极是通过一个33欧姆的电阻,再经过中频变压器、振荡线圈5、3、2后接到电源上,如图4所示。因此LTF-3-2中振线圈上就可少一个接集电极的引出端。另要注意这种振荡线圈要求配250/290微微法的差容双连。(耿森亮)



