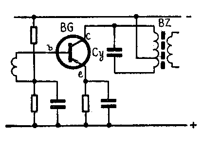
(1)小徐装了一台袖珍超外差式收音机,每收听到一个电台时都伴随着尖叫声,很令人讨厌。他调换了晶体管和其它一些零件,都没有多大改善,可是当他把第二中放的中周调谐瓷片电容C\(_{y}\)(见左图)转个身,故障就消失了。小徐感到很奇怪,你能帮他解释这个现象吗?

(2)用万用表测量二极管的正向电阻时,选用的电阻档不同,测出的阻值相差很大,量程越大,测出的阻值越高。例如用MF30型万用表测2CPll,所得结果如下。
所选电阻档 ×1 ×10 ×100 ×1K
正向电阻 31Ω 210Ω 1.1K 11.5K
请你想一想,这是为什么?
想想看答案
(1)瓷片电容器是以瓷片为介质,瓷片两面的薄金属层为电容器的两个极板而形成的。由于金属层的面积较大,故易与其它零件、导线等形成寄生电容。小徐的收音机电路没有问题,但他在组装时把C\(_{y}\)与中放管集电极相接的那一个端面靠近了管子的基极,因此使管子的集电极与基极之间的寄生电容增大,中频产生自激,收音机发生伴随电台的尖叫声。把Cy的瓷片扭转180°(C\(_{y}\)两腿扭一个麻花)以后,就使Cy和管子集电极相连的那一面背离了基极,从而减小了集电极和基极间的寄生电容,使故障消除。由此可见,瓷片电容并不是可以随便安装的,尤其是在元件安装密度较大时,更应注意避免可能形成的寄生干扰。(王德源)
(2)因为二极管的伏安特性曲线是非线性的,即加在二极管两端的正向电压和流过它的电流的比值不是一个常数,如图1所示。图1中当工作点越过A点以后,电压稍有变化,电流的变化就会很大,因此电压和电流的比值即二极管的正向电阻变化很大。例如在A、B、C三个不同的工作点上,二极管的正向电阻分别为R\(_{1}\)=V1/i\(_{1}\);R2=V\(_{2}\)/i2;R\(_{3}\)=V3/i\(_{3}\)。显然,R3《R\(_{2}\)《R1。

用万用表电阻档测二极管正向电阻的电路如图2所示。图中E为万用表内的电池,R\(_{i}\)为万用表内阻。电阻档不同, 其内阻也不同,因此用不同的电阻档测量二极管时,流过测量回路的电流I(即流过二极管的电流)相差很大,这就使二极管处在不同的工作点上,因此二极管正向电阻差别很大,越是高阻挡,其内阻越大,测量回路电流越小,因此测出的阻值越大。(朱延盛)
