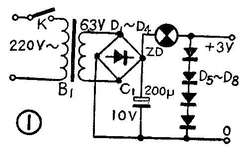
我们自制了一个3伏简易稳压电源,是配在SHARP EL-210型(日本产)袖珍计算器上用的,也可以用于工作电压为3伏的其他类型计算器。
电路见图1,图中B\(_{1}\)用经济小灯变压器220V/6.3V,ZD用XZ6.3—0.15小型灯泡或WZ6.3—0.12微型灯泡,它一方面作为稳压电阻,另方面可作指示灯用以指示电路工作是否正常。D1~D\(_{8}\)用2CP10或其它型号的硅整流二极管。K用KNX-2WID型小型钮子开关。

电路的调整很简单,将输出端开路,测量流经D\(_{5}\)~D8的稳压电流为90~100mA,稳压器就可正常工作。滤波电容器C\(_{1}\)容量越大,稳压电流也越大。如果电源变压器B1次级交流电压稍高(例如为7伏),则D\(_{5}\)~D8采用2CP21型二极管。由于各个二极管正向压降略有差异,选择合适的D\(_{5}\)~D8,可以达到我们需要的输出电压。
电源输出用插头如采用国产耳塞插头,不能和该型计算器的电源插座配接,可参照图3稍加改装。图2为计算器电源及开关接线图,图3为实物示意图。小心打开电源插座和开关组装的塑料小盒盖板,取出接计算器电路负极的簧片,将三角形弯头重新弯一下,位置如图3实线所示,图中虚线表示原来形状,用小刀刮去簧片弯头内塑料的有妨碍的部分,调节簧片与定点电接点的压力,然后剪一小段直径1.5mm的圆铜线放入正极簧片弯头处,就可以接插使用了。 (许遵丰)

