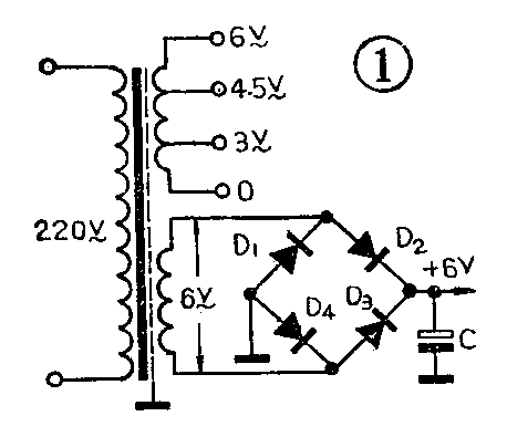
为配合大家装制本期介绍的优质集成电路台式收音机,现介绍一种简易桥式整流电路。该整流器制做十分简单,如图1。经实验,使用500μF滤波电容时交流声很小。四只二极管使用3AX31(或3AX81)的发射结,整流电流可达125毫安。滤波电容C可选用耐压大于6伏,容量为500μF的电解电容。变压器次级有两个绕组。不带抽头的一组可做上文介绍的集成电路台式收音机整流电源。带抽头的一组可有多种用途:接入充电电路可为干电池充电;接入稳压电路可做稳压电源使用。变压器次级两绕组串联可输出12伏250毫安;次级并联可输出6伏500毫安。这两种电压对业余爱好者进行无线电制作实验来说是经常用到的。整流器印刷电路板(见图2)的制做方法可参考本刊80年第12期31页。(曹修缔)

