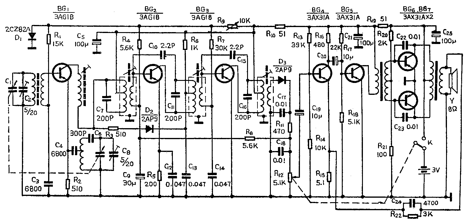
红灯753型晶体管收音机是一种较受欢迎的小型台式机,不少顾客买了这台机器。为了方便修理工作,这里介绍一下它的电路特点和维修方法。电路可参看附图。

电路特点
该机使用两节一号干电池供电,由于电源电压较低,为了保证整机的性能,设计时采取了如下措施。
1.供电电路使用两级Ⅱ型滤波器。功放级BG\(_{6}\)、BG7与前置级BG\(_{4}\)、激励级BG5之间的直流供电电路由 C\(_{25}\)、R19、C\(_{21}\)组成的Ⅱ型滤波器隔开。检波前各级和检波后各级的直流供电由C21、R\(_{1}\)0、C5组成的Ⅱ型滤波器隔开。这就防止了由于公共电源内阻产生寄生反馈而引起的寄生振荡,从而提高了整机的稳定性。
2.变频级和中放级的基极采用稳压措施。如图中D\(_{1}\)选用2CZ82A硅二极管,接成正向偏置,由R9限流。二极管导通时,管子两端的电压基本不变,即使电源电压有很大的跌落, D\(_{1}\)两端的电压始终保持在0.6伏左右。所以本振(变频)和中放级的直流工作点是稳定的。
3.从电路图中可见BG\(_{3}\)、BG5、BG\(_{6}\)、BG7的发射极直接接地。这样,二中放,激励级及功放级的增益提高了,并且线性放大范围,减少了信号的失真。
4.采用初级阻抗较低的音频变压器(见表1),提高了激励级和功放级集电极直流工作电压,获得较大不失真输出功率。

此外,电路还采用了MX—400—φ10×160毫米磁棒,天线线圈分四段绕制,增加了回路Q值,从而提高了选择性。本机采用两级中放。低频部分有前置和激励级,因此整机有足够的总增益。另外,本机设有由R\(_{3}\)、D2、R\(_{6}\)和C13组成的二次自动增益控制电路,有效地防止了接收强信号电台时产生的阻塞失真。
故障修理
该机常见的故障有以下几种:
1.啸叫:故障现象是调谐时,整个度盘均有啸叫声,电台两侧叫声尤甚,调准电台时声音失真。产生故障的原因多数是由于代替稳压管D\(_{1}\)(2CZ82A)的正向电阻变大或开路。正常情况下D1负极对地电压为负0.6伏。当D\(_{1}\)失效时,D1负极对地电压变为负1~1.5伏。因变频级和中放级的直流工作点增高了,使得增益过高引起自激。解决办法是更换D\(_{1}\)。如一时没有相同的管子,可以用普通硅二极管代替,也可用3DG类小功率硅三极管的一个PN结代替。产生啸叫的原因有时也因为自动增益控制电路的电容C9容量减退或开路造成。因C\(_{9}\)减低或失去了旁路的作用,使得检波后的残余中频成分返回BG2基极,从而引起自激。故障现象与上述相似,但C\(_{9}\)失效时,由于第一中周次级加到BG2的中频信号减弱,所以整机灵敏度降低。这是这两种故障的主要区别。
2.无声,造成无声现象多是由于本机振荡停振所致。此时中放、检波、低放各级均工作正常。故障原因多是由于本振回路垫衬电容C\(_{6}\)内部接触不良造成的。表现为度盘低端收不到电台,中、高端虽然能收到台但指针偏低。用烙铁将云母电容C6的弯脚处烫一下,往往可暂时恢复正常。解决的方法是更换C\(_{6}\)。
除此之外若整个度盘均收不到电台,则有可能是LTF—2—3质量不佳或变频管BG\(_{1}\)质量不好而致。当更换新的线圈之后要重新校准刻度和统调,以保证整机的选择性和灵敏度。
3.失真 失真的原因多是BG\(_{6}\)或BG7漏电流变大或击穿。也可能输入变压器次级或输出变压器初级半边开路变压器内部开路应重绕或更换。
修理该机时应注意的是:更换中频变压器时要看清新换的中频变压器是否内附谐振电容(C\(_{7}\)、Cll、C\(_{16}\))如内附电容则应将原电路板上的谐振电容拆除,否则无法调谐,整机灵敏度将极低。
表二 是各级静态工作点,供修理时参考。(林伟武)
表2
BG BG\(_{1}\) BG2 BG\(_{3}\) BG4 BG\(_{5}\) G6、BG\(_{7}\)
c -2.2~-2.5V -2.0~-2.3V -2.25~-2.5V -0.6~-1.6V -2.1~-2.5V -3V
b -0.3~-0.4V -0.2~-0.3V -0.25~-0.3V -0.12~-0.18V -0.12~-0.18V -0.1V
e -0.2~-0.3V -0.04~-0.1V 0 0 0 0
电 流 0.4~0.6mA 0.2~0.5mA 0.4~0.7mA 2~3mA 5~8mA 1~3mA