(上海半导体器件十六厂 徐治邦)本文介绍SL315和SL34收音机集成电路。用这两块集成电路可以组成一部优质小台式收音机。其特点是灵敏度高,稳定性好,频响宽,音质优美,声音响亮,装配、调试十分简单,低频部分几乎无需调整,高、中频部分只要调一下中周和三点跟踪便可得到较好效果。
线路原理


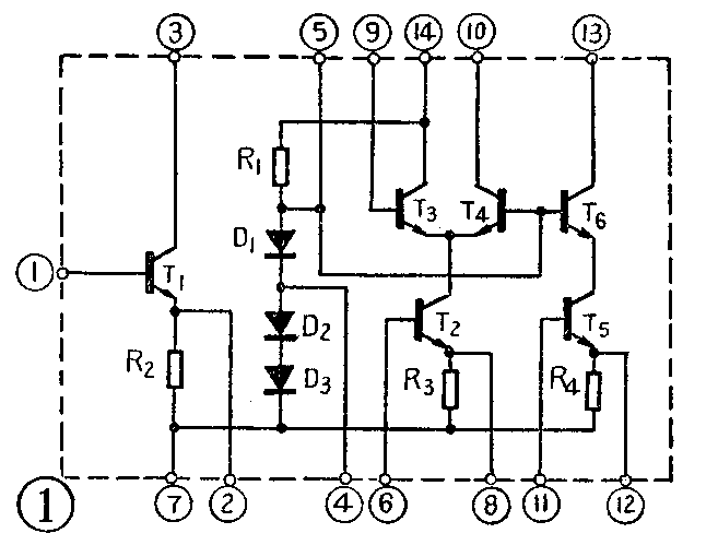
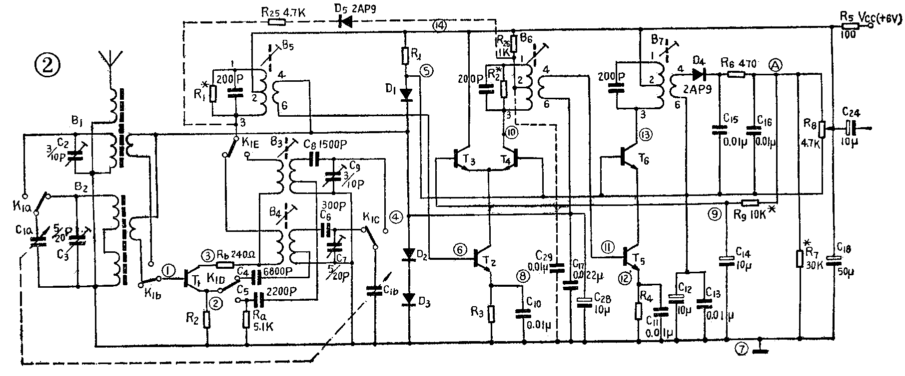
SL315的内电路如图1所示,电原理图如图2所示。R\(_{1}\),D1,D\(_{2}\),D3构成内部稳压源。外电源V通过R\(_{1}\)对D1,D\(_{2}\),D3供电,当V\(_{cc}\)=6伏时,每个二极管的正向压降约为0.7伏。集成块的④脚通过天线输入回路及中周次级线圈向T1、T\(_{2}\)、T5的基极提供1.4伏稳定电压;⑤脚向T\(_{4}\)、T6提供2.1伏的偏置电压。由于集成块内部设置了稳压器,从而使T\(_{1}\)、T2、T\(_{5}\)的静态电流十分稳定。当外电源从6伏下降到3伏时收音机仍能正常工作。从图2可见,T1起本振和变频的作用,它与一般分立元件收音机的第一级相似。变频后的中频信号经B\(_{5}\)的次级送入T2的基极,由T\(_{2}\)、T4组成的共射—共基级联放大器进行第一次中频放大。T\(_{2}\)发射极接0.01μF的电容,这个电容对465千赫的中频信号相当于短路。被T2放大了的电流从T\(_{2}\)集电极输出给T3、T\(_{4}\)的发射极。T3和T\(_{4}\)的基极都接有容量很大的电容(C14和C\(_{12}\)、C13),这两个电容对中频信号阻抗均很小,可看作T\(_{3}\)、T4的基极交流接地。也就是说T\(_{3}\)、T4为共基接法。T\(_{2}\)集电极电流(包括直流和交流)的一部分从T4的发射极输入,经放大再从T\(_{4}\)的集电极输出,并在B6初级建立起中频电压,耦合到次级送给T\(_{5}\)基极。T2与T\(_{4}\)的这种接法是典型的共射—共基接法。这种电路的主要优点是:既比一般单管放大电路的增益高而且工作状态又十分稳定(不用加中和电容也不会自激)。大家知道,级联放大器的增益为两个放大器的电压增益乘积。设共射电路的增益为k1,共基电路的增益为k\(_{2}\),则共射—共基电路的增益为k=k1×k\(_{2}\)。显然比一般收音机单级共射电路的中放增益高。这有利于提高收音机的总增益,使灵敏度提高。其次,一般收音机用共射中放电路,当晶体管β值选择过高,或装调不当时,易出现自激现象。这往往和晶体管基极—集电极电容Cbc的内部反馈作用有关。一个单级共射放大器的增益过高时,被它放大后的信号经过C\(_{bc}\)的耦合再反馈到输入端,当在某些频率上的反馈信号与原输入信号相位移达到或接近360°,而且反馈信号又有一定强度时,便会产生自激振荡。而在共射—共基电路中,由于共基电路的输入阻抗低(也即前级共射电路的负载阻抗低),被此两级放大后的输出信号先经过共基级的集电极—发射极电容Cce(C\(_{ce}\)很小)耦合到共基级输入端,在共射电路的低阻抗负载上引起较弱的反馈电压,然后再经过共射级的Cbc电容反馈到共射级的输入端(见图3),反馈量极小,难于满足自激的条件,故工作十分稳定。第二中放级由T\(_{5}\)、T6组成,可以看出也是共射—共基电路。由于SL315内部设置了两级共射—共基中放电路,所以用它装成的收音机中波灵敏度可达0.5毫伏/米;短波灵敏度可达150微伏。SL315内部的自动增益控制(AGC)电路独具一格。从图2看到T\(_{3}\)、T4构成差分放大器,其发射极电流共同流入T\(_{2}\)集电极。如果T3、T\(_{4}\)的基极电位相同,则从T3、T\(_{4}\)流出的电流均为\(\frac{1}{2}\)(Ic2+i\(_{c2}\))。这里Ic2是T\(_{2}\)的静态工作电流;ic2是T\(_{2}\)的交流工作电流。控制T3、T\(_{4}\)基极的电位差,就可控制两只管的电流分配关系。很小的电位差ΔV的变化可以得到很大的电流变化。在无信号时,T3,T\(_{4}\)基极偏压是不同的。T4的基极偏压直接来源于R\(_{1}\)、D1、D\(_{2}\)、D3串联而成的稳压电路,为2.1伏。而T\(_{3}\)的基极偏压则来自于R9电阻左端⑨点。从⑤至⑨的电路中串联有中周线圈次级、检波二极管2AP9、R\(_{6}\)和R9,另有R\(_{7}\)从并接到地。T3基极偏压的供电电流是从⑤点流向⑨点,经2AP9正向电阻及R\(_{6}\)与R7的分压作用,使得⑨点电压比⑤点的2.1伏降低0.1~0.15伏。因此,无信号时T\(_{4}\)基极电压较T3基极电压高。如图4所示,(I\(_{c2}\)+ic2)的绝大部分都流入T\(_{4}\),所以有最大的放大量。当有信号输入时,由于二极管的检波作用,附加了一个直流电压,使得⑨点电压大于⑤点,这样一来(Ic2+i\(_{c2}\))的绝大部分流入了T3,使得T\(_{2}\)、T4组成的第一中放级增益下降。从而达到了AGC作用,改变R\(_{9}\)的大小,可以调节AGC控制的强弱。以上AGC作用约达30dB。若欲进一步提高AGC特性,可按图虚线另加R25、R\(_{26}\)、D5、C\(_{29}\)组成的二次AGC电路。这几个元件在印刷板图上没有画出,读者认为需要时,可以自行增添。


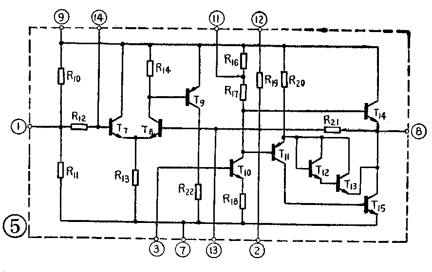
SL34是OTL功率放大器,内电路如图5所示,电原理图如图6所示。在6伏电源电压下这个功率块可输出不失真功率300毫瓦。大家知道,OTL功率放大器的电源电压利用率低,尤其硅管的正向压降及饱和压降严重限制其功率输出。但是如果采取一些措施(如后面叙述的自举电路),这个缺点是可以弥补的。这样其外部线路简单,频响宽,失真度小等优点便可以大大显示出来。


从图6可见,SL34具有三级电压放大器,一级功率放大器,各级之间全部采用直接耦合。第一级电压放大由T\(_{7}\)、T8构成的差分放大器来完成。差分放大器处于双端输入,单端输出的工作状态。可以把它看作共集—共基组态放大器。T\(_{7}\)构成共集电路(射随器)。它具有输入阻抗高的优点,便于与前级电路连接。T8的基极直流偏置来自于反馈电阻R\(_{21}\)。而其交流偏置是通过R15(100Ω)及大电容C\(_{2}\)0接地的。所以,是略有交流负反馈的共基极组态。大家知道,共基电路输入阻抗低,电压增益一般。因此,T7、T\(_{8}\)差分放大器的总增益约为十几分贝,比一般共射电路小。但它工作十分稳定。双端输入工作可用来控制OTL输出级的中点电压,使其保持在\(\frac{1}{2}\)VCC。控制作用的原理如下:首先看T\(_{7}\)的基极偏压是通过两个阻值相等的R10,R\(_{11}\)分压电路保持为1;2VCC的。T\(_{8}\)的基极偏压则是通过R21把OTL输出级中点⑧的直流电压V\(_{0}\) 全部反馈过来(因R15下接C\(_{2}\)0,故此支路无直流分压作用,而只起交流分压作用),也即T8的基极偏压就是V\(_{0}\)。若OTL放大器上下两半边电路出现静态不平衡,导致V0≠\(\frac{1}{2}\)V\(_{CC}\),例如V0>1;2V\(_{CC}\),则出现T8管的集电极电流增大,电位下降,经T\(_{9}\)的直流放大作用,将导致③点的电位升高,又经T10的直流放大作用,迫使②点电位下降,依此类推,经过T\(_{11}\),T15的直流放大作用最终迫使⑧点电位下降,使得V\(_{0}\) 复又等于\(\frac{1}{2}\)VCC。紧接差分放大器的第二级电压放大由T\(_{9}\)管完成。这里采用PNP管,是为实现直接耦合及解决直流偏置电压问题所必须的。第三级电压放大由NPN管T10完成。以下T\(_{ll}\)、T14、T\(_{15}\)构成准互补OTL输出。T10的输出信号分为两路,一路直接注入功放管T\(_{14}\)的基极,另一路先注入倒相级Tll的基极,从T\(_{ll}\)的集电极输出一个与输入信号相位相差180°的信号,注入到功放管T15的基极。这样,信号正半周时, T\(_{14}\)导通,Tll、T\(_{15}\)截止;负半周时Tll、T\(_{15}\)导通,T14截止,从而使T\(_{14}\)、T15处于准互补推挽功率放大状态。所以能有这种交替导通与截止的工作状态,且使两个共集组态的功放管T\(_{14}\)、T15处于甲乙类工作状态,是由T\(_{11}\)、T14、T\(_{15}\)的直流偏置设计所决定的。此三管的静态直流偏置均为微导通状态,直流通路一路从电源VCC经R\(_{2}\)0、T11的EB极PN结至T\(_{14}\)的BE极PN结到中点⑧,另一路从R20、T\(_{12}\)的BE极PN结、T13的BE极PN结到中点⑧。从第一个直流通路可见,欲使T\(_{ll}\),T14处于微导通状态,就要求T\(_{ll}\)发射极与中点⑧之间的电位差略高于T11,T\(_{14}\)两个PN结上的电压降。因此,控制T11发射极至中点⑧之间的电位差就可以控制T\(_{11}\)、T14的导通状态。T\(_{12}\)、T13的作用就是控制此电位差。注意,在R\(_{2}\)0、T12、T\(_{13}\)至中点⑧这第二条直流通路中也有着两个PN结。调整R20阻值,可以控制二个通路的直流电流,从而可以控制T\(_{ll}\)、T14的静态工作点。因为T\(_{15}\)实际上与T11是接成复合管工作, 所以其工作状态与T\(_{11}\)是一致的。这三级电压放大及一级推挽功率放大总增益达30dB以上。大家知道,为减小输出信号的失真, OTL电路普遍采用深度负反馈的办法。R21及外接电阻R\(_{15}\)构成分压式反馈电路、R15通过大电容C\(_{2}\)0接地,C20对交流信号可视为短路。所以中点⑧的音频信号经过分压比为R\(_{15}\)/R21的反馈量回馈到T\(_{8}\)基极。此R21/R\(_{15}\)的比值即决定了放大器总的闭环增益。R15可取100Ω左右。
另外,为了克服T\(_{14}\)正向压降及R16、R\(_{17}\)的压降对输出最高幅度的限制,可对SL34加自举电路。自举由C26、R\(_{16}\)完成。静态时C26的正极电位接近于电源电压V\(_{CC}\);负极电位为\(\frac{1}{2}\)VCC。当T\(_{14}\)导通时,中点⑧输出交流信号的正半周,这时C26负极的电位为1;2V\(_{CC}\)与这个交流电压的和。这就使点电位高于外电源VCC。由于自举电路的作用,理想情况下,输出端交流振幅可达到V\(_{CC}\)。图中②③点之间外接电容C21是为了防止放大器自激的。因为SL34有三级电压放大,为使工作稳定,通过C\(_{21}\)进行一定的相位补偿。图中C21取150PF,实际上可在100~300PF之间选取。C\(_{23}\)也是为防止高频自激而加的,可在0.1~0.47μF之间选取。R23、R\(_{24}\)、C25构成音调调节网络。用来提升低音削弱高音。其中的音调调节电位器R\(_{24}\)在印刷电路板上没有画出,读者需要时可另加。
制作
图7、图8是SL315和SL34外部元件接线图。图9是印刷电路板图,按图施工,焊接无误,通电就可以收到本地电台。只需调整中周和三点跟踪就可以达到满意效果。焊接时应注意:集成块焊入电路时切勿装反。图10是SL315和SL34的外型图。数管脚的方法是面对有印章的一面,此时左端面应有一个记号,按图10数。集成块要与印刷板图的管脚号对应。焊在走线一面,并且印章朝里。如果装反,集成块就会烧毁。此外,SL34的⑧脚不可与外加电压V\(_{CC}\)或地短路,否则也易烧毁。外接扬声器应选用大于4欧姆的。图2中的R1,R\(_{2}\)是防止中频自激的阻尼电阻,如果电路不自激,可以不加。R1、R\(_{2}\),对提高灵敏度有利。R1取100~150千欧;R\(_{2}\)取150~200千欧。如有停振现象可在SL315②脚到地之间加一个1.5~5千欧的电阻试试。如仍不振,就应检查外部元件的质量了。图2中Rb、C\(_{28}\)也是为防止自激振荡而加的,如无自激可不用。Ra是为短波段易起振而加的,如短波振荡不弱也可不用。中频变压器可选用市售任何一种型号的产品。振荡线圈和天线线圈可选用配2×270PF或2×360pF双连的产品。该电路板是按上海彭镇公社彭五无线电元件厂的中周、线圈尺寸腐蚀的,应配2×360pF双连。线圈接法参阅图11。表1表2是静态工作状态,供安装时参考。





V=6V
管脚 1 2 3 4 5 6 7 8 9 10 11 12 13 14
SL34 电压(V) ~3V 3.7 0.8 - - - 0 3 6 - 6 - 3 3
管脚 1 2 3 4 5 6 7 8 9 10 11 12 13 14
SL315 电压(V) 1.4 0.7 6 1.4 2.1 1.4 0 0.7 ~2 6 1.4 0.7 6 6
电流(mA) - - 0.2~0.6 - - - - - - 0.5~1.5 - - 0.6~1.8 -
本文介绍的集成电路收音机如与下文介绍的整流电源配用,可以组成一部完整的台式机。特别适于有交流电的农村使用并可邮购部分另件。