半波整流
前面已经讲过,在图1电路中接入一个半导体二极管后,只有在交流正半周时,二极管才导通,因而我们叫这种电路为半波整流电路。半波整流输出的波形呈脉动状,输出的脉动电流中含有不少交流成分,除了能用来给蓄电池充电或用于电镀供电外,一般不能用于像收音机、电视机、录音机这样的电气设备,否则将引入很大的电源干扰。

若变压器次级交流电压的有效值为E,对于电阻性负载来说,整流输出电压的平均值V=0.45E,效率也是比较低的。
如果在输出端并接一个大电容C(图2a),情况就不一样了。当交流正半周到来时,二极管正向导通,整流电流有一路I\(_{B}\)通过负载R,另一路Ic给电容C充电。充电到峰值电压\(\sqrt{2}\)E时,二极管正极电位开始低于负极电位,二极管反向截止,电容C通过负载R放电。当电容C放电到A点电压时,二极管正极电位开始高于负极电位,于是二极管又正向导通,电容C又被充电(当然还有一路IR通过负载R),如此反复循环,得到输出波形如图2b所示,图中虚线半波波形为不加电容C时的整流输出电压波形,而实线波形是加了电容C以后的整流输出电压波形。显然,由于电容C的充放电作用,输出电压的脉动程度得到很大的改善,这个电容叫做滤波电容。整流输出电压一般可按V=E估算。

在选用二极管时要注意:不加滤波电容时二极管在电源负半周截止时,所承受的最大反向电压是\(\sqrt{2}\)E,而加了滤波电容以后,二极管所承受的最大反向电压是22E(图3)。

实际应用时,我们感到半波整流的输出不够平稳,交流成分太多,因而需要采用更好的整流方式。
全波整流
图4a所示为全波整流电路,它与图2半波整流电路相比,多了一个二极管,变压器次级多了一个绕组。当次级A正、B负时,二极管D\(_{1}\)加上正向电压而导通,整流电流ID1通过负载R;而二极管D\(_{2}\)却加上了反向电压而截止,由于D1导通时管压降很小(硅二极管约0.6伏,锗二极管约0.3伏),可以近似认为D\(_{2}\)管所加反向电压是A、B点间的电压,即D2管承受的最大反向电压为2\(\sqrt{2}\)E。当下一个半周来到时,A负、B正,二极管D\(_{2}\)正向导通,D1反向截止而承受最大反向电压22E,这时有整流电流I\(_{D2}\)通过负载R(虚线所示方向)。这样,当电源正、负半周变化时,二极管D1、D\(_{2}\)轮流导通,负载R上总有同一方向电流通过。从图4a所示全波整流的输出波形来看,其输出电压应是半波整流的二倍,即V=2×0.45E=0.9E。

同样,若在全波整流电路的输出端接入滤波电容C,可得到如图4b所示的充放电曲线。显然,要比半波整流的平滑多了,其输出电压一般可按V=1.2E估算。
桥式整流
图5a中四只二极管接成一个电桥的形式,叫做桥式整流电路。当A端正、B端负时(图5b),二极管D\(_{1}\)、D3正向导通,D\(_{2}\)、D4反向截止,由于D\(_{1}\)、D3导通时管压降很小,可以近似认为截止管D\(_{2}\)、D4承受的反向电压就是A、B点间的电压,即\(\sqrt{2}\)E;当A负B正时,二极管D\(_{2}\)、D4正向导通,D\(_{1}\)、D3截止,整流电流的方向如图5c。由此可见,桥式整流的输出电压与全波整流完全相同,即V=0.9E。当在电路输出端接入滤波电容C后,也有与全波整流时同样的充放电曲线,它的整流输出电压也可按V=1.2E估算。

桥式整流的优点是:整流效率高、输出脉动小、二极管承受反向电压小,但所用二极管的数量要多两个。
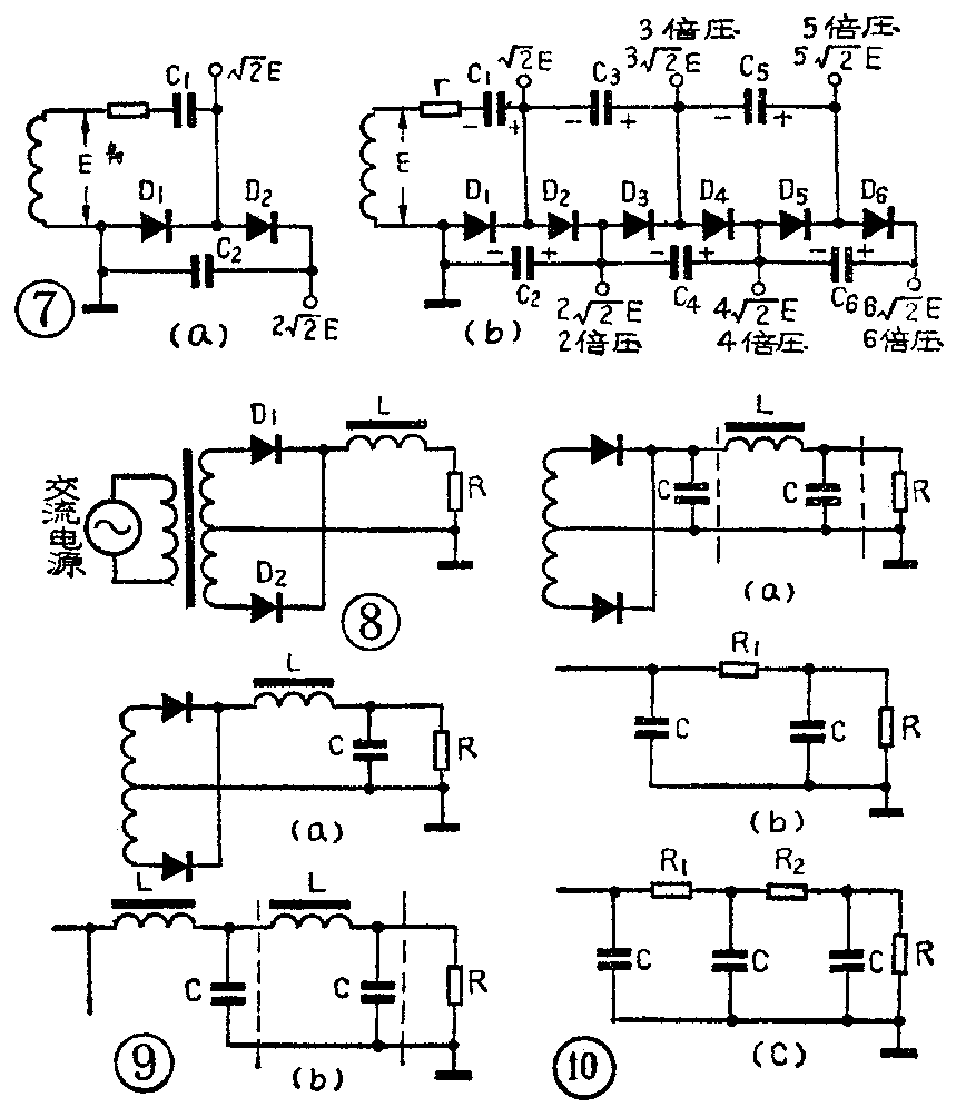
倍压整流
在实际应用中,有时需要高电压(几千伏或几万伏)、小电流供电,例如电视机中显象管的第二阳极,这时可以采用信压整流电路,如图6a所示。它的工作原理可用图6b和图6c说明。当A端为负、B端为正时(图6b),二极管D\(_{1}\)导通,有整流电流向C1充电,充电电压峰值为\(\sqrt{2}\)E,极性如图;当A正、B负时(图6c),D\(_{1}\)截止,变压器次级电压与电容C1上的充电电压串联叠加,加到D\(_{2}\)上的电压为变压器次级电压的两倍,22E,D2 正向导通,C\(_{2}\)被充电,充电电压峰值为2\(\sqrt{2}\)E。当然这时截止的D1管所承受的最大反压就是22E。

同样,利用电容的充放电作用,可以画出任意倍压的整流电路。为作图方便,我们不妨将图6a电路改画成图7a形式,然后就可以画出三倍压、四倍压、五倍压、六倍压电路如图7b,可以看出要得到几倍压电路只需要用几个二极管和几个电容器按图示连接就可以了。不管是几倍压电路,对每一个二极管来讲,承受的最大反向电压都是2\(\sqrt{2}\)E。
图6、7中串接入的小电阻r是限流电阻,它可使充电电流控制在I\(_{充}\)=\(\sqrt{2}\)\(\frac{E}{r}\),避免充电电流太大而烧毁二极管。
滤波器
1.电容滤波器和电感滤波器。以上讲的,都是用一个大电容C并接在整流电路输出端,使输出脉动减小、输出电压平稳的电路。这种用电容器作成的滤波电路叫做电容滤波器。电容C越大,输出电压越平坦,简言之,是因为电容C的交流阻抗\(\frac{1}{ω}\)C随C增大而降低,因而可将输出端交流成分短路掉。这种电容滤波器在小电流时滤波效能较高,但不宜用在大电流负载的场合,因为负载电流越大,滤波特性将变坏。
同时,我们也想到另一种电抗元件—电感。若将一个电感串接在整流输出电路中,如图8,由于交流阻抗ωL的存在,阻止交流成分通过,而直流成分却可以畅通。这种滤波器叫做电感滤波器,一般用在大电流负载的场合。
2.Г型滤波器。电容滤波器适用于小电流负载场合,而电感滤波器则适用于大电流负载,若将两者结合起来,就是如图9a所示Г型滤波器。显然,电感L对交流成分呈现很大阻抗,因而使交流成分大部分降落在电感上,剩下的部分交流成分则又被电容C短路掉,这就使输出脉动大为减小,输出电压更为平坦。

使用中,为了使输出电压更加平坦,还可增加滤波器节数,如图9b。
3.П型滤波器。若将电容滤波器和Г型滤波器串接起来,便构成П型滤波器(图10a)。它先用电容C滤掉一部分交流成分,然后再用Г型滤波器滤除一部分交流成分,因而这种滤波器要比Г型滤波器好,被广泛地应用于要求较高的电子设备电源中。
实用中,为了减轻重量、缩小体积和降低成本,往往用适当的电阻来代管电感L,如图10b。由于电阻R\(_{1}\) 上的直流压降要比电感L上的大,将使输出电压有所降低,因而要适当提高变压器次级电压来补足,这也是这种采用电阻的П型滤波器不宜用于大电流负载场合的原因。同样,为改善滤波特性,这种滤波器也可用多级串联如图10C。(金国钧 编译)