时间是人们工作、学习、生活中最常用的基本物理量之一,特别在车站、码头、剧场、车间等场所更需要有一个准确的时钟报告时间。我们用一块第四代石英电子手表电路,配合简单的转换电路,制成大型数字式石英电子钟。其走时精度远高于一般机械时钟,且计时稳定可靠,制作方便。
本文以常州电子手表厂生产的兰陵牌五功能数字式石英电子手表电路为例,介绍制作过程。
我们知道,一般数字式石英电子钟常由振荡、分频、计数、译码、驱动、逻辑功能转换等基本电路组成,然后根据需要配上适当的显示部分。一块第四代电子手表电路就可以完成以上所有电路的功能。表内陶瓷基板上装有电路、石英晶体、微调电容、固定电容等元件,二十四个输出端送出可供液晶屏显示的交流信号。输出端所对应的笔划如图1所示。我们利用该电路改制大型数字式石英电子钟所要解决的问题,只是将电路相应输出端的信号取出,然后经适当变换使其适应显示部分的需要就可以了。

如果石英电子钟采用大型液晶屏显示,只需将手表电路的信号适当放大就可。但大型液晶屏造价较高并考虑到便于业余制作,我们采用小白炽灯排成七段笔划模拟液晶屏显示。每个数字尺寸为150×300mm。每笔划内装四只并联的小灯泡(6.3V,150mA),并使各段笔划间隔密封互不透光。考虑到光学效果,在笔划显示部分外覆刨有花纹的红色透明有机玻璃,可使笔划显示清晰,发光均匀。花纹的形状可参照自行车尾灯红光玻璃花纹的规格。
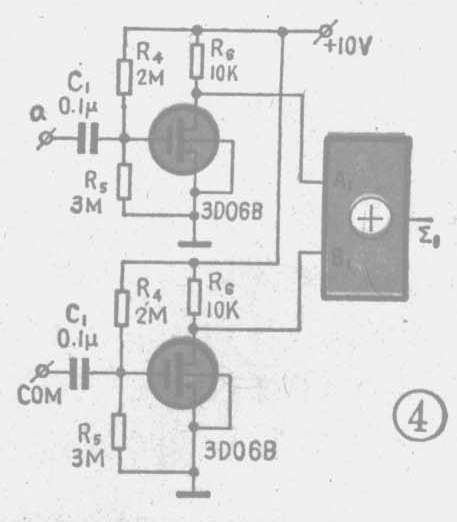
因为供液晶屏显示的信号是32Hz交流信号,公共电极COM和各笔划电极波形如图2所示。为了将此信号转换成能使白炽灯作亮暗变换的高低电平,需经异或门转换。我们采用C630A四组异或门电路(上无十四厂生产外引线排列见图3)。在A、B端分别送入笔划电极和公共电极的信号,在∑端即得正负跳变信号。∑端为高电平时笔划显示,∑端为低电平时笔划不显示。


一般电子手表电路带负载能力很小,要直接带动异或门电路工作有困难。我们在每个输出端使用MOS型场效应管作隔离级,这里采用的是3DO6B(上无十四厂生产)。图4所示为由原理图。图中只画出一个笔划电极输出端和公共电极COM端以示说明,其余输出端情况相同。

小灯泡的驱动电路可根据采用灯泡功率大小自行选择。图5为我们制作时采用的电路,供参考。

全部元器件除电源与功率驱动管外均可装在一块印刷电路板上,将手表电路安放在印制板中央,四周元器件围绕作放射状排列(图6画出一部分)。手表电路采用1.5V干电池供电,场效应管和异或门电路采用一般串联型稳压电源供给10V直流,小灯泡用的6V直流可以不用稳压电源,如果能采用稳压当然更好,这样可使灯泡点燃多或少时亮度更为一致。

该钟的另一优点是:由于手表电路采用干电池供给,因此当市电停电时也只是显示部分没有指示,待电源恢复后仍可正常显示,无需重新校对时间。我们经多次开关电源和将钟放在干扰源附近使用,未见有影响准确计时的现象发生。
装制时应注意,电子手表电路和场效应管等MOS器件很易受电击穿,因此要注意将烙铁、测试仪器包括人体等良好接地。最好采用恒温电烙铁焊接。如采用一般20W内热式烙铁,需将烙铁头磨尖,焊时迅速细心。电子手表的对时和功能转换开关S\(_{2}\)、S3可改用二只按纽开关装接到钟的外壳上,以便调整对时,校对方法详见电子手表使用说明书。
电路调试方法也很简单。待接线和元器件组装完毕后先接通1.5V干电池,用示波器观察各笔划输出端和公共电极端波形,如正常无误,可接通10V直流。观察各A、B端和∑端波形,如A、B端波形不正常,问题在隔离级,可能是3DO6B管和相关元件有问题。如A、B端波形正常,∑端应为高电平10V或低电平0V,否则说明C630A有问题。最后接通6V直流,小灯泡应组成数字。此时按动S\(_{2}\)、S3将时间对准即可正常工作。
注:第四代石英电子手表电路常州电子手表厂可以零售。(李耀祖)