随着卫星电视广播的兴起,人们自然会想到,是否能用普通的家用电视机直接收看由广播卫星发送的电视节目呢?
我们知道,目前我国一般家庭使用的电视机备有拉杆天线或室外天线,接收由地面电视台发射的调幅制(AM)信号,频率最高不过200多兆赫,属于VHF频段。一些具有UHF频段的电视机,最高接收频率也不过700~800兆赫。而由广播卫星发射的电视信号,则是频率为12千兆赫(即12GHz)的调频(FM)信号(也有采用700多兆赫的),到达地面的信号场强很微弱。要想用家用电视机收看这种电视节目,就必须在电视机的信号输入端前面,附加一种装置,它带有微波天线,能把经卫星转发的电视信号接收下来,并经过频率变换、放大和调制方式转换等一系列处理过程,将12GHz的FM信号变为VHF频段的AM信号,才能实现。这种附加装置,就称为“卫星电视广播接收机”,简称“直播接收机”。
这种接收机通常包括天线、频率变换器(叫室外部件)以及FM-AM变换器(叫室内部件),如图1所示。

卫星发射的12GHz电视信号,经天线接收下来,送到低噪声预放级(有的装置不设这一级,而采用低噪声混频器作输入级)。然后,通过变频器(包括混频、本振)将12GHz信号变为中频信号(例如70MHz),再经前置中放,放大到一定的幅度,通过射频电缆送至室内。
为了减小噪声,通常将预放级、变频器、前置中放,放在一个密封的盒子中,安装在天线背后的信号出口处。因为这部分设备放在室外,所以常把它叫做“室外部件”。因此,对它的温度稳定性要求比较高,同时在结构上也必须适合于室外环境的需要。
室内部件则主要将电缆馈送来的中频信号进行滤波、放大、限幅。再经FM解调器解调出视频信号(也称基带信号),它可以直接送往监视器,或将视频信号再经AM调制器调制成VHF—AM电视信号供给家用电视机。因此,室内部件主要包括带通滤波器、中频放大器、自动增益控制(AGC)电路、限幅器以及信号处理(如FM-AM转换器)等电路。室内部件安放在家用电视机附近。
直播接收机的电路程式可以是单变频超外差式或双变频超外差式。单变频式电路复杂程度较低,产生各种组合频率的杂散干扰信号的可能性小,噪声系数稍好些。双变频式电路的第一中频,可选得较高些,使镜象抗拒性好,输入级可做成固定调谐式,而在频率较低的第二本振上选台,这样可使选台容易,输入级也可做的简单得多。总的来看两次变频方案比较好。图2就是这种方案的系统方框图。

下面我们以单变频方案的实验系统为例,对12GHz直播接收机各部分作进一步介绍。该系统的方框图如图3所示。

接收天线
接收天线是用来捕捉在空间传播的所需信号的电波的,不同频段的天线,大不一样。对于直播接收天线的要求,除了工作频率以外,由于信号弱,还需要增益高、效率高、方向性强和具有较好的行波系数,同时希望天线的体积小,重量轻。此外,为了充分利用所分配的频段,减轻不同频道的相互干扰,常采用极化技术,即发射天线辐射的电波,所包含的电场向量和电波传播方向的平面有完全确定的取向,而接收天线只能接收与发射天线极化型式相同的电波。
在12GHz波段,一般采用具有抛物面反射器的天线。个体用户接收天线的抛物面反射器的直径约0.9~ 1米,集体用户天线的直径要大一些,约1.8~3米。直径为1米的天线,其增益约39dB。天线的馈电方式,有直接照射式的和装有副反射器的两种,均可采用,如图4。

天线抛物面反射器可用铝、纤维增强塑料加导电敷层或镶嵌丝网混合铸造,其表面光洁度要求小于1毫米(有效值)。
室外部件
室外部件包括:变频器及前置中放。
变频器
为了使直播接收机能够得到普及,不仅要求一定的灵敏度,而且要简易、小型、价格低廉。因此,往往省去预放级,采用直接变频方式,如图3。变频器将12GHz的信号变换为中频信号(频率如70MHz)。变频器包括混频器和振荡器。为了获得更低的噪声温度,目前已发展了如图5所示的立体平面电路变频器。所谓立体平面电路,就是将一平面结构的电路,立体地配置在波导中的电路。图5中是将一个经蚀刻有适当图形的薄铜片插入波导中,将波导E(电场)平面平行分为两部分,并安装了砷化镓肖特基二极管。同时在电路上又采用了镜象恢复技术以改善混频器的噪声温度(在卫星电视直播接收机中,常用噪声温度Te代替噪声系数N\(_{F}\),作为衡量系统性能指标的重要参数之一。Te与NF的关系为:N\(_{F}\)=1+(Te/To);To=290°K)。混频器与本振做在一起。这种变频器在所需频段内,能获得十分良好的噪声温度(约400°K)。该变频器不仅性能优良,而且成本低,易于大批量生产。

一般混频器的本振源通常采用耿氏二极管组成的振荡器(也叫耿氏振荡器),也有采用晶体振荡再经阶跃二极管倍频来获得本振频率的。耿氏振荡器多采用介质稳频,以改善频率稳定度。图3装置的振荡器就是用的耿氏振荡器,并经用殷钢(热膨胀系数变化极微的合金)制成的高Q质圆柱腔稳频,通过调节稳频腔活塞,进行频率微调。
振荡器和混频器用波导元件连接,调整本振注入功率,使混频器获得最佳噪声性能。
前置中放
混频出来的中频信号比较弱,需要经过低噪声的前置中频放大器放大到一定的幅度,以便通过电缆送给室内部件。前置中放是采用分立元件组成的宽频带放大器,共有三级。其中第一级采用的是低噪声晶体管。前置中放的增益大于30dB,噪声系数小于1.2dB。
室内部件
室内部件包括:主中放、限幅、调频信号解调等电路。
主中放和限幅器
由室外部件经射频电缆馈送来的中频信号进入室内部件后,还要作进一步的滤波和放大,这一任务就由主中放来完成。主中放一般作成宽频带放大器,并配以专门的带通滤波器,来保证中频信号所需的带宽(23~27MHz)。
主中频放大器,是由五级如图6所示的发射极耦合基本放大级组成。这种放大电路采用了交、直流反馈网络,输入阻抗低、频带较宽、增益较高、而且比较稳定。主中放的总增益大于52dB。

主中放的中间三级是具有自动增益控制的放大级,其自动增益控制是通过PIN二极管来实现的。这是由于PIN二极管可以看作与频率无关的线性电阻,其大小由通过它的直流电流控制,所以用它来作AGC控制,控制范围≥40dB。
对调频信号,为了减小其由于寄生调幅引起的解调信号的失真,在把中频信号送入解调器之前,一般要经过限幅。常采用串联二极管双向限幅器,其基本电路如图7所示。

调频信号解调器
调频信号解调器目前有两种程式。传统方式称“解调——再调制”方式。也即经限幅后的调频中频信号送入调频信号解调器中,解出包括有伴音副载频的视频基带信号,经视频放大器和低通滤波器,分出图象信号和伴音副载频信号。此时,可用监视器显示图象。但对一般家用电视机还必须经过再一次调制,即将图象信号送入幅度调制器,而伴音副载频信号经频率解调器解出声音信号,然后再进行频率调制,选取图象载频与伴音载频的差,与地面广播电视系统一样,例如6.5MHz,再通过合成器将图象和伴音载频信号合成为VHF(或UHF)的调幅电视信号。就可以被一般家用电视机所接收了,见图3虚线方框内部分。
另一种方式称为调频——调幅直接变换,它不需要解出基带信号,而是直接将中频调频信号变为VHF频段的调幅信号。这种方式的电路比较简单,但伴音较弱,需另加放大,在高质量的系统中一般不采用。
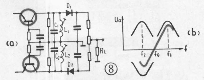
图3装置中采用的传统的解调方案,未加幅度再调制部分,是把视频信号直接送入监视器中收看。解调器采用的是双失谐回路如图8(a)。它由两个调谐放大器和两个检波器组成,其中一个回路(L\(_{1}\)C1)谐振频率f\(_{1}\)比70MHz高(约90~95MHz),另一回路(LC2)谐振频率f\(_{2}\)比70MHz低(约为40~45MHz)。由于两个检波管D1D\(_{2}\)在电路中方向相反,最后在负载RL上得到的如图8(b)的S曲线。

视频及伴音电路
视频部分包括去加重电路、倒相、视频放大,低通滤波和分配放大器等。
调频波在接收机输出端产生的噪声,高频段的要 比低频段高。为了压低高频段噪声,在调频系统中往往采用预加重技术,即在发射端用预加重电路对未调制的基带信号的高频分量提高。在接收端将解调信号通过与预加重电路特性恰恰相反的去加重电路,提升低频,使信号恢复原状,这样就改善了高频端的信噪比。去加重电路一般采用桥梯形电路,如图9所示。调整元件的数值,使其特性满足规定的曲线。倒相电路用来改变输出视频信号极性。

视频放大器采用了三级直接耦合宽频带放大器,其幅频特性直到十几兆赫都比较平坦。所需视频带宽由低通滤波器获得,如加时延均衡电路,则可减小失真。
视频信号再经分配放大器,可同时获得几路标准1V\(_{PP}\)信号送到各监视器。
伴音信号由视频级加跟随器分出,经放大、鉴频、低放后送给扬声器。
图3的实验装置,经过实际接收12GHz卫星广播电视信号的实验,获得了质量良好的彩色图象与伴音。(郑曼若)