在设计、安装高传真扩音机时,通常要在扩音机的前置放大级中设置频率均衡电,本文将通俗地谈谈在业余情况下怎样设计这种电路。
为什么要加频率均衡电路?
高传真扩音机的信号源,常常来自收音机、录音机、电唱机等。来自收音机、录音机的信号,不需要再在扩音机中进行频率均衡,但是对来自电唱机的信号,情况就不同了。让我们先来回顾一下唱片的录音特性:在灌制唱片时,录音是在固定速度下进行的。设录音信号频率为f,刻纹的振幅为a,刻纹刀的速度为V,则V=2πaf。由上式可知,当V不变时,频率f越低,振幅a越大;频率f越高,振幅a越小。这样在放唱时就可能引起如下现象:在低频率段针尖摆动幅度大,容易引起相邻纹路碰槽,造成串音;在高频段由于针尖摆动幅度小,又容易使唱片的表面噪声增大。
为了克服上述缺点,目前国际上普遍采用国际电工委员会推荐的如图1实线所示的录音特性(RIAA标准,即美国唱片工业协会标准),这是一条提升高音、衰减低音的频率特性。显然,在还音时会出现高音太强、低音太弱的缺点,为此应在高传真扩音机的前置级中附加适当的频率补偿网络,这个网络的频率特性应该与唱片的录音特性相反。图1中的虚线是按照RIAA标准绘制的补偿特性,这是一条提升低音、衰减高音的特性。图1虚线中,低频开始提升的频率点f\(_{2}\)为500赫,称为低频提升转折频率。在该频率点上的电压信号,较基准点频率(1千赫)高2.6分贝,在低于f2的低频段内,频率每缩小一倍,信号电压将提升6分贝;高频段的转折频率f\(_{3}\)为2120赫,这一点的信号电压,比基准点电压低2.6分贝。信号频率高于f3时,频率每增加一倍,信号电压跌落6分贝。在RIAA标准中,当f=30赫时,较1千赫时提升了186分贝(8.6倍),此时为避免低频端由于提升太多而引起放大器低频自激,通常规定f\(_{1}\)=50赫作为从低频提升转到平坦曲线的转折频率点,以便对50赫频率的提升量加以限制;在高频中,规定f4=32千赫,限制高于频率f\(_{4}\)的信号的反馈量,以防止高频自激。

频率均衡网络的工作原理
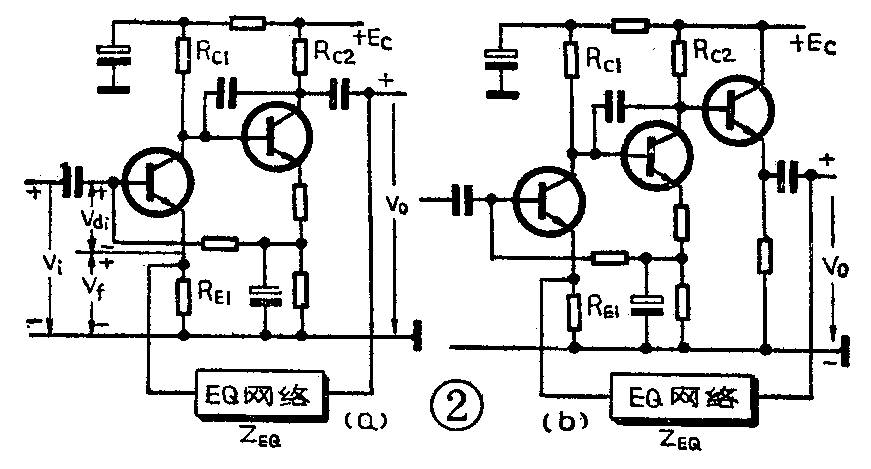
频率均衡电路的基本形式见图2。图2(a)为带负反馈的两级直接耦合电路,图2(b)只是比图2(a)多一级射极输出电路。图中EQ网络是频率均衡网络的简称,它实际上是一个负反馈网络。

图2中的V\(_{f}\)为反馈电压,它通过EQ网络取自输出端Vo处。输入电压V\(_{i}\)与Vf相减得到纯输入电压V\(_{di}\)。图2中的两个电路都属于电压串联型反馈电路,反馈系数为B=Vf/V\(_{o}\)=RE1/Z\(_{EQ}\)+RE1。式中Z\(_{EQ}\)为频率均衡网络总的特性阻抗。当电路不施加负反馈时,Vf=0,V\(_{di}\)=Vi,此时的电压放大倍数为K\(_{v}\)=Vo/V\(_{di}\)。对图2(a)电路来说,如果Rc1远远大于第二级的输入电阻R\(_{i2}\),第一级管子的放大系数β1》1,则无反馈时的总放大倍数可近似表示为K\(_{v}\)≈β1β\(_{2}\)RC2/(1十β\(_{1}\))RE1≈β\(_{2}\)·RC2/R\(_{E1}\)。
放大电路施加负反馈时的放大倍数可表示为:

如果将K\(_{v}\)=Vo/V\(_{di}\),B=Vf/V\(_{o}\)代入上式,则可得到Kvf=K\(_{v}\)/(1+Kv·B)。
从上式可以清楚地看出,一个放大器加了负反馈以后,放大倍数降低了,其降低的程度与1+K\(_{v}\)·B有关。当Kv·B》1时,上式又可简化为K\(_{vf}\)≈1/B=(ZEQ+R\(_{E1}\))/RE1=1+Z\(_{EQ}\)/RE1。这个简化公式告诉我们:在反馈量比较大时(即KB》1时),放大器的放大倍数仅与反馈系数有关,即只与Z\(_{EQ}\)、RE1的参数有关。对我们所讨论的频率补偿网络来说,反馈系数中的Z\(_{EQ}\)恰好是反馈网络的特性阻抗,它的数值是随频率的改变而变化的。我们要求EQ网络的频率特性,符合图1中虚线所示的规律。这样就在放大电路中实现所要求的均衡作用。
为了达到上述要求,EQ网络可连接成图3(a)的形式。图中,R\(_{1}\)>R2,C\(_{1}\)>C2,网络呈现的总阻抗为Z\(_{EQ}\)。

对低于1千赫的低频段,C\(_{2}\)可视为开路,电路变成图3(b)形式。Cl的容抗随频率降低而增加,总的网络阻抗Z\(_{EQ}\)也随频率降低而增大,于是负反馈量相应减小,放大倍数相应增大。当频率降低到一定程度后,与C1并联的电阻R\(_{1}\)的阻值已可和C1的容抗相比拟,这就限制了低于50赫的频率的提升量。又由于R\(_{2}\)是串联在反馈电路中的,所以即使频率很高,ZEQ也不会变为零,高频衰减量就受到了限制。因此图3(b)电路具有一条高音平坦、低音提升的特性,两个转折频率分别为:f\(_{2}\)=(R1+R\(_{2}\))/2πC1R\(_{1}\)·R2=50赫;f\(_{1}\)=1/2πC1·R\(_{1}\)=500赫。
对于高于1千赫的高音频段,因为R\(_{1}\)的阻值比C1的容抗大得多,所以R\(_{1}\)可以忽略,图3(a)则可简化为图3(c)。因为C2的容抗随频率增高而减小,所以Z\(_{EQ}\)也随之减小,于是负反馈增大,放大倍数也就下降了。R2的加入可限制低频提升量,使图3(c)的频率特性成为一条低频平坦、高频得到衰减的曲线。图3(b)和图3(c)两条特性合成起来就成为图3(a)的总特性,也就是我们所希望的RIAA特性。
在反馈型频率均衡电路中,如果高频段负反馈太深,会导致电路高频自激,使放大器工作不稳定。为此,在频率均衡电路中又串入了一个电阻R\(_{3}\)(见图4),以大大衰减频率大于f4=32千赫的高音。根据它的高频等效电路,转折频率f\(_{4}\)=(C1+C\(_{2}\))/2π·R3·C\(_{1}\)·C2 ≈1/2πR\(_{3}\)·C2。

在介绍唱片的均衡网络的同时,有必要提一提电唱头的类型及特性,因为在扩音机的前置级中是否需要加入频率均衡网络,还与唱头的选用有直接关系。
唱头有电磁型、电动型等中、高档类型,也有晶体型、陶瓷型等普及类型。图5和表1给出了它们的频率特性曲线及主要技术性能。可以看出,电磁型和电动型性能比较好,输出频率特性比较平坦,在放唱以RIAA标灌制的唱片时,必须加RIAA补偿网络;晶体型唱头(例如国产206型唱头)输出电压高,频响比较差,但由于它的内阻呈电容性,频率低端输出电压高,频率高端输出电压降低,在一定程度上补偿了唱片灌音时的频率特性,所以不需要在扩音机前置级中另外增设频率补偿网络。

表1
种类 输出电压 频率特性 大输入 使用 价格 频率均衡
时之失真 寿命 补偿电路
电磁型 1~10mV 20~20KHz 中 长 音通 RIAA
电动型0.05~0.5mV 10Hz~20KHz 小 长 贵 RIAA
晶体型 0.5~2V 100Hz~8KHz 大 短 廉 不要
陶瓷型 0.1~0.5V 30Hz~10KHz 大 中 廉 不要
怎样设计频率均衡网络?
反馈型唱片频率补偿网络的设计,主要是计算出反馈电路中C\(_{1}\)、C2、R\(_{1}\)、R2等元件的数值,以保证实现RIAA标准特性所规定的三个转折频率点f\(_{1}\)、f2、f\(_{3}\),以及在基准频率点(1千赫)时具有一定的放大倍数。三个转折频率f1、f\(_{2}\)、f3也可以用三个时间常数来表示。即:T\(_{1}\)=1/2πf1=R\(_{1}\)·C1=3180微秒;T\(_{2}\)=1/2πf2=R\(_{2}\)·C1=318微秒;T\(_{3}\)=1/2πf3=R\(_{2}\)·C2=75微秒。由T\(_{1}\)=C1·R\(_{1}\)和T2=C\(_{1}\)·R2,可确定出R\(_{1}\)和R2之间的关系,即:R\(_{1}\)=\(\frac{3180}{318}\)R2=10R\(_{2}\)。
对于反馈型频率补偿网络来说,在音频低端,由于反馈网络的等效阻抗Z\(_{EQ}\)变大,反馈系数B减小,不再满足KB》1的条件,而为保证在低音频段有一定的提升量,通常在计算时把T1以4000微秒考虑,这样R\(_{1}\)=\(\frac{4000}{318}\)R2≈12.57R\(_{2}\)。
因为反馈网络复阻抗Z\(_{EQ}\)的模为
|Z\(_{EQ}\)|=R1\(\sqrt{1}\)+(2πfC\(_{1}\)R1)\(^{2}\)+R\(_{2}\);1+(2πfC2R\(_{2}\))2,
在基准点频率f=1千赫时,|Z\(_{EQ}\)|≈1.4R2。此时,放大器的闭环放大倍数K\(_{vf}\)≈\(\frac{1}{B}\)≈|ZEQ|R\(_{E1}\)=1.4R2;R\(_{E1}\),所以R2=\(\frac{R}{_{E1}}\)·Kvf1·4。当R\(_{2}\)确定以后,由RIAA标准特性的三个时间常数T1、T\(_{2}\)、T3,不难求出C\(_{1}\)、C2、R\(_{1}\)等数值。
例如:设电磁式唱头在1千赫时的输出电压为1毫伏,要求前置放大器能将此信号放大到50毫伏,试设计一个RIAA特性的补偿放大器。
1.放大器在1千赫时的闭环放大倍数为
K\(_{vf}\)=Vo/V\(_{i}\)=50mV/1mV=50倍;
2.计算放大器放大倍数。放大器的负反馈量由低频提升量(18.5分贝)来确定,现取此值为20分贝,即1+K\(_{v}\)B=10倍,则放大器无反馈时的放大倍数为Kv=K\(_{vf}\)(1+KvB)=50×10=500倍。
3.确定第一级的射极电阻R\(_{E1}\)值。设放大器的第一级集电极电阻RC1远大于第二级的输入电阻R\(_{i2}\),则无反馈时的放大倍数Kv≈\(\frac{β}{_{2}}\)·RC2R\(_{E1}\),RE1≈β\(_{2}\)·RC2;K\(_{v}\)。设β2=30,R\(_{C2}\)=10千欧,则RE1≈\(\frac{30×10}{^{4}}\)500=600欧,可取标称值R\(_{E1}\)=620欧。
4.计算R\(_{2}\)值。R2≈\(\frac{K}{_{vf}}\)·RE11·4=50×620;1.4≈22千欧。
5.由T\(_{2}\)、R2求C\(_{1}\);由T3、R\(_{2}\)求C2;由T\(_{1}\)、C1求R\(_{1}\)。C1=T\(_{2}\)/R2=318×10\(^{-6}\)/22×103=0.0145×10\(^{-6}\)法≈0.015微法;C\(_{2}\)=T3/R\(_{2}\)=75×10-6/22×10\(^{3}\)=3400×10-12法=3400微微法,取标称值为3300微微法;R1=T\(_{1}\)/C1=4000×10\(^{-6}\)/0.015×10-6≈267千欧,取标称值为270千欧。
6.为了防止高频自激,由T4=5微秒及C\(_{2}\)求R3。R\(_{3}\)=T4/C\(_{2}\)=5×10\(^{-6}\)/3300×10-12≈1.5千欧。(郭维芹)