一、6N1(6H1П),6N15(6H15П)都是双三极管。6N1是低频电压放大管;6N15是高频或中频放大管。两者都可以用来代替6P1或6P6P作功率放大之用。
用双三极管6N1(6H1П)代替6P1、6P6P等作电子管收音机功放管的方法有两种。
(一)双三极管并联的方法:查电子管手册可知,6N1的一般参数如表1第一行所示。为了求得最佳负载电阻值R\(_{L}\),首先应知道6N1的屏极电阻ρ(表中未给出6N1的屏极电阻ρ)。首先从手册中可查出放大系数μ和互导s,然后按下式求出屏极电阻ρ:
ρ=μ/s=3.5/4.35=8(千欧)
图1是表达电子管的负载系数η和最大输出功率关系的曲线,负载系数是电子管功率放大器的负载电阻R\(_{L}\)与电子管屏极电阻ρ之比值,即η=RL/ρ。由图可见η=2时功率输出最大。但是功率灵敏度(指同样的输入而输出却不同,输出大的灵敏度高)却随着η的增大而减小,故η应选得小一点,通常选1.3左右。所以负载电阻RL=ρ×η=8×1.3≈10(千欧)。如果把双三极管6N1的两个三极管并联起来,则其特性参数如表1的第二行。互导s及屏流I\(_{a}\)加倍了。而阴极电阻RK、负载电阻R\(_{L}\)则都减半了。这与功放管6P1的一般运用情况基本相同。因而用双三极管6N1并联使用可以直接代替6Pl。而且6N1并联使用时的s较高,因此灵敏度较高,Ia较小,故省电。

用6N1并联代替6P1无需更换任何元件。两种管子均为小九脚,管座相同,只须将管座的接线稍加改动即可。方法是:将1和6;2和7;3和8各脚分别相连接,并把电源+250伏至6P1的2(或9)脚的连线断开。输出变压器仍使用配6P1的输出变压器。详见图2。6P6P的一般使用情况与6P1同,因此也可用6N1代6P6P。但需注意6P6P是大八脚管座,代换时应更换管座。

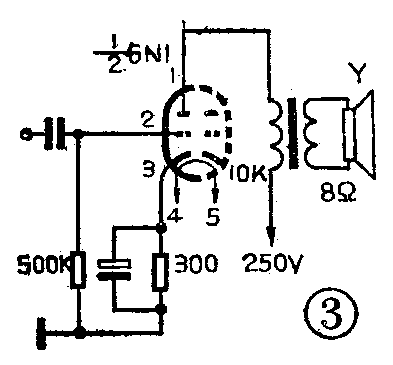
(二)将扬声器阻抗加倍的方法大多数电子管收音机所用扬声器的阻抗是3.5欧或4欧。6P1(或6P6P)输出变压器的阻抗比约为5千欧:3.5欧(或4欧),如果改接为8欧扬声器,则输出变压器的初级阻抗就变成10千欧左右了。正好满足6N1单个三极管所要求的负载电阻值。这种方法十分简便。代换时,6N1可先用半边三极管按图3所示接线,待这个三极管失效后还可以用另半边三极管(按图4接线)。


这种方法的缺点是低音效果有所变差。这是因为输出变压器的初级电感量不够大。6P1的输出变压器的初级电感量一般是按最低放音频率150赫左右以及负载为5千欧的条件设计的。现在负载变为10千欧、提高了一倍,而初级电感不变,则低音截止频率就提高了一倍,变成300赫。一般对音质要求不高的收音机还是可以的。
若用输出变压器串联的方法,就可以克服上述缺点。如图5所示,将两只相同的输出变压器串接,则总的圈数比和单只的一样,初级阻抗为10千欧,满足6N1的要求,而初级电感量比单只的增加一倍。这样低音截止频率就可以保持不变,低音效果不会变差。

双三极管6N15的有关参数见表1第3行。6N15的两个三极管并联以后的参数也和6P1的一般运用情况相似,见表1第4行。因而,用双三极管6N15(或苏制6H15П)按上面类似的两种方法也可以代替6P1或6P6P。但是,由于6N15这种双三极管只有一个共用阴极,所以最好两个三极管并联使用。具体的接法见图6。另外,6N15是小七脚管。故用它代替6P1,6P6P时需更换管座。

表1
型号 屏极电压 屏极电流 阴极电阻 放大系数 互导S 负载电阻
V\(_{a}\)(V) Ia(ma)R\(_{K}\)(Ω) μ (mA/V) RL(KΩ)
6N1 250 7.5 600 35 4.35 10
6N1并联 250 15 300 8.7 5
6N15 250 9 600 38 5 约10
6N15并联 250 18 300 11.2 约5
6P1 250 44 300 4.9 5
二、6P15(苏制6П15П)是专为电视机作视频信号放大用的五极管,用它也可代替6P1或6P6P作电子管收音机的功率放大器,方法有三种。
(一)当屏极电压使用300伏;帘栅极电压使用150伏;阴极电阻为75欧时,6P15(6П15П)的最佳负载电阻值约为10千欧(如图7a所示)。在这种工作状态之下,用6P15(6П15П)代替6P1等的具体方法又有两种:

1.仿照用双三极管6N1(6H1П)代替6P1的方法之二,即仍然使用原来6P1的输出变压器,而将扬声器的阻抗加倍,因为大多数电子管收音机所使用的扬声器的阻抗都是3.5欧或4欧。6P1(或6P6P)输出变压器的阻抗比约为5000∶3.5(或4),如果改接8欧扬声器,则输出变压器的初级阻抗就变为10千欧左右了,这正好满足6P15所要求的负载电阻值。接线及有关参数见图7a。
2.将原6P1(或6P6P)的输出变压器的次级改制。最简便的改制方法是将原输出变压器的次级线圈拆去十分之三左右,初级线圈不必变动。也可以另行绕制一只输出变压器,具体的数据见表2。如果铁芯截面积比16×16平方毫米大,上述数据仍可应用。接线及有关参数见图7b。
(二)如果屏极电压和帘栅极电压都使用170伏,阴极电阻用82欧,则6P15(6П15П)的最佳负载电阻值为4.5千欧,这和6P1的情况近似,基本上可以用原来的6P1的输出变压器,电路图见图8。代换时管座不变,按图8所示的数据去变更有关元件的大小以及改变管脚的接法,电源电压降到170伏。

(三)若屏极电压用230伏,帘栅极电压用200伏,栅偏压为负4伏,6P15(6П15П)的最佳负载电阻值正好是5千欧。这样,6P1输出变压器就能直接代用,而这种工作电压在电子管收音机中是常用的。
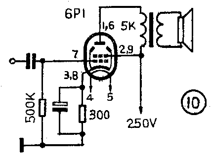
美式电子管6F6在旧式收音机中也是常见的,它和6P1、6P6P之间的代换方法是:6F6极电压和帘栅极电压为250伏,阴极电阻用410欧时,最佳负载电阻为7千欧。用它代替6P1时,原6P1输出变压器不能直接代用,需要另行绕制一只配用6F6管的输出变压器。绕制数据见表2第二行。由于6F6是大八脚,6P1是小九脚,因此代换时需要更换管座,接线方法和元件参数见图9。用6F6代换6P6P时不必更换管座,因为都是大八脚。

反过来,用6P1代换6F6时,则应将原来的大八脚管座改成小九脚管座。接线方法及参数见图10。这种情况,输出变压器不能用原6F6输出变压器直接代用,可按表2第一行数值重新绕制一只配用6P1的输出变压器。(唐远炎)

表2
初级线圈 次级线圈
型号 铁心截面积
线径 圈数 线径 圈数
(毫米) (毫米)
6P1 0.1 2350 0.64 60 16×16平方
6P6P 毫米(大于
此截面积也
6F6 0.14 3500 0.77 78 可用)