带有调谐指示管(俗称“电眼”)的交流超外差式收音机,调整中频变压器时可采用观察法。即在有电台广播时,从后级开始,一边调整磁心,一边观察电眼亮区面积,达最大时为止。
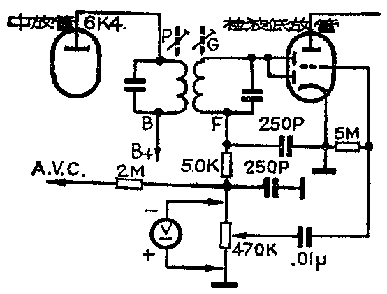
当调整不带电眼的收音机时,也可采用观察法。即用一块内阻较高的万能表(例如20KΩ/V-)拨到直流电压10伏档。正表笔接地(机壳),负表笔接音量控制电位器不接地的一个边头(如图)。在有本地电台信号时,可以量得1V~4V左右的电压。

该电压大小随接收电台信号的强弱而变化。调整时,接收某一电台、中频未谐振于465千赫时,电压表指示较小。这时,一边调中频磁心,一边观察此电压表,到指示最大时为止。用上述方法调整中频变压器,简单直观,大家不妨一试。(林在荣)