问:一台青松牌电视机,使用时常突然发出“啪!啪!”的响声,随后屏幕上图象消失、光栅暗淡,并有明亮的闪光区。由于故障时隐时现,检修困难,请协助分析。
答:如果检查高压包及高压回路无严重跳火现象,这种故障很可能是显象管内部电极间跳火所引起。当显象管内漏气或电极间漏电时,第二阳极高压就对其它电极放电,产生跳火现象。由于跳火时的电流很大,第二阳极高压随跳火而急剧跌落,荧光屏吸引电子的能力大大减弱,光栅就变暗淡,图象消失,有时还出现瞬时闪光。如果显象管跳火不太严重,可试用一般电视书刊中介绍的“电压、电流法”修复。如跳火严重又频繁,那只有调换新管了。(王德沅)
问:自己绕制了一只12寸电视机用场阻流圈,装在电视机上后,场幅拉不开,只有屏幕的三分之二宽,是何原故:如何解决。
答:如果阻流线圈的线径、匝数、铁芯截面积等都符合要求,而且线圈也没有短路,那么故障是出在场阻流线圈的磁隙上。当铁芯没留磁隙或磁隙过小时,通过阻流圈的直流分量使铁芯饱和,电感量就会下降。阻流圈的电感量小了,通过场偏转线圈的电流也会变小,场幅就拉不开。只要在铁芯的磁隙间垫上两、三层牛皮纸,这种故障就能消除。(王本轩)
问:有的电视机视频放大器在大电解电容上为什么还要并联一只较小的纸介、云母电容?
答:因为电解电容器通常具有一些电感特性。这种很小的感抗在低频工作条件下对放大器影响不大,但是在高频工作情况下,它的作用就不可忽略了,这时电容量会下降,损耗增大。因此,在一些电视机的视频放大器中,往往要在大电解电容上并联一个高频损耗较小的云母、纸介电容,以免高频受到损失,影响机器指标。(姜利民)
问:上海复旦电容器厂生产的CP12型高频头与KP12型高频头有何区别?它的接线是怎样联结的?
答:CP12型高频头是上海复旦电容器厂试产的VHF电视高频头。它是属于调容式的,郎通过改变可变电容器的容量来改变频率,从而改变接收频道。其调谐方式是连续可调的。此产品机械接触和机械摩擦较少,使用寿命较长。KP12型高频头是通过改变电感量来改变频率,从而改变接收频道。它的调谐方式是定点调谐,象波段开关一样,一档一个频道,因此一般称之为频道开关。
CP12型高频头上一共有四根导线。侧面有三根,红色的是12伏电源线,蓝色(或黄色)的是2伏AGC电压线,余下一根为中频输出电缆线。端面有一根导线为输入电缆线。(洪容茂)
问:按照本刊1980年第6期《用万用表检查高压硅堆的方法》一文介绍的办法选择高压硅堆时,对正向电阻有什么要求,是小一点好,还是大一点好?
答:高压硅堆相当于二极管。二极管正向容易导电,所以电阻小;反向不容易导电,所以电阻大。选择硅堆时,正向电阻当然应该小一点为好,除此之外还应考虑反向电阻,希望反向电阻大一点。这两个阻值相差越大,则表明这个高压硅堆的性能较好。若两者相差不多,则说明这个高压硅堆性能不佳或已损坏。因此,用万用表加接晶体管测量高压硅堆的正、反电阻的方法选择高压硅堆时,应该挑选两个阻值相差较大的硅堆。(唐远炎)
问:盒式磁带经轧带故障之后,还能否继续使用?应注意什么?
答:盒式磁带是由磁带、带盒、供带轴和收带轴、带导等多个零部件组成的。发生第一次轧带时,应立即关机检查轧带原因。切勿让其继续走带,以免拉断磁带甚至使带盒内部变形,影响精度。如果是由于磁带在带盒中松弛而造成磁带卷绕在主导轴或压带轮上,则可以用六角铅笔插入收带轴孔内把松弛的磁带慢慢卷绕整齐。严重变形或断裂的磁带必须修好之后再用。修理时,可先用螺丝刀卸下带盒上的五只紧固螺钉,打开带盒,取出被轧的带子,变形的部分磁带,用剪刀剪掉。再把余下的两端彼此重叠约10毫米,用剪刀按45°斜剪一刀。将两个斜口吻合对齐,并用涤纶胶带纸粘贴在磁带无磁性层的一面,用手指把接头处捏紧,使其粘牢。然后把磁带两边多出的胶带纸修剪齐。(吴大伟)
问:盒式录音机使用交流电源供电时,机内电池是不是需要取出来?
答:盒式录音机使用交流电源时,机内电池一般不必取出。因为电源插口内侧有一个开关,当交流电源线插入电源插口时,该开关受压后断开,使机内电池与电路断开。有的盒式机其电源线与机身固定连接,这类机器在交直流变换使用时,必须拨动电源变换开关。因此机内电池也不必取出。但应注意,长期不用的电池要取出调换,否则会因电池爆浆流汤而损坏其他机件。
葵花HL-1盒式机与LY-321盘式机,因无交直流变换开关,使用交流电源时,机内电池必须取出,否则电池会因充电过度而损坏。(石拟人)
问:怎样识别盒式磁带是γ-Fe\(_{2}\)O3带还是CrO\(_{2}\)带?一般C-60磁带的正常使用寿命是多少?
答:商品盒式磁带都有一个保护盒,此盒与磁带之间夹着一个印有商标、公司、型号、性能的硬纸片。磁带的A面、B面也分别贴着一个纸片。在这两个纸片上如印有:UD-XLⅡ,CR、SA、CR、UD-EX、Cro\(_{2}\)字样的,就是Cr-O2磁带。目前国内流行的盒式带,无论国产或进口的绝大多数都是γ-Fe\(_{2}\)O3磁带。只有少数进口的磁带是CrO\(_{2}\)带。
一般盒式带在正常使用条件下(所谓正常条件是指温度、湿度满足磁带要求;磁头、磁带保持清洁;不发生卷带、轧带现象;周围不存在强磁场和易损坏磁带的化学气氛),盒式带的寿命可以用使用次数来衡量。计算使用次数是从头至尾放一回算一次。随着使用次数的增加,节目中的高音成分将有所衰减。频率越高,衰减越厉害,其规律如附图所示:对于磁带中的1KHz而言,使用100次将衰减0.1dB,而使用300次时衰减量差不多。但对12.5KHz的成分,使用100次衰减了0.4dB,而使用300次的带子,则衰减1.2dB。因为随着磁带使用次数的增加,磁性层不断受到磨损,这种磨损是不均匀的,因此磁带表面光洁度下降,磁带与磁头的接触不紧密了,增加了间隔损耗。间隔损耗越大高音频衰减得越厉害。一盒带子使用数百次以后,节目的高音成分就明显不足了。至于什么时候算寿命终了,取决于使用者对音质的要求。(肖和祥)

《电子台灯电路》问答数则
《电子台灯电路》一文(见本刊1980年第6期)刊登后,收到不少读者来信提出是否可用以调节日光灯亮度等问题。现综合答复如下。
问:这种电路能否用以调节日光灯管的亮度?
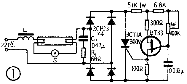
答:可以,不过要增添一个电阻、电容元件R\(_{1}\)、C1来吸收光管激发瞬间产生的过电压,从而保护可控硅及整流二极管,如图1所示。在接上电源后,要先把电位器W\(_{1}\)调至最小,即让光管在最大亮度情况下启动,然后才能往亮度较小的方向调节。

问:这种电路能否用作电熨斗的调温开关?如果可以,电路和元件需作哪些改动?
答:可以。对于额定功率500瓦以下的电熨斗,只需将可控硅改用额定电流5安的、整流二极管改用1安(例如2CZ11C)即可。若发现单结晶体管未能触发功率较大的可控硅,则可改用图2所示电路,把单结管的输出接到由3DK4组成的射极跟随器放大后,再去触发可控硅。

问:我按文章所述做了一个电子台灯电路,当负载接上灯泡时效果满意。但将该电路接到电风扇上时,马达却怎么也不转。不知何故?有何补救办法?
答:这是你电路中的可控硅的“维持电流”这个参数值太大所致。我们知道,可控硅在阳极处于正向电压期间受到触发后,为了使它继续保持导通,阳极电流不能小于某一临界值,这个临界值就叫做可控硅的维持电流。在灯泡、电熨斗等电阻性负载中,电流与电压是同相位的;但在电风扇等电感性负载中,电流的上升时间要比电压滞后一些。因此,在触发脉冲的宽度及幅度均相同的条件下,就有可能产生下述两种不同的结果:对于电阻性负载来说,在触发脉冲作用期间,阳极电流业已上升到超过维持电流的数值,因而可控硅将得以保持导通;但对于电感性负载,则有可能阳极电流尚未上升到维持电流值,触发脉冲就已过去了,因而可控硅将触不开,马达便不转。
为了使这种电路既能使用在电阻性负载,也能使用在电感性负载上,必须选用维持电流值尽可能小(10毫安以下)的可控硅。如果没有,则也可适当增大充电电容C的容量从而增加触发脉冲的宽度,或者就在电感性负载上并接一个电阻性负载来解决。
问:这种电路能否用作56英寸吊式电风扇的调速器?
答:可以。例如,用FC2—3型56英寸电容式吊扇时,额定消耗功率为80瓦,电路元件不需改变。如若风扇不能启动,那是所用可控硅的维持电流太大所致(见上述),换上维持电流较小的元件后即行。
问:装上电子电路以后,当使用台灯时,电子电路产生的射频干扰对调幅收音机有影响,如何消除?

答:在电路中加一低通滤波器如图3,效果良好。但对于距电子台灯较近(2米以内)的调幅收音机,除加装滤波器外,还要适当变换收者机的磁性天线的取向,以尽量减小此种干扰的影响。(许国殷 黄振理 周伟都)