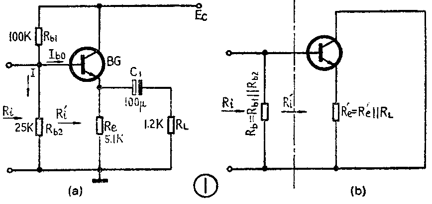
(段炳义)当我们需要高输入阻抗的晶体管电路时,往往采用射极输出器。图1a是一个射极输出器电路,不考虑偏置电阻R\(_{b1}\)、Rb2的分流作用时,其输入阻抗R'i、的计算公式为
R'\(_{i}\)=rbe+(1+β)R'\(_{e}\)

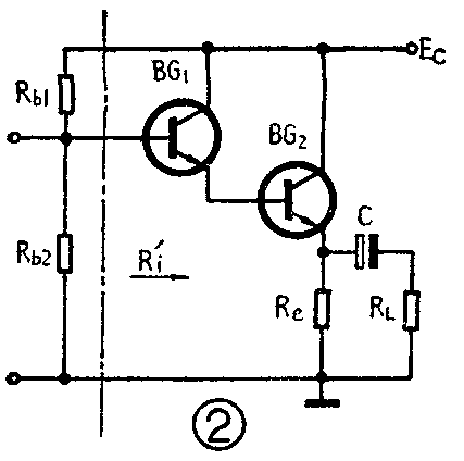
r\(_{be}\)为晶体管的输入电阻,约为1KΩ左右,R'e=R\(_{e}\)‖RL(即R\(_{e}\)与RL并联)。如果晶体管的β=100,R\(_{e}\)、RL按图中所给的数字,通过计算可得R'\(_{e}\)≈1KΩ,R'i≈102KΩ。R'\(_{i}\)比一般共发射极放大器的输入阻抗大得多。如果R'i还嫌不够高,则可将两只晶体管接成复合管(有时称为达林顿管),如图2所示。复合管的总β值等于β\(_{1}\)·β2,因此图2电路的输入阻抗R'\(_{i}\)更高,可达1MΩ以上。但是,要使晶体正常工作,就必须给管子选择一个合适的工作点,这就需要给晶体管的基极提供一定的偏流Ibo。通常I\(_{bo}\)是由直流偏置电路来提供的。图1和图2中的Rb1和R\(_{b2}\)就是它们的直流偏置电路,其中Rb2直接并联在输入端,R\(_{b1}\)虽然一端接晶体管基极,另一端接电源,但电源对交流信号来说,可近似地看成对地短路,因此Rb1也是并联在输入端的。这样,R\(_{b1}\)、Rb2就对输入的信号电流有一个分流作用,因而使射极输出器总输入阻抗R\(_{i}\)比Ri'小得多。考虑到R\(_{b1}\)、Rb2的影响后,其输入阻抗R\(_{i}\)的计算公式就应该是
R\(_{i}\)=Ri'R\(_{b}\)Ri'+R\(_{b}\),其中Rb=R\(_{b1}\)·Rb2;R\(_{b1}\)+Rb2

(见图1a的交流等效电路图1b)。如果把图1a的数据代入上式则得
R\(_{b}\)=\(\frac{100KΩ×25KΩ}{100KΩ+25KΩ}\)=20KΩ
R\(_{i}\)=\(\frac{102KΩ×20KΩ}{102KΩ+20KΩ}\)≈17KΩ
足见R\(_{i}\)比R'i小得多。
为了减小偏置电阻的分流作用,在一些射极输出器电路中,不采用R\(_{b1}\)、Rb2分压偏置电路,而只用一只阻值较大的R\(_{b1}\),见图3。这样作虽然能使Ri的数值有所提高,但是效果并不很显著。例如,按图3中的数据计算结果,R\(_{i}\)也只有50KΩ左右。实际上为了使图3中管子的工作点与图1相同,Rb1的数值还应该小一些,这样R\(_{i}\)就更小了。

能不能把R\(_{b}\)的数值取得很大,使其对输入阻抗的影响减小,甚至可忽略不计呢?不能。因为Rb本身是偏置电路元件,它起着确定静态工作点和稳定工作点的作用。当采用图1所示的分压电路时,为了使基极电位稳定,总是要求流过R\(_{b2}\)的电流I远远大于基极偏流Ibo,一般取I≥(5~10)I\(_{bo}\),这,基极电位便基本上决定于I,而受Ibo的影响很小。由于I的数值是稳定的,所以基极电位也是稳定的。假如R\(_{b}\)取值很大,将不能满足I》Ibo这个要求,R\(_{b}\)便起不到稳定工作点的作用了。当采用图3所示的偏置电路时,Ibo=\(\frac{E}{_{c}}\)-UbR\(_{b1}\)。如果Rb1取得很大,I\(_{bo}\)就会减小,以致使静态工作点偏低,晶体管不能正常工作。由此可见,为了使晶体管能够正常而稳定地工作,Rb的值不能取得过高。
怎样才能使射极输出器具有较高的输入阻抗,而偏置电阻的数值又不太大呢?为了解决这个问题,人们采用了所谓“自举电路”,见图4a。图4a在图1a电路的基础上增加了两个元件C和R\(_{b3}\)。这样便可得到较图1a电路高得多的输入阻抗。下面我们分析这个电路的工作原理。为了便于分析,我们画出图4a的交流等效电路图4b。图4b中,Rb=R\(_{b1}\)‖Rb2,R'\(_{e}\)=RL‖R\(_{e}\)。由图4b可见,电容C把输出电压U0全部反馈到R\(_{bl}\)、Rb2、R\(_{b3}\)的公共点A,当C取得足够大时,UA≈U\(_{0}\)。又由射极输出器的电压跟随特性可知,U0≈U\(_{i}\),因此可得到Ui≈U\(_{A}\)。这一结论是很重要的,它表明电阻Rb3两端(即A、B两点)对交流来说,近似等电位,因此流过Rb3的输入信号电流i\(_{b3}\)≈0。我们知道,对信号源而言,只有Rb3的交流等效阻抗似近为无穷大时,才会有i\(_{b3}\)≈0。由此可见,增加了Rb3和C以后,偏置电路的分流作用便大大减小了,也就是电路的总输入阻抗R\(_{i}\)提高了。

下面我们分析R\(_{i}\)提高了多少。信号源Ui在图4b中引起两路输入电流;i\(_{b}\)和ib3。其中i\(_{b}\)=Ui-U\(_{0}\)rbe,i\(_{b3}\)=Ui-U\(_{0}\);Rb3。因为r\(_{be}\)=1KΩ,Rb3=100KΩ,r\(_{be}\)比Rb3小得多,所以i\(_{b}\)也就比ib3大得多,i\(_{b3}\)相对于ib来说可忽略不计。这样,整个电路的输入电流就可以近似地看成等于i\(_{b}\)。我们知道,输入阻抗就等于输入电压与输入电流之比,因此在图4中就有Ri≈\(\frac{U}{_{i}}\)ib。由于i\(_{b}\)就是晶体管的基极电流,所以Ri便可由下式求出:
Ri=r\(_{be}\)+(1+β)(R'e‖R\(_{b}\))
式中R'\(_{e}\)=Re‖R\(_{L}\),Rb=R\(_{b1}\)‖Rb2。
由于R\(_{b}\)比R'e大得多,所以
R\(_{i}\)≈rbe+(1+β)R'\(_{e}\)
这就是本文开始谈到的,不考虑偏置电阻的分流作用时,射极输出器的输入阻抗R'\(_{i}\)。
自举电路所以能够使输入阻抗大大提高,主要是利用了射极输出器的射极跟随特性和自举电容C的反馈作用,将基极电阻R\(_{b3}\)的A端电位举高到与它的B端电位近似相等,因此这种电路也叫作“基极自举电路”。
图4中电容C的容量要足够大,以保证U\(_{A}\)≈UE(U\(_{E}\)为发射极电位)。当最低工作频率为fL时,一般C≥10\(^{6}\)/2πf\(_{L}\)R'e(微法)。从等效电路中可以看出,R\(_{b3}\)起着隔离Rb与晶体管基极的作用,R\(_{b3}\)越大,它对输入阻抗的影响就越小,因此Rb3应取得大些。但是晶体管的基极偏流还是要流过R\(_{b3}\)的,因此也不能太大。一般Rb3≥(3~10)R\(_{b1}\)‖Rb2。
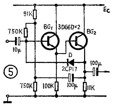
基极自举电路常用在一些仪器、仪表和扩音机等需要高输入阻抗的地方。图5是JB-F1型晶体管毫伏表的输入电路。为了提高β值,采用了两只晶体管复合的办法。二极管D是保护晶体管用的。这个电路的输入电阻可达1MΩ以上。
