为了扩大广播电视的覆盖面积,解决边远山区收看电视节目的问题,目前各地建立了不少小型电视差转台。下面谈谈我们在建台中的几点体会,供参考。
寻找信号通道
山区地形复杂,寻找信号源是一项艰苦细致的工作,首先应根据比较详细的地形图按电视广播网规划方法找出可能的信号通道。但是由于山区地形多变,绕射和反射的途径很多,因此需要结合地形、地貌确定几个测试点,切不可认为海拔高度高,信号就强,而盲目地到制高点上去建台。例如我们在建立一个差转台时,进行了多点实地收测,找到了一个宽50米左右的信号通道,最高场强达40dB;而在通道左侧相距200米的制高点上,几乎收不到信号,在右侧相距70米的制高点上场强也只有15dB。
测量信号场强
选择差转台地址,应使用场强仪测量电视信号场强。但是在没有场强仪的条件下,可采用9英寸电视机直接收看,以确定信号的强弱。例如用2米左右的振子天线,能收到满意的电视信号,就可以进行转播。但由于人的视觉有误差,很难正确判断。为此我们对凯歌牌4D7型9英寸电视机作了一些小改动,结合万用表进行测量,效果比较满意。
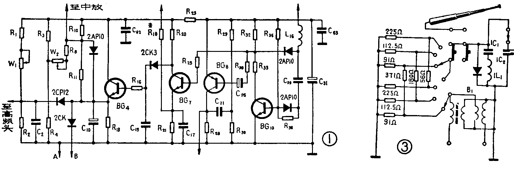
大家知道,电视机的AGC电压的变化是和外来全电视信号的强弱成正比的。通过监测AGC电压的大小,就能基本上确定外来信号的强弱。我们对AGC电路的改动如图1所示,此电路为凯歌牌4D7型电视机的AGC电路。首先调整AGC电路中的电阻R\(_{18}\),改变BG7发射极电路的分压比和BG\(_{7}\)的工作状态,从而改变AGC电路的起控点。当R18为51Ω,输入信号场强大约在20微伏/米时,AGC电路即开始起控。然后,从BG\(_{4}\)的发射极取出AGC电压,再经二极管2CK检波,送到电视机外壳新加接线柱A、B上,以连接万用表。

为了便于观察,可在高频头输入端加上π型固定衰减器,可自由选择输入信号的衰减量。具体计算如下:设图2所示衰减器的输入、输出阻抗为Z,K为衰减倍数。则R\(_{1}\)=R2=Z(K+1)/(K-1),R\(_{3}\)=Z(K\(^{2}\)-1)/ 2K。电视机的输入阻抗通常为75Ω,若衰减倍数K为10,则可得到R1=R\(_{2}\)=75Ω(10+1)/10-1≈91Ω,R3=75Ω(102-1)/2×10≈371Ω。我们设计的衰减电路如图3所示,其输入、输出电压比分别为2:1、5:1、10:1,可用波段开关控制。最好能用场强仪校对一下,记下万用表相应的场强读数,便于换算。我们改装的凯歌牌4D7型电视机,AGC电平与场强的关系如下:无信号时,AGC电压为0.9伏;30dB时,AGC电压为1.05伏;40dB时,AGC电压为1.4伏;50dB时,AGC电压为1.8伏;60dB时,AGC电压为2.1伏;70dB时,AGC电压为3.8伏……。

准确定点
选择台址是发展山区电视广播的关键。在初步找到信号通道后,最好使用已改装的电视机进行测试。由于山区地形复杂,往往相距几十公尺或接收天线高、低相差几公尺而使信号场强成倍下降。根据我们的经验,接收方向前下方是陡坎,而后面又有一定开阔地的半山坡,信号场强比较强。在使用改装的电视进行测试前,先用万用表测量一下电源电压,必须在电源电压基本相同的情况下,才能对AGC电压进行比较。然后将万用表置于直流5伏或2.5伏档,接入电视机外接接线柱A、B处。接上天线,调整到图象,伴音最佳,这时电压表的读数,就对应着一定的场强值。要特别注意,防止误收到对流层折射的电波,若收到衰落比较严重的信号,即为对流层折射波。考虑到服务区域和防雷问题,找到最佳信号点后,还应连续收看一段时间,最后确定台址。
确定建台方案
在满足一定信号场强的情况下,应根据服务区域的大小、投资省、便于管理等来考虑建台方案。若差转台距离服务区直线距离在8公里以内,而且服务区域集中又无交流电源的,可采用1W左右的半导体全自动差转机,由电池或蓄电瓶供电。若差转台距服务区域直线距离在8公里以内,但服务区较宽或被大山阻挡,可采用二级差转,即第一级利用半导体全自动差转机将电视信号定向发送到第二级差转台,然后再利用较大功率的差转机覆盖服务区域。这样既可节省投资又便于管理。若服务区域很宽,并承担向其他差转台提供信号源时,可在高山上搞大功率差转台。如果经济条件许可,为提高转播质量,以搞一次差转为宜。至于选用多大 功率的差转机才合适,可由下面公式大体计算出来: E=2.18\(\sqrt{2}\)\(^{P}\)(千瓦)·D· h\(_{1}\)·h2(米)/r2(公里)·λ(毫伏/米)。其中:E为信号场强;D为发射天线的增益;h\(_{2}\)、h1分别为收发天线的高度;r为发射台至接收点 的距离;λ为转播电视信号的波长;P为发射功率。
天线防雷
电视差转台的收、发设备大都设置在山顶上,所 以最容易遭受雷击。特别是晶体管差转机,由于晶体管的击穿电压较低,所以防雷更加困难。目前国内小 功率差转台多数是将避雷针安装在高于发射和接收天线的位置,使天线处于避雷针的保护区,以此作为主 要的防雷措施。这种办法对于电子管差转机来说,还是可以的,因为电子管的击穿电压较高;但是对于晶体管差转机就不行了。因此我们采用了隔离避雷法。 具体措施如下:
1.原来将发射天线安装在避雷针下面,并将天线的零电位点与避雷针的接地点接在一起。这样由雷电感应到避雷针上的电荷,有一部分将沿着馈线进入设备,造成击穿。现在将发射天线的零电位点与避雷针的接地点分开,单独接入自己的小地网,如图4所示。这样感应到避雷针上的电荷就不会直接进入发射天线,只能通过再感应进入转播设备,结果使感应电荷削弱了几十倍,提高了避雷效果。

2.差转机的接收天线大都采用多单元天线,天线又长又大,最易感应侧面来的电荷,而且接收部分多采用晶体管,极易击穿损坏。我们将接收天线的主振子和引向器、反射器分离开,即将引向器和反射器的零电位点用足够粗的铜线连接起来接入避雷地网,而将主振子的零电位点接入工作地网,如图5所示。由于主振子前面有引向器,后面有反射器,所以从侧面感应的电荷通过引向器和反射器入地,对主振子起一定屏蔽作用,大大减少了主振子上的感应电荷。

3.天线的馈线最好从铁塔的内侧引入,并和铁塔保持一定的距离。在雷电比较严重的地区,最好将天线馈线装在金属线槽内,并将金属线槽接到避雷地网上。也可在馈线的左、右和上方拉三根8号铁丝,再将铁丝接入避雷地网。
总之,隔离避雷法主要是改变了原来的避雷结构,增加了一个工作地网,将防雷设备和工作设备隔离开来。这样对地网的要求也可以放宽一些,一般避雷地网和工作地网的接地电阻在10Ω以下就可以了。(李家斌)