OTL电路并不只一种形式。因为晶体管在导电特性上有PNP型和NPN型两种,如果将各种晶体管适当地、巧妙地组合起来,就可以得到不同类型、各具特点的OTL电路。下面介绍几种,以便于业余爱好者制作高传真扩音机时选择。
变压器倒相式OTL电路
这是早期的一种OTL电路,实际电路见图1。它的输出级选用两个导电极性相同的晶体管,利用输入变压器的两个独立绕组进行倒相,以完成推挽工作。它的优点是:

1.容易选择特性完全一致的一对晶体管,使放大器的非线性失真减小。
2.确定合适的输入变压器的初、次级匝数比,可以获得较高的功率增益。
3.前后级的偏置独立,不相互牵制,便于调整和维修。
4.由于中点电位被分压电阻固定,开机时扬声器中的冲击电流较小。
目前不少产品仍采用这种形式,比如飞跃12D3型电视机的伴音功放电路就是一例。如果采用分段分层绕制输入变压器,制作百瓦以下的高传真扩音机是能得到满意的效果的。
上述电路的缺点是:①变压器占用空间位置大。变压器产生的磁场若与接收机的天线耦合,容易引起振荡;输入变压器如果与电源变压器的磁场耦合,将感应出交流声。所以变压器的排列位置也受到限制。②因为级间耦合仍采用变压器,因此当进一步加深负反馈量时,容易引起高频段相移。因此频响与失真欠佳。
C、E分割倒相式OTL电路
利用晶体管放大器的发射极输出信号与基极输入信号相位相同,而集电极输出信号与基极输入信号相位相反的特点(即集电极输出信号与发射极输出信号相位相反),代替输入变压器进行倒相。具体电路见图2。它省去输入变压器后,可避免磁场干扰,减轻了放大器的重量并缩小了体积。其次,还能施加深度负反馈以改善OTL电路的性能。但是这种电路的电压增益较低。其原因是:①输出级在大信号状态下工作,集电极电流很大,这就要求必须有较大的基极电流来驱动。除了功放级选用h\(_{FE}\)高的管子外,另一个办法就是减小功放管偏置电阻的阻值。但偏置电阻减小后,推动级的交流负载也减小,就会造成前后级失配。为此,应加大推动级集电极电流,以保证有足够的激励功率。又因为推动级集电极电流与其发射极电流成正比,而发射极电流又与其输入阻抗成反比,所以集电极电流的增加,必然会使输入阻抗降低,这就又使前一级的电压增益减小了。②要想在推动级的发射极和集电极取出两个幅度相等的信号,就必须使集电极和发射极的负载电阻值相等。这时,放大倍数k=1。可见,这种电路的缺点是电压增益较低。

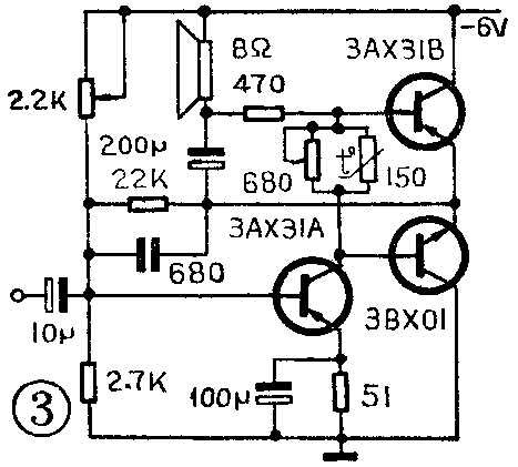
互补对称式OTL电路
这种电路的特点是采用了两种导电极性不同的晶体管来完成倒相工作,电路见图3。在输入信号的同一周期内,由于PNP和NPN型晶体管的导电极性相反,两管则自动交替工作,不需专门的倒相级。这种电路通常叫做互补对称OTL电路。现在制造大功率的互补管还有一定困难,一般只能做到0.5瓦左右。在功率较大的场合,可采用一对异极性互补管和一对同极性的功率管复合运用。这种电路叫准互补对称电路,实际电路见图4。这种电路的优点是:①全部采用直接耦合,频率响应很宽。高频频响取决于晶体管的共发射极截止频率fβ,低端频响则由输出电容器的容量决定。②可施加深度负反馈,失真小,电路稳定性高。③电路是由电阻、电容和晶体管组成的,所用元件比C、E倒相式电路少,能使放大器小型化。但它们的缺点是: 由于全部采用直接耦合,所以各晶体管的直流工作点相互牵连;并且对温度、电源电压的变化很敏感。


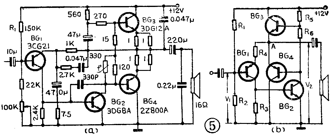
为了克服由于温度变化而引起的中点电位的变化,可采用图5(a)电路。在激励级前面插入一个直接耦合的异极性晶体管,它的发射极通过一个电阻接到中点电位处,从而引入一个直流负反馈。为了便于分析,图5(b)画出了图5(a)的直流偏置部分。抑制中点漂移的过程如下:BG\(_{1}\)的基极电位V1由电阻R\(_{1}\)与R2分压所决定。设中点A处电位变高,即V\(_{ce3}\)↓由于BG1基极直流偏置电压V\(_{1}\)不变,则VBE1↑→I\(_{C1}\)↑→VR3↑→V\(_{BE2}\)↑→IC2↓→V\(_{R5}\)↑→BG3基本单位↓→A点电位↓→复原。

我们知道,差动放大器具有抑制零点漂移的作用。从图5(b)可以看出,BG\(_{1}\)与BG4构成一个特殊的直流差动放大器,用来比较BG\(_{1}\)的基极电压V1和中点电压V\(_{2}\)。图中BG3为恒流源,BG\(_{2}\)为一个恒压源。这个电路的特点是V2仅受V\(_{1}\)的影响,而由晶体管离散性或温度变化而引起V2的变化是极微小的。
上面曾谈到,这种电路的稳定性基本上取决于V\(_{1}\)的稳定程度,而V1是经R\(_{1}\)和R2将电源电压分压后取得的。若电源电压波动,必定会引起中点电位也发生变化。因此,最好选用稳压电源。但当扩音机输出功率较大时,从经济角度来看,选用稳压电源不太合理。这时可采用图6(a)所示电路。图6(b)是简化后的直流偏置电路。BG\(_{1}\)的基极电位通过R3取自BG\(_{2}\)的发射极。由于BG1、BG\(_{2}\)增益很高,而BG1的基极与BG\(_{2}\)的发射极相位相反,所以可通过R3引入一个较强的负反馈至BG\(_{1}\)基极,可使BG1基极电位基本不变。因此当电源电压从18伏~24伏范围内波动时, 中点电位能基本维持不变。(韩任之)
