问:我买了一台日立牌P-26型集成电路黑白电视机,使用室内拉杆天线,收看时发现图象模糊并有大量雪花状干扰,伴音轻微且噪声很大。而在同样条件下,用国产飞跃12D1黑白电视机收看却很清楚。是不是我的P-26型电视机有毛病?
答:日立P-26型电视机是日本厂商根据本国条件设计制造的一种廉价普及机,由于日本的电视台较多,电视台发射功率较大,因此该机的图象灵敏度、伴音灵敏度等项设计指标均达不到我国乙级机的标准。例如,P-26型电视机用机上拉杆天线时灵敏度约为250uV(75Ω),而国产机则可达100~200uV。所以,在离电视台较远或电视信号较弱的情况下,该机收看效果比国产机是要差一点,并非故障所引起的。
要想在远离电视台的情况下提高P-26型电视机的收看效果,可以根据收看要求安装三单元或五单元室外定向天线。(花维国)
问:北京牌825型和825-1型电视机经常出现垂直幅度不足,下卷边故障。机器工作时间意长,下卷边愈严重。调整垂直幅度和线性电位器也不起作用,应如何解决?
答:北京牌825和825-1型电视机的场扫描电路是采用无帧输出变压器的不对称多谐振荡器兼输出电路。优点是省去了帧振荡和帧输出变压器,降低了成本。缺点是振荡级和输出级互相牵扯,而且场偏转线圈的阻抗很难做到与输出管相匹配,所以偏转角度很难达到要求。最有效的解决办法是减小6P1阴级电阻R77(150Ω)的阻值。一般选用75~130Ω即可,电阻的功率最好较原来的大一点,用1W电阻为好。但其阻值也不可过小,否则线性失真严重。如有条件,也可采取把6P1管换用高档管子,如J级、Q级管的办法来排除这种故障。(孙民庆)
问:一台北京825-2型电视机,出现图象扭曲、同步不稳的现象。测量同步分离管6A2的栅压为负0.5伏,屏压仅0.6伏,与正常值相差悬殊,查分离级各电阻和电容C66均好,怎么解决这个问题?
答:同步分离管的栅负压不够,将使输出同步脉冲中含有图象信号,图象就产生扭曲。通常,在电容C37没有漏电或容量显著减小的情况下,上述故障的原因大都是6A2的真空度不良。6A2管真空度不良,管内的气体分子被从阴极发射出来的高速电子撞击而电离,正离子落在栅极上抵消部分或全部栅负压,使栅负压减小,屏流就增大,屏压下降。因此,只要调换一只良好的6A2即可解决问题。(王德源)
问:市售盒式录音磁带是否既可录制单声道信号,又可录制立体声信号?
答:可以。盒式磁带录制单声道或立体声信号完全取决于所用录音设备,与磁带无关。也可以说盒式磁带在录音制式上具有“兼容性”。盒式磁带用来分别录制单声道或立体声信号时,音轨磁迹如图所示。这种音轨的安排虽然会使磁头结构复杂些,但是可以实现单声道和立体声重放时的兼容。(吴大伟)

问:录制了立体声信号的磁带是否可以在单声道录音机上放音?反之,录制了单声道信号的磁带是否可以在立体声录音机上重放?效果如何?
答:录制了立体声信号的盒式磁带可以用单声道盒式录音机放音,只是重放出来的声音是单声,不能使听者获得立体感。反之录制了单声道信号的磁带也可以在立体声盒式机上放音,放出来的仍是单声道信号。只有立体声信号的磁带在立体声录音机上放音是立体声的。

盘式录音磁带则不同,为了简化磁头结构而采用了如图所示的音轨磁迹。因此录制了立体声信号的盘式磁带不能用普通单声道录音机重放。相反录制了单声道信号的磁带也不能在立体声录音机上放音。
从互换使用的方便程度来看,盒式录音磁带要比盘式录音磁带优越。(吴大伟)
问:为什么要用非金属螺丝刀调中周?
答:中频变压器(简称中周)是否调谐到最佳位置,对收音机的灵敏度、选择性有直接影响。一般的中周是由电感和电容组成的并联L、C谐振回路。为了提高Q值,大都采用调铁粉芯的结构。当用金属螺丝刀调整中周时,人、螺丝刀和中周与大地之间相当于存在一个并联大电容。同时金属螺丝刀伸入线圈内,等于加入一个介质。此时虽然调得声音最响,但金属螺丝刀一离开中周,则谐振点又偏移了,因此总是调不到最佳点。而用非金属螺丝刀伸入线圈时,因为螺丝刀是绝缘的,不会与大地之间构成分布电容;绝缘体虽然也是一种介质,但对线圈电感量影响很小,所以容易将中周调到最佳位置。(金桂华)
问:在集成电路DY—ICIII型OCL扩音机中,5G24八脚管如何安装?
答:5G24有两种封装。一种有10个脚,属于外补偿型,只要按线路要求焊在印刷电路板上即可;另一种有8个脚,属于内补偿型,它不需外接补偿电容。在原印刷电路板上的第9脚不用焊(这种集成块也没有第9脚),C\(_{9}\)(150P)也可不用。(松龄)
问:去年第3期《集成电路DY—ICIII型OCL扩音机》一文中曾用到FC\(_{3}\)和5G24两个集成块,这种集成块在业余条件下如何测试?
答:按正规来说,集成运放电路也常用一些特性参数来描述它的工作性能,如开环电压增益G\(_{OL}\)、最大输出电压Vop-p等,但这些参数只能用专用仪器测试,业余测试难以实现。下面介绍业余判断集成块好坏的办法,实践证明行之有效。

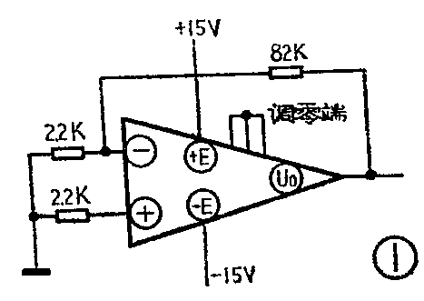
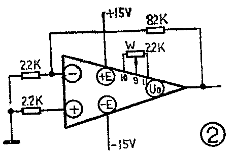
1.零位检查:将集成块按图1接线,然后通电。测量输出电压U\(_{o}\),应使|Uo|<0.2伏。如果0.2伏<|U\(_{o}\)|<2伏,可如图2所示增加一只调零电位器W。调整W,可使|Uo|降到0.2伏以下。有的集成块没有调零端,或者调零无效,则只好更换集成块。

2.正位检查:按图3接线并且接通电源。此时输出端电压U\(_{o}\)应大于7伏。Uo越大,表示该集成块能输出的正向幅度越大。例如:FC52A档最大输出幅度V\(_{op}\)-p大于±7伏,B档或C档Vop-p大于±10伏,D档V\(_{op}\)-p大于±11.5伏。

如果U\(_{o}\)小于+7伏,甚至为零值或负值,说明该集成块已损坏,必须更换。

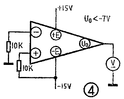
3.负位检查:按图4接线,并且接通电源。此时输出端电压U\(_{o}\) 应小于-7伏,也就是说,|Uo|>7伏。U\(_{o}\)值越负(绝对值越大),表示该集成块能输出的负向幅度越大;如果Uo大于-7伏(即绝对值小于7伏),甚至接近零值或正值,说明集成块已损坏,必须更换。
用上述三种办法测量时,只要其中之一项不符合要求,就说明集成块已损坏。(松龄)
问:去年第3期刊登的集成电路DY-ICIII型扩音机,原文说装好后工作点不需调整,但我安装的这种扩音机发现工作点不对,是怎么回事?如何解决?
答:在正常情况下,安装好后工作点是不需要调整的。但是,如果元件质量不好,或安装有错误,工作点就会不准。可采用如下办法检查、调整:
①V\(_{1}\)一般为0.3~1.5伏。这个数值是由场效应管的零偏压饱和电流决定的,因管子不同可能有所差异。一般情况下,V1数值有点出入对场效应管的阻抗匹配作用影响不大,不必过分追求。但如果V\(_{1}\)小于0.1伏或大于4伏,则可能是场效应管损坏,需更换。
②在静态情况下,V\(_{2}\)为O±0.5伏就算正常。如果超过±1伏,则应先检查5G24是否损坏,然后再检查电解电容C4极性是否接反,输入端有否碰线、碰锡等。
③在静态情况下,V\(_{3}\)一般为0.6伏,V4一般为O伏左右,这两个电压值基本由FC3的质量而决定。V\(_{3}\)电压值稍有出入问题不大, V4影响较大。当|V\(_{4}\)|>0.5伏时,应该用零位法、正负位法检查FC3的质量。如果属于集成块质量较差,而零点电压偏离仅在±1伏之内,可用加调零电位器的办法补救,不必换集成块。
如果集成电路没有问题,V\(_{4}\)偏离仍较大,则应检查反馈回路电阻R20、R\(_{8}\)有否断路,输入回路的电解电容C11、C\(_{12}\)是否漏电太大或损坏,输入回路有否碰锡、碰线、假焊等情况,R10的阻值是否正确等,排除故障即可。(松龄)
问:1980年第3期刊登的集成电路DY-ICIII型OCL扩音机,其电源变压器及滤波电路的数据是多少?
答:电源变压器及滤波电路的数据见附图。次级不需要双线并绕。在初、次级之间应加屏蔽层。

硅钢片最好采用高硅的,如果没有,也可采用低硅的。初级线包最好用高强度漆包线,其余可以油基性的。电解电容器的容量与耐压宜大不宜小。整流管可采用50V1A的QL型桥堆,也可用四只2DP型整流管(规格为50V1A)。(松龄)