我们有时用微弱的响声检查人耳的听觉,一个人如能够听到的响声很弱,就说他的耳朵很灵敏。同样,如果一台收音机能够清晰地收听远方广播电台的微弱信号,就说这台收音机的灵敏度高。因此,一般地讲,收音机的灵敏度就是指收音机能够清晰地收听远距离电台微弱信号的能力。为了准确地比较和检验收音机灵敏度的高低,上面的讲法就显得太笼统。为此,人们对灵敏度又规定了较为精确和严格的定义。为了测试的方便,对磁性天线和拉杆天线的收音机是分别定义的。磁性天线收音机灵敏度的定义是:若收音机所在位置的电场强度为1mV/m(毫伏/米),将音量开到最大时其输出功率为50mW(mW是毫瓦,机箱体积较小的便携式可按10mW,袖珍式和微型机可按5mW),信号杂音比(后面有解释)不小于20分贝,则我们就说该收音机的灵敏度为lmV/m。显然,能够接收的电场强度数值越小,表明收音机的灵敏度越高。在国产半导体收音机中,规定特级机的灵敏度为0.3mV/m,一级机为0.5mV/m,二级机为lmV/m,三级机为1.5mV/m。对于拉杆天线的收音机,规定用拉杆天线上所感应的电压数值来标定,如某收音机的拉杆天线上有50μV(微伏)的电压,音量开到最大时输出功率为50mW,信号杂音比不小于20分贝,则我们就说该收音机的灵敏度是50μV。在国产半导体收音机中,规定特级机灵敏度为30μV,一级机为50μV,二级机为100μV,三级机为150μV。
要求音量开到最大,并且规定输出功率为一定数值,为的是便于比较。在输出音频功率相同的情况下,哪个收音机输入的信号弱,哪个的灵敏度就高,这是不难理解的。但是为什么还要求信号杂音比不小于20分贝呢?
要回答这个问题,首先要搞清什么叫信号杂音比。我们知道,无论多么高级的收音机,由于外部干扰以及内部因素的影响,总是夹杂着一些噪声。当噪声较大时,我们收听广播节目就会感到很不舒服,严重时甚至听不清节目信号的内容。如果信号功率很大,噪声功率很小,则声音的清晰度自然会提高。于是人们便用信号功率与噪声功率的比来说明声音的清晰度,这个比值就叫作“信号杂音比”。显然,比值越大,声音越清晰。从人耳收听情况看,信号杂音比为100时,就能达到满意的效果。但是人耳对声音响度变化的感觉并不与声音功率的变化成正比,而是与声音功率变化的对数成正比,因此信号杂音比都是用对数的形式即用分贝来表示:
信号杂音比=10lg\(\frac{信号功率}{杂音功率}\)=10lg100=20分贝。
可见,信号杂音比为20分贝,就是有用信号功率是杂音功率的100倍。
总之,我们在评定收音机的灵敏度时,不仅要求输出功率固定,而且要求输出端清晰度也有一个固定的数值。只有这样,才能对不同收音机的灵敏度进行比较。
一台收音机灵敏度的高低,和电路设计、元器件的选配以及组装情况都有关系。下面我们以一般超外差式收音机为例,谈谈提高收音机灵敏度的措施,供广大无线电爱好者参考。
输入电路:输入电路是全机信号最弱的地方,如果能在这里尽可能把信号增强,对全机灵敏度的提高将产生较大的影响。因此应当想方设法提高输入电路的效率。一般可采取以下措施:

(1)采用磁性天线,即将输入电路的线圈绕在一根磁棒上,如图(1)所示。由于磁棒是由导磁能力较高的铁氧体材料作成的,能聚集较多的磁力线,有效地吸收电磁波磁场的能量。因而使线圈中感应的电压增强。用磁棒的线圈与不用磁棒的线圈,其效率可相差几十倍。磁棒越长,接收的电磁波能量就越多,在线圈上感应的电压也就越大。实践证明,用φ10×200(直径10mm,长200mm)比用φ10×70的磁棒在其它条件相同的情况下,灵敏度可提高2~3倍。中波波段与短波波段应分别采用不同材料做的磁棒,如短波波段也用中波磁棒,则会因损耗大大而降低灵敏度。
(2)提高输入谐振回路的品质因数Q值。我们知道,外来信号在线圈上感应的电压是很小的,但是,由于L\(_{1}\)、C1所组成的谐振回路的谐振作用,在L\(_{1}\)上就产生一个较大的电压,这个电压是感应电压的Q倍。Q一般在几十到一、二百左右,Q值越高,L1上的电压越大。
用什么方法提高Q值呢?首先要采用多股线来绕制线圈。导体通过高频电流时,大部分电流是在导体的接近表面处流过,而导体中心几乎没有电流,这就是所谓的“集肤效应”。集肤效应的影响,相当于把导线截面积减小,因而使线圈的损耗电阻加大,降低了线圈的Q值。多股线和截面积相同的单根导线相比,可以流过高频电流的表面层部分的面积总和要大得多,这就使多股线对高频电流的电阻减小,即高频损耗减小,于是线圈的Q值得以提高。一般采用0.07×7~0.07×15的漆包或纱包线为宜。其次,为了使线圈能在磁棒上移动,线圈最好不要直接绕在磁捧上,一般是用纸管或塑料管作成骨架,将线圈绕在骨架上。但要注意,骨架与磁棒之间的空隙不可太大,否则将会因漏感大而降低Q值。最后,对于短波磁棒上的线圈,为了提高Q值,除用镀银铜线来减小导体表面电阻,以减小集肤效应的影响外,绕制的时候不要密绕,而要间绕,如图(2)所示。这是因为短波段频率高,密绕时圈与圈之间磁场相互影响严重,造成导线中的高频电流不均匀,使导线有效面积减小,增加导线电阻,降低Q值,这就是所谓的“邻近效应”。间绕的另外一个好处是减小了线圈间的分布电容。

(3)要有良好的匹配。在输入回路里接收到的信号是极其宝贵的,因此应当尽量无损耗地传送到变频管的基极去。但是输入回路的阻抗约为100KΩ,而变频级的输入阻抗为1~3KΩ。为了不致因阻抗不匹配而造成传输上的损耗,可以用调整L\(_{1}\)与L2圈数比的办法达到良好的匹配,一般取L\(_{2}\)的圈数为L1的十分之一左右。

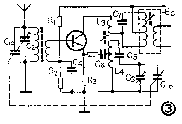
变频级:图(3)是一个中波段变频电路。为提高灵敏度,对变频级提出哪些要求呢?
(1)要选择合适的变频管集电极电流。理论和实践表明,集电极电流I\(_{C}\)与噪声系数Nf(衡量噪声大小的一个数值,N\(_{f}\)大,表示噪声大)和变频增益KP的关系如图(4)所示。由图(4)可知,I\(_{C}\)选在0.4~0.7mA较为适宜;小于这个数值范围,虽然能使Nf变小,但K\(_{P}\)也变小,不适用;大于这个数值范围,Nf变大,K\(_{P}\)变小,自然就更不适用了。

(2)变频管的穿透电流I\(_{CEO}\)和反向饱和电流ICBO过大,不仅使晶体管的工作状态不稳定,而且也使噪声增加,这对收音机的灵敏度影响较大。特别是当温度变化大时,影响更为显著。因此要求尽量选择I\(_{CEO}\)、ICBO小的晶体管。一般I\(_{CBO}\)要求在10μA以下,ICEO在200μA以下。如果无仪器测量时,可用万用表的R×1K档量集电极与发射极间的反向电阻,其阻值不得小于50KΩ。
(3)合理地调整本机振荡的强弱。本机振荡太强,容易产生自激,太弱,则变频增益下降,而且容易停振。因此必须很好地调整图(3)中的L\(_{4}\)与L3之间的耦合,同时也可适当调整C\(_{6}\)的大小,以调整反馈量。C6过大则要产生寄生振荡,过小,则可能出现灵敏度不均匀(即高频端与低频端振荡电流不同)及停振。中波段C\(_{6}\)选在0.01μF到5100pF之间,短波段选2000pF左右。
(4)要特别注意元件的选择和位置排列。电阻元件应选噪声低、热稳定性好的碳膜电阻或金属膜电阻。电容则应选损耗小容量稳定的云母电容、瓷介电容或玻璃釉电容等。输入电路线圈与振荡回路线圈要尽量远离,并保持垂直方向,以免互相影响。
频率统调的好坏也是影响灵敏度的一个重要因素。为了保证本机振荡频率比输入回路收到的任一电台的信号频率都高465千赫,人们总是把图(3)中的C\(_{1a}\)和Clb用同一个轴来调谐,叫作频率统调。但是,实际上在整个波段内只有高、中、低三个点能真正相差465千赫,而其它各点都稍有失谐。如果相差为465千赫的三个点选得好,如中波波段选550、1000、1550千赫,其它各点失谐则都比较小。否则由于跟踪不正确,造成较大失谐,就可能在某些电台频率上使振荡频率与信号频率之差远离465千赫,因而难以通过中频变压器,也就收不到这些电台的信号。
中频放大器:在超外差式收音机中,对灵敏度影响最大的还是中频放大器。因为中频频率(465千赫)比所接收的任何电台的高频信号频率都低,因此电路的分布参数影响较小,它的增益可以作得很高,而不像高频信号那样容易引起自激振荡,这就大大提高了灵敏度。又由于中频频率固定,不管所接收的是高频端的电台,还是低频端的电台,都能给以同样的放大,因此灵敏度也比较均匀。较好的收音机都采用两级中放,而且尽量提高每一级的放大量。
检波器:提高检波器的效率,也是提高灵敏度的一个重要措施。这就要求选择正向电阻小,反向电阻大的检波二极管,中频信号在这样的二极管上损耗小,检波效率高。一般选点接触型二极管,如2AP型均可。
至此,我们讨论了收音机的高、中频部分对灵敏度的影响以及提高灵敏度的措施。至于低频放大部分,一般说来对灵敏度没有直接的影响,只要有音频信号输入,它便能进行放大并推动喇叭发出声音。如果低频部分放大量不够,将会出现满度盘电台的声音均变小,但这和灵敏度低不完全是一回事。所谓灵敏度低,是指收音机难以收到或根本收不到远地电台的微弱信号,使收音台数显著减少,然而对接收本地的强电台,声音并不显著降低。

一架完好的收音机,如果灵敏度突然降低,怎样查找原因呢?由上面的介绍可知,灵敏度降低主要还是由于高、中频部分,即输入电路、变频级、中放级以及检波级的故障引起的,可根据各部分电路的作用,顺藤摸瓜,逐级寻找。如果有信号发生器和电子管电压表,按图(5)所示的方法检查最为方便。以收音机输出50毫瓦功率为标准(由电压及负载电阻计算而得),信号发生器送到第二中放管基极上的电压约为2~3毫伏,第一中放管基极约为几百微伏,变频管基极为几十到100微伏左右。如果某级与这些数值相差较大,则应该检查该级是否有问题。如果没有信号发生器,则可用触动基极时产生的咔咔声大小来判断。从检波级开始,逐级往前,应该是声音越来越大,即第一中放级要比第二中放级大,变频级要比第一中放级大。如果碰触时发现前级咔咔声不比后级大,甚至还小,则说明前级有问题。具体到某一级,造成灵敏度低的原因大致可分两类,一类是晶体管直流工作状态不正常,如变频管集电极电流减小时,本振有可能在某个电台频率时停振,就收不到那个电台的信号。另一类是电路中的元件数值变化或者失效。如变频管的基极旁路电容(图3中的C\(_{4}\))严重漏电时,就相当于给R2并联上一个小电阻,这会使变频管基极偏压减小,集电极电流减小,从而造成灵敏度下降。(周维田)