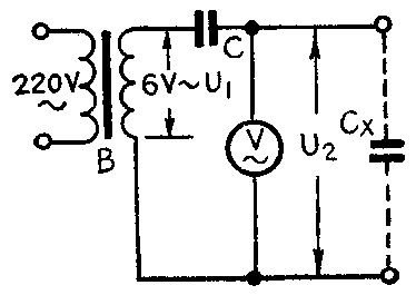
这里,向读者介绍一种测量电容的简易方法。测试电路见下图,图中B为次级电压6V的经济灯变压器。电容C为基准电容,可取与被测电容近似的数值,如100PF、1000PF、0.01μF、0.1μF等。交流压表可用万用表的交流10V档。根据电容分压原理,通过计算,便可得到被测电容的容量C\(_{x}\):
C\(_{x}\)=C(U1U\(_{2}\)-1)

设(\(\frac{U}{_{1}}\)U2-1)=a 则C\(_{x}\)=a·c
这里,事先计算出在不同U\(_{2}\)下的a值,列表如下:
U\(_{2}\) 5 4 3 2 1
(伏)
a 0.2 0.5 1 2 5
测试时,只须根据交流电压表所示电压(U\(_{2}\)),从附表中找出a,将基准电容C乘以a,就求得了被测电容Cx。例如:①C取100P,测得U\(_{2}\)=4V,则Cx=100PF×0.5=50PF,②C取1000PF,测得U\(_{2}\)=3V,则Cx=1000PF×1=1000PF,③C取0.01μF,测得U\(_{2}\)=2V,则Cx=0.01μF×2=0.02μF上述方法极为简便,值得大家一试。(高凤泉)