在自动控制、通信和电子设备中使用着各种开关、接触器、接线器和继电器,它们按电路的要求不断地接通一些接点,断开另一些接点,以完成预定的工作。在有电感的电路中,电路断开的瞬间,接点之间会产生电火花或电弧。由于电火花和电弧的烧蚀使接点表面凹凸不平经常造成接触不良的故障。电火花和电弧本身还是一个发射高频噪声的干扰源,会影响其它通信和电子设备的工作。因此为了保证设备工作可靠及消除噪声干扰,消除接点之间的电火花就成为一项很重要的工作。
电火花是怎样产生的

首先让我们看一下电火花是怎样产生的。图1是一个用接点K把直流电源电压U和电感线圈(如继电器线包)串联起来的电路,其中r是线圈的直流电阻。开关K闭合时,回路中有一直流电流I\(_{0}\)=U/r。当开关K突然断开时,回路电流便很快地由I0变为0。由楞次定律知道,这个电流的变化,将在线圈中引起一个自感电势e,这个自感电势有维持电流不变的趋势,它的方向和电源电压U的方向一致;它的数值与电感量的大小和电路断开的速度有关:电感量越大,e的值越高;开关K断开得越快,e的值也越高。一般e的数值要比电源电压U高出几倍。
由于自感电势e与电源电压U方向一致,两者叠加的结果,使接点K两端的电压U\(_{K}\)很高,当UK超过某一电压值U\(_{d}\)(通常是300~350伏)时,开关两接点之间的强电场将空气击穿,便形成气体放电并产生光和热,这种现象就叫作火花放电,而Ud则叫点火电压。如果接点之间的电流很大,就会发出很强的光,这时称为电弧放电。可见电火花或电弧是在极短的时间内通过接点的特殊形式的电流。
RC消火花电路
电感线圈中有电流通过时,该线圈便储存了一定数量的磁能。切断它的电路时,所以会产生一个很高的自感电势,根本原因是储存的能量没能及时泄放掉。如果我们想办法使这个能量通过其它途径消耗掉,不让它加到接点两端,就可以减弱或消灭电火花。常用的方法是在电感两端并联一个RC串联电路,如图2。当接点K断开时,线圈上的自感电势e可以通过电阻R和r对电容C充电,使电感中的能量在电阻R和r上变成热量消耗掉。从理论上讲,如果RC电路的时间常数τc(=RC)和电感线圈的时间常数。τL(=L/r)相等,即τc-τL,而且R=r时,则开关拉开后的任何时间内,RC电路中流过的电流i\(_{c}\)和电感中的电流iL大小相等方向相反并按指数规律下降(见图3),这就是说,由于自感电势而引起的电流i\(_{L}\)全部流向电容C的支路,不再流向接点电路,因此也就不会产生电火花。

怎样确定R和C的参数呢?从上面分析已知,当τc=τL,R=r时,消火花效果最好,所以应该取R=r,根据RC=L/r,求得C=L/r\(^{2}\)。例如,有一个继电器线圈的电感量L为3亨,线圈电阻为1.5千欧,求消火花电路R和C的数值。显然,R=r=1.5千欧,C=L/r2=1.3微法,取1微法。
用这种方法求出的电容量都比较大,因此电容器的体积也大,经济上和结构上都不理想。其实只要不使接点间的电压超过U\(_{d}\),就不会产生电火花。因此我们可以适当地加大R的阻值,减小C的容量,同样可以取得较好的消火花效果。一般R的阻值应该满足:
R≤\(\frac{300}{U}\)·r
电阻R的功率可按下面的近似公式求出:
P≈n(\(\frac{1}{2}\)CU\(^{2}\)+1;2LI\(_{0}\)2)
式中U是电源电压,I\(_{0}\)是开关K闭合时的回路电流,n是接点每秒开断次数。电容C=L/(R×r),再小一点也可以。其耐压UC≈U(1+\(\frac{1}{R}\)\(\sqrt{L;C}\)),一般选耐压为电源电压的几倍就可以了。
由于闭合和断开开关的过程中发生的现象是很复杂的,不可能给出精确的计算方法,因此按以上方法算出元件参数后,最好先接在电路中试一下,再根据具体情况适当调整R和C的值,以取得更好的效果。
此外,也可以把消火花的RC电路并联到开关K的两端,如图4。它的原理和并联在线圈两端是相同的。

用一个元件的消火花电路
在串联的RC消火花电路的基础上,可以省掉电容C,只用一只电阻作为消火花电路,如图5a。图中电阻R为泄放电感中储存的能量提供了通路。电阻R可以并联在线圈两端(图5a),也可以并联在开关两端(图5b)。在这种消火花电路中,从把电感中储存的能量尽快地泄放掉这点来考虑,电阻R的值应该取小一点。但电阻值小了以后,对图5a的电路来说,会使电源的负担加重,而对图5b的电路来说,接点断开后电感L中仍有电流通过,有可能破坏电路的正常工作。由于存在着这样的问题,所以电阻R的值又应该取大一点。实际使用时必须两者兼顾而取一个适中的数。最好是能找到这样一种元件:其阻值随着不同条件而变化,既不影响原电路的工作,又能起消火花的作用。于是人们便想到了半导体二极管。它的电阻值是随着所加电压的正负极性而变化的。把它按图6的方式并联到电感线圈的两端,由于二极管的正极接在电源负端,所以接点闭合时,二极管是反向连接,它的反向电阻高达几十千欧或几百千欧,对电路没有影响。当接点断开、线圈自感电势e加到二极管上时是正向连接,其正向电阻只有几十欧或几百欧,所以这时又起到一个小电阻的作用,使线圈储存的能量很快地变成热能消耗掉。

怎样确定二极管的参数呢?
正向电流:由于电感电路中电流不能突变,所以在开关拉开之后二极管D中的电流是在I\(_{0}\)=U/r的数值上按指数规律下降的。也就是说,二极管中通过的电流最大不超过I0,因此选二极管的正向电流略大于I\(_{0}\)就行了。
反向击穿电压:因为在开关K闭合时,加在二极管两端的反向电压就是电源电压U,所以只要选二极管的反向击穿电压略高于电源电压值就可以了。
在开关电路中,有时需要在晶体管的集电极回路接入继电器、电磁铁线圈等电感性负载,如图7所示。当晶体管BG由导通变截止的瞬间,在电感线圈中就产生自感电势eL,这和接点断开时的情形一样。虽然晶体管是一个无触点开关,不会产生电火花,但这个自感电势却和电源电压叠加并加到晶体管集电极和发射极之间,如果eL数值很高,就有可能把晶体管击穿。为了保护晶体管,可以仿照消火花电路的方法,在电感L上并联一个半导体二极管D(图8),利用它正向电阻很小的特性把eL短路来降低eL的数值。这个二极管就叫保护二极管。有时也因为它给电感中的电流提供了一个持续流通的通路,而把它叫作“续流二极管”。确定续流二极管参数的方法和消火花电路相同。因为晶体管BG的最大允许集电极电流I\(_{CM}\)是根据电路中的最大电流来确定的,也就是说,电感L中的电流不会大于ICM,所以在选择二极管D的额定电流时,可以由晶体管的I\(_{CM}\)来确定。

另外还有一种非线性元件叫压敏电阻,其阻值随所加电压的数值而变化,也是较好的消火花元件。图9是压敏电阻的特性曲线,从该曲线看到,当所加的电压低于U\(_{y}\)时,它的电流很小,即阻值很高,可达几百千欧或几兆欧;当所加电压超过Uy时,它的电流就迅速增大,也就是阻值猛降到只有几十欧或几欧。U\(_{y}\)叫作压敏电压。

把压敏电阻U\(_{y}\)并联到电感线圈两端,如图10,就可起消火花的作用。当开关接点闭合时,Uy两端的电压就是电源电压U,其数值低于U\(_{y}\),Uy呈现出很高的阻值,所以对电路没有影响。当接点断开的瞬间,加到U\(_{y}\)两端的电压可以近似地看成是线圈的自感电势eL,其数值远大于U,也大于Uy,因此U\(_{y}\)呈现出极低的阻值,于是线圈中储存的能量通过Uy泄放掉,接点就不会产生电火花。目前有些电话通信设备中就是用氧化锌压敏电阻作消火花元件的,效果较好。
交流电源会产生电火花吗?
加交流电源的电感线圈,在突然切断开关时,也会产生一个自感电势,只要这个自感电势超过接点的点火电压,同样会产生电火花。在交流电源电压较低时,例如在几十伏的范围内,也可以采用在开关接点上并联电阻的消火花电路,其阻值R≤\(\frac{300}{U}\)\(_{m}\)·Z。Um为交流电压的峰值,Z为电感线圈的交流阻抗。但是当使用的交流电源是市电220伏时,它的峰值U\(_{m}\)≈310伏,已经达到了点火电压Ud的数值,如果还采用这种消火花电路,那么由上式求出的R值必然较小,这样就使电路的开关在接通和断开时,流过线圈的电流数值变化不大,失去了控制作用。在交流电源时也不能用在线圈上并联二极管的消火花电路。因为在电源电压为负半周时,电感负载会被二极管短路。不过在强电系统中,由于电压高,电流大,使用的开关接点面积也大,因此人们注意的往往不是电火花,而是电弧造成的危害。因此大家都是想办法采取灭弧的措施。在强电系统中使用的接触器内部都有灭弧装置,如交流接触器中装有“灭弧栅”,直流接触器中则有“吹弧线圈”等。使用这些部件时一般不需要再加灭弧电路。带灭弧装置的接触器的符号如图11。

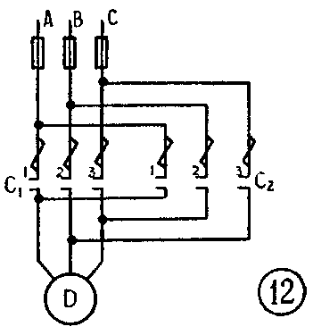
加了灭弧装置的接触器只是减弱了电弧的不利影响,并没有从根本上消灭电弧,不注意这一点,也容易使设备造成故障。例如在自动控制电机正转和反转的电路中(图12),如果在触点C\(_{1}\)刚拉开后立即接通C2,由于触点C\(_{1}\)拉开的瞬间产生的电弧还没有熄灭,还有电流流通,就可能造成C1、C\(_{2}\)都和电源连通的状态,使电源短路。这个问题可用延时的办法解决。常用的方法是使用中间继电器,就是在C1触点拉开时,先使中间继电器动作,再由中间继电器带动C\(_{2}\)接通电机电源。因为中间继电器有一定的动作时间,它就起着延时的作用,因此触点C2闭合时,触点C\(_{1}\)之间的电弧已经熄灭,于是避免了电源短路的危险。(方波)
