一般晶体管延时开关(图1)如果关断后立即再开启,由于电容器C\(_{T}\)经由晶体管BG的基射结放电速度较慢,常造成延时指标降低。为克服上述缺点,笔者试制了两种具有自放电回路的晶体管延时开关。

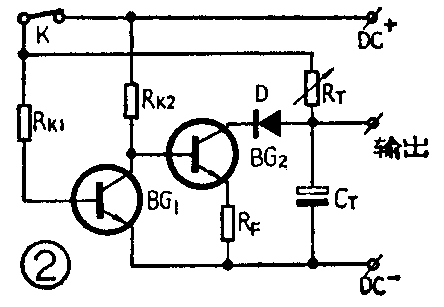
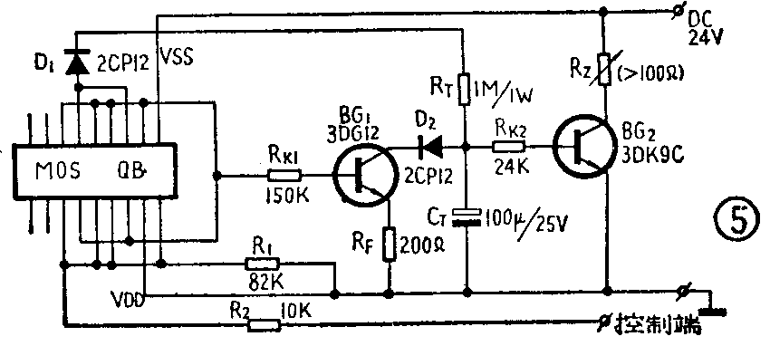
1.图2是一种用晶体管控制的具有C\(_{T}\)自放电回路的晶体管延时开关原理图。常态时BG1截止、BG\(_{2}\)导通,CT经D、BG\(_{2}\)和RF构成回路,处于放电状态。当合上开关K后,BG\(_{1}\)导通,BG2截止,延时电路正常工作。当再断开开关K时,电容C\(_{T}\)又经D、BG2、R\(_{F}\)放电,因回路阻抗很小,放电速度较快。RF越小,放电越快。实际使用电路见图3,输出端加了一级3DK9C,使推动能力达0.5瓦左右,延时时间由R\(_{T}\)CT决定,本电路约为2分钟。


2.图4是一种用集成电路控制的具有C\(_{T}\)自放电回路的延时开关原理图。用两个非门和一只晶体管组成控制电路。常态时,控制端为“0”(低电位),非门F1的输出端为“1”(高电位),晶体管BG导通,电容器C\(_{T}\)经D2、BG、R\(_{F}\)构成回路,处于放电状态。F2的输出端处于“0”态,延时电路不工作。当控制端加上“1”信号后,两个非门翻转,F\(_{1}\)的输出端为“0”,使晶体管BG截止;F2的输出端为“1”,经R\(_{T}\)向CT充电,延时开始。实际使用电路见图5,输出功率和延时时间均与图3相同。图中D\(_{1}\)、D2为反向隔离二极管,R\(_{1}\)为保护电阻,R2为降压电阻,R\(_{Z}\)为负载电阻。(李忠善)

