这种无线话筒体积较小,线路简单,易于制作。它的发射频率在88~108MH\(_{Z}\)范围内,用调频收音机和带调频波段的收录机都能收听,一般接收距离在80米以上。因此,它可以用于教学演示、军事体育及交通等方面。
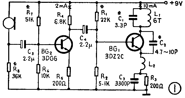
无线话筒的电路见图1,实际上是一个调频发射机。话筒把人的语言转换成电信号,这一信号经BG\(_{2}\)等组成的放大器放大后,加至BG1的基极。BG\(_{1}\)、C1、L\(_{1}\)、C2、L\(_{2}\)等组成高频振荡器,改变C1可以改变振荡器的频率。由于电路中,BG\(_{1}\)的集电极~基极的PN结处于反向偏压状态,结电容Ccb就并联在L\(_{1}\)C1谐振回路两端,当这个结电容容量发生变化时,也能改变振荡频率,在电路中,正是利用结电容的这一变化,来完成调频的。因为人们的讲话声经话筒后,变成一个音频电信号,这个信号作为调制信号经BG\(_{2}\)放大后加到BG1的基极,于是BG\(_{1}\)的集电极~基极反向偏压发生变化,从而使极间电容Ccb随调制信号而变,使得高频振荡器的振荡频率也随着调制信号而变化,实现了调频。

被调制的信号由调谐回路直接向外辐射,省去了发射天线,以减小体积。
电路中BG\(_{1}\)用3D2ZC(业余品),β值大于80、fT>700MH\(_{Z}\),也可以用类似的管子代替。BG2用3DG4~3DG6,β>100。
振荡部分的电容最好采用云母电容,也可采用高频瓷片电容,容值要准确、稳定,以免影响振荡频率。线圈L\(_{1}\)用线径为1mm的漆包线在直径为10mm的铅笔头上间绕6圈,然后脱胎成空心线圈。高频阻流圈L2用线径为0.1mm的漆包线在1/8瓦的1MΩ的电阻上乱绕65~70圈,电感量约为3.2μH。
电池用9伏积层电池,整机耗电不小于15毫安。话筒用驻极体电容话筒。
由于本机体积小,所以结构紧凑。元器件焊在图2所示的印制板上(1∶1),印制板要用高频损耗小的环氧树脂敷铜板。焊接前要对每个元器件先检查。焊接时,元器件脚要先刮好再镀锡,以免虚焊。

焊接好以后调试时,将电流表串入BG\(_{1}\)的集电极回路,调电阻R1使BG\(_{1}\)的集电极电流为10mA,这时电路应起振。此时,电流表指针有轻微的摆动。若电路未起振,就要适当调整C2或检查元器件及电路。有条件者,也可以用示波器观测。如果没有电流表和示波器,可用一台调频收音机靠近它,不断地用一把起子敲打L\(_{1}\),调收音机的调谐旋钮,直到出现敲打声为止。若发射频率与广播电台频率重迭或靠近,应拉长或压缩L1线圈,躲开电台。BG\(_{1}\)部分调好后,将电流表改接在BG2的集电极回路,调整电阻R\(_{7}\)使BG2的集电极电流在2mA左右,这时靠近话筒讲话时,收音机应能接收到。
由于话筒所需要的极化电压不完全相同,所以电阻R\(_{8}\)的数值要调整,使得声音清晰、音量最大。
整体安装见图3。机壳用有机玻璃粘成,尺寸为33×45×20(毫米)。电池放在外面。使用时电池就作为话筒的手柄,但手握电池时,不要用手接近话筒,以免频率漂移。

如果元器件好的话,一般接收距离在80米以上。若接收距离拉不开,可能是BG\(_{1}\)的fT不够,或者频率不对,接收的是谐波。(钮云超)