一个设计良好的电视机电路板,由于接地点安排不当,可能使电视机产生自激、干扰和调制等不正常现象。这是由于公共地线存在一定的电阻和电感,当有交流电流通过时,必将呈现一定的阻抗,在地线的各个不同的接地点之间,产生交变电压降,再通过公共地线使各级电路之间产生有害的耦合,破坏了电视机的正常工作。例如公共地线某两点之间的阻抗为0.01~0.1欧,当功率级的交变电流为1安时,就会产生0.01~0.1伏的峰值电压。如果此电压放大或输入到信号较弱的前级,就会造成较大的干扰。
由于接地点处理不当而造成各级电路之间的干扰,主要有两种表现形式:一是电路工作频率较低,但电流较大,这时主要由地线电阻产生的电压降而造成干扰。这种情况常出现在行、场扫描级和低频功放级。另一种是工作电流不大,但电路工作频率较高,这时主要由地线电感产生的电压降而造成干扰。这种情况常出现在电视机的图象和伴音通道。消除上述两种干扰的主要方法是采用一点接地。所谓一点接地,就是将本级的集电极与发射极、基极与发射极回路的所有接地元件,尽可能就近焊接在一个接地点上,如图1所示。在某些情况下,由于体积限制而无法使本级元件就近接地时,采用接地线分支,也是排除干扰的一种方法,如图2所示,这同样可以收到一点接地的效果。采用此种方法接地,元件的排列比较灵活。


下面介绍几种实现电路一点接地的方法:
①行、场输出级,由于有远离本级的负载——偏转线圈,可采用导线进行单独连接,使负载与本级的其他元件做到一点接地。对于体积较大的元件,可采用分支接地的方法。图3为飞跃9D3型电视机行输出部分的印制电路板图,图中行逆程电容、行输出管发射极、偏转系统、阻尼管等,接在一个分支接地线上。由于接地比较集中,所以抑制行辐射的效果较好。如果由于元件排列原因不允许某些元件就近接地,应将同一接地点的各元件,安排在一个接地分支上。图4是星火牌JDS3型电视机的行输出部分的印制板,虽然行偏转线圈离行输出管发射极较远,但仍然在同一个接地分支上。


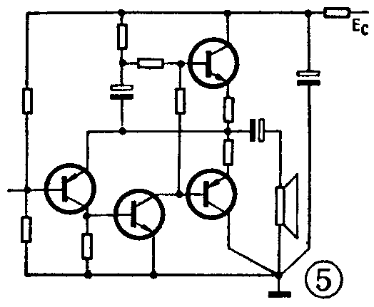
②音频功放级需要将功放管、喇叭、滤波电解电容等元件,接在一个接地点上,如图5所示,不允许随意接地。如果将这些元件接至前级的地线上,放大器就可能产生自激、啸叫和失真。

③稳压电源部分的各接地元件,不仅要求做到一点接地,而且要求这些元件尽量靠近,不能将这些元件置于较远的位置,用较长的导线联接。同时,应尽可能使稳压电源与各供电电路接近,以便减小电源内阻。
合理地安排地线布局,处理好地线分支问题,也是消除干扰的主要方法。在一块印制电路板上,有时需要将不同电路部分排在一起时,地线的布线必须做到以下两点:①各部分电路的地线必须分开,尽量减少各部分公共地线的长度;②总接地点的引出必须合理。地线布局上应尽量避免采用象图6(a)、(b)那样的环形和一根总地线上逐段分配的方法,而应该象图6(c)那样,采用辐射状的,即从一点总地线分成若干个接地分支。图7是凯歌牌4D8电视机的通道、扫描印制板接地示意图,从总的接地点引出三个接地分支,分别供给行扫描、场扫描和通道。伴音中放及鉴频电路的地线单独引出,并与低放部分连成一个分支。各支路地线的尾端应互相分隔开,保证各个部分的信号不互相干扰。总接地点选择在A、B两点显然是不合理的,应该选择在C点。


在一块印制电路板上究竟应该分多少个地线分支,要根据电路的具体情况来决定,并不是分得越多越好。要注意几点。①不能将直接耦合的两部分电路的接地分开;②不能将电容耦合的弱信号部位的两部分电路的地分开。③后级交、直流回路的电流应绝对避免流经前级回路的地线。在电视机中,不能将通道与视放、鉴频输出与低放、行鉴相与行振荡之间的地线分开。图8是一种比较合理的接地线分配方法。伴音中放和通道在伴音分离输入中周的初次级处分开;通道和行、场扫描电路分别在同步分离管集电极电路上分开,这样就会避免各部分电路之间的干扰和影响。(诗卫)
