高传真扩音机的输入级常采用场效应管,其优点是输入阻抗高、噪声低。在业余制作条件下如果买不到场效应管怎么办?本文向读者介绍一种用晶体三级管代替场效应管的方法。
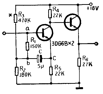
附图为一个具有自举作用的直接耦合射极输出器。我们知道,一般射极输出器本身的输入阻抗是比较高的,但由于其基极偏置电阻不能取得太大(为了保证晶体管工作点稳定,锗管偏置电阻一般不应大于几千欧,硅管不应大于几十千欧),这就限制了电路输入阻抗的提高,但是,在附图中增加了一个电容C以后,就能使电路的输入阻抗大大提高。

图中自举电容C实际上是一个正反馈电路。当从输入端(a点)输入一个交变信号时,因为射极输出器的电压增益K≈l且输入与输出信号同相,所以c点电位不仅和a点电位同相而且电位近似相同。又由于容量较大的自举电容c的作用,将c点电位的变化反馈到b点,使b点电位和c点电位同相且数值近似相等,这样就使R\(_{1}\)两端的电位差近似于零,R1中就几乎没有电流流过,呈现出很高的交流阻抗,输入信号也就不再会被偏置电路旁路了。经使用,这种方法效果很好,尤其与晶体唱头相配用时效果更好。
图中晶体管的噪声系数最好选N\(_{F}\)≤5的。(田家玉)