超外差晶体管收音机通常有两级中频放大器,三个中频变压器均调谐于465KH\(_{Z}\),所以中频增益可达60dB。与中放级相关的元件损坏;静态工作点偏高;或自装收音机布局不合理均极易引起自激。中频自激的现象多表现为噪声增大;信号两侧出现差频啸叫;严重的整个波段出现差频叫声或汽船声。

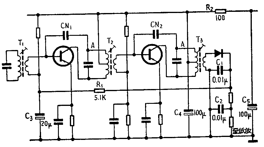
产生中频自激的原因多见于以下几种因素:①检波电路的旁路电容开路或失效。图中所示的C\(_{1}\)、C2担负检波后中频及音频谐波的旁路作用。当C\(_{1}\)或C2开路时,残存的中频分量将由AGC电路反馈至一中放基极;同时音频谐波分量也因没有低阻通路而被送入音频放大器。C\(_{1}\)、C2断路时,常出现尖锐的啸叫。②C\(_{3}\)是自动增益控制电路的旁路电容。检波之后的信号有直流和交流两种成份。经过R1、C\(_{3}\)的滤波作用,滤除了交流成分得到平滑的直流电压,经中频变压器T1的次级送入一中放基极,以便控制一中放增益。C\(_{3}\)开路或失效时,交流也一起送到了一中放,相位与中频信号一致时就造成自激。另外C3也是一中放基极线圈对地的沟通电容,C\(_{3}\)一断路就会使一中放基极与其他级发生交连。C3开路引起的自激现象多是差拍叫声和汽船声。③C\(_{4}\)是电源去耦电容,起着去耦合和防止级间交连的作用。C4开路,则各级交流信号电流不得不流经去耦电阻R\(_{2}\)经C5入地,这样R\(_{2}\)两端将产生各种频率的电压,使得级与级之间发生了交连,当这种交连相位上满足振荡条件时,就引起强烈自激。C4开路表现为强烈的汽船声和啸叫声。④中和电容开路。锗高频管的集电极与基极之间存在着1~3PF的结电容C\(_{c}\),它不利于中频的稳定性,易引起自激。在中频变压器的A点至基极之间加一个接近Cc的中和电容,就能使该级中放工作稳定。如果CN\(_{1}\)、CN2之一开路,就会使中频放大器工作不稳定,甚至自激。⑤一中放或二中放的发射极电容对地短路将使该级的基极偏压提高,静态工作电流增加,也容易引起自激。⑥中放管的某些参数如I\(_{VEO}\)、ICBO、R\(_{bb}\)增大或β过大都容易产生自激。
除以上因素之外,自装收音机的变频、中放的走线、元件排列不当,均会因分布电容、分布电感的作用而产生寄生耦合;与中放、变频有关的元器件接地点不当,也会因公共地线的公共电位差而发生交连。这种原因引起的自激,只有重新合理布局来消除。自装机还有一种自激原因,即中频变压器初级两引线的位置颠倒,使得圈数多的一部分线圈成了集电极负载。此时负载阻抗增高,增益上升,容易出现严重自激。
以上所述,凡属电容开路的故障,可用容量接近的好电容并联试一试。属于增益过高的应该降低增益,中放管的β值一般宜选在40~65。一中放静态工作点取0.3~0.6毫安、二中放的静态工作点取在0.6~0.9毫安。
使用万用表测量检波输出对地的电压,或测量AGC所控制的那级中放的工作电流均能迅速判断是否有中频自激。因为有中频自激的时候,检波输出的直流电压很高,此时被AGC控制的中放级工作电流比正常的情况小得多。遇到这两种情况可初步判断为存在中频自激。(欧贤宗)