5G1555时基电路是一种将模拟功能和逻辑功能巧妙地结合在同一硅片上的新颖的线性集成电路。这种电路可以应用在微型计算机、电子控制、电子检测、电子乐器、电子报警、电子定时等许多方面。本文简单介绍它的内部电路,并介绍它在延迟电路、变换电路、波形形成电路、模拟声响电路、监控电路等方面的典型应用。
基本工作原理
图1是5G1555的方框图。5G1555时基电路包括两个电压比较器、一个分压器、一个双稳态触发器、一个放电晶体管和一个功率输出级。在这个电路中,比较器Ⅰ称为上比较器,它的反相输入端固定设置在\(\frac{2}{3}\)V\(_{CC}\)(VCC为电源电压)上,它的同相输入端(⑥脚)用作阈值输入端,用以监测外部时间常数回路中电容C\(_{T}\)上的电压。比较器Ⅱ称为下比较器,它的同相输入端固定设置在1;3VCC上,反相输入端(②脚)作为触发输入端,用以起动电路进行工作。用这两个比较器的输出来控制双稳态触发器工作,这双稳态触发器具有复位端(④脚),当④脚处于地电位时,整个电路的输出端(③脚)为低电平,即电路具有复位优先的特性。5G1555的⑤脚为“控制端”,它实际上是上比较器的基准电压端,如图1的情况,⑤脚电位等于23V\(_{CC}\),上比较器的基准电压也为2;3VCC。如果⑤脚接一个6V稳压管,则上比较器的比较基准就是6V,而下比较器的基准电压成为\(\frac{1}{2}\)×6V=3V。如果⑤脚接一交变电压(例如正弦波),则上、下比较器的比较基准值随时间变化,从而使外部充放电的时间也随之变化,可以起到调制的作用。

5G1555时基电路的内部完整电路示于图2。其中BG\(_{1}\)~BG8组成上比较器,BG\(_{9}\)~BG13组成下比较器。上比较器是一个由NPN管复合结构作输入的两级差分放大器,下比较器则是由PNP管组成复合输入级的差分放大器。BG\(_{14}\)到BG16构成直耦式并具有R\(_{11}\)正反馈的双稳态触发器。其中BG15和BG\(_{14}\)的基极分别受上比较器和下比较器控制。三个电阻R7、R\(_{8}\)、R9的阻值严格相等,它们组成一个内部分压网络,由它分别提供上、下比较器的比较基准电压(即\(\frac{2}{3}\)V\(_{CC}\)和1;3VCC)。BG\(_{18}\)到BG21为功率输出级,能输出100mA~200mA的电流,故可直接带动小型电机、低阻扬声器等功率负荷。BG\(_{22}\)是复位放大管,BG23是一个能承受50mA以上电流的放电晶体管。

从图2我们可以看出:当⑥脚电位高于\(\frac{2}{3}\)V\(_{CC}\)时,BG1、BG\(_{2}\)导通,BG3、BG\(_{4}\)截止,结果使BG6导通、BG\(_{7}\)截止。若此时下比较器设有触发信号输入,即②脚电位高于1;3VCC,则BG\(_{6}\)的集电极电流注入BG15的基极使BG\(_{15}\)饱和,从而使BG16截止、BG\(_{18}\)导通,输出为低电平。同时,BG18的导通迫使放电管BG\(_{23}\)也导通。此时即使⑥脚电平变低,但由于R11的正反馈作用,BG\(_{15}\)的基极电流通过R11提供,状态一直保持下去。之后,若②脚输入一个低于\(\frac{1}{3}\)V\(_{CC}\)的触发信号,BG9、BG\(_{1}\)0导通,BG11、BG\(_{12}\)截止,使BG14基极得到一较大的注入电流而饱和,这样就使得BG\(_{15}\)从导通变为截止,整个触发器状态翻转,③脚输出高电平。由于R11的正反馈,此状态也能一直保持,直到⑥脚再出现高于2;3V\(_{CC}\)的电平时,过程又开始重复。表1列出5G1555的主要电参数。

典型应用
1、定时电路
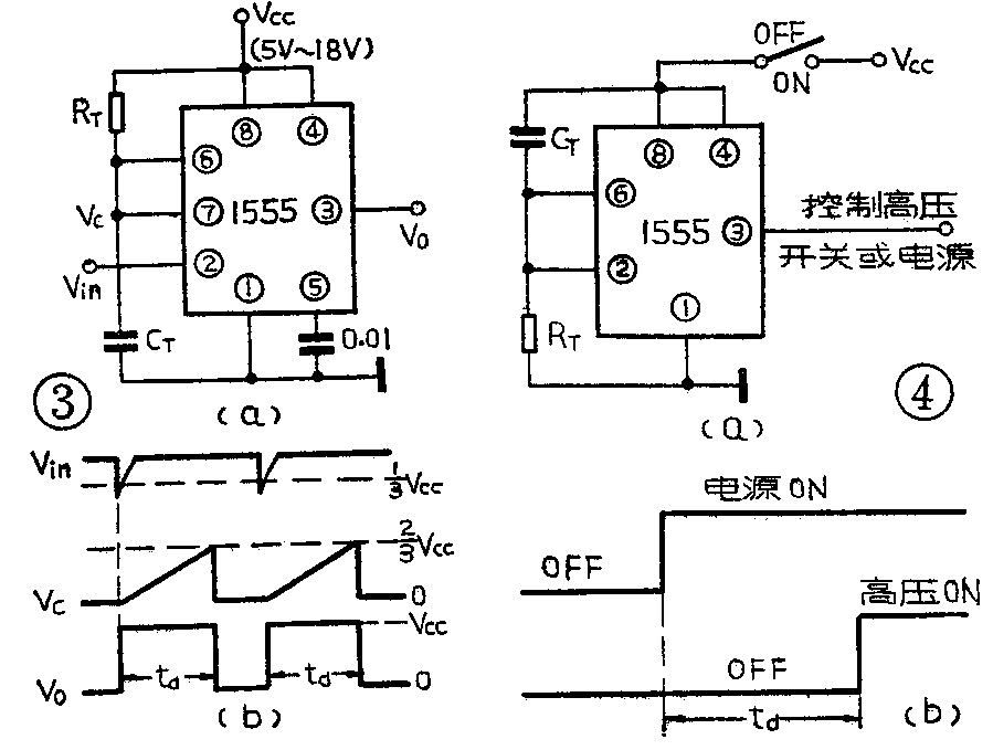
利用5G1555可以构成各种定时电路,例如开机高压延迟电路、照相定时曝光电路等等。其基本电路及原理可用图3来说明。
接通电源后,由于②脚无触发信号输入,电路处于初始复位状态,③脚输出为低电平。此时BG\(_{23}\)(见图2)导通,电容CT被短接,不能充电。
当②脚被负向脉冲V\(_{in}\)触发时(Vin≤13V\(_{CC}\)),输出从低电平跳到高电平(见图3b), BG23截止,电容C\(_{T}\)经RT充电,V\(_{C}\)电位从0上升,直到VC≥2;3V\(_{CC}\)时,⑥脚即阈值输入端受到触发,上比较器翻转,输出V0跳变为低电平,BG\(_{23}\)再次导通,CT又被短接,直到下次②脚再被V\(_{in}\)触发为止。电路暂稳时间td≈1.1R\(_{T}\)CT。

图4a是开机高压延迟电路。开机后,5G1555的电源接通,由于C\(_{T}\)来不及充电,故⑥、②脚处于VCC电位,上比较器使输出复位,③脚输出为低电平。随后C\(_{T}\)充电,⑥、②脚电位从VCC开始下降,直到②脚电位低于13V\(_{CC}\),下比较器翻转,输出由低变高,并一直保持下去,直到关机为止,如图4b所示。电路输出可直接带动继电器或直接作高压驱动级的工作电压。
2、速率检测电路
图5a是检测汽车速率的汽车路码表电路。汽车在行驶时,点火线圈的点火次数与车速是成正比的,也就是说,点火线圈的接通、断开频率与车速成正比。点火线圈的接通与断开会产生脉冲信号,利用这一信号,用一块5G1555即可构成路码表。

点火线圈因接通、断开产生的尖峰脉冲被1K电阻和DW\(_{2}\)稳压管箝位整形后,负向脉冲作为触发信号送到②脚,每一负向触发脉冲使定时电路翻转一次,在③脚产生一个宽度为tu=1.1RC=1.1×50×10\(^{3}\)×0.1×10-6=5.5mS的输出脉冲。车速不同时,输出波形V\(_{o}\)的占空系数(Dy=\(\frac{t}{_{u}}\)T)随之变化,电表指示出Vo的平均值,I\(_{A}\)≈VCCt\(_{u}\);T,车速快tuT\(_{1}\)大,车速慢tu;T\(_{2}\)小,从而IA表示了速度的大小。
3、振荡器

用5G1555还可以接成各种形式的自激多谐振荡器,图6a是基本原理图。当电路刚接通电源时,由于C上来不及充电,故②脚处于0电平,导致输出为高电平。当电源经R\(_{A}\)、RB向C充电直到V\(_{C}\)≥\(\frac{2}{3}\)VCC时,输出由高变低,放电管导通,电容C经R\(_{B}\)和放电管放电,到VC≤1;3V\(_{CC}\)时,输出由低变高。电容再次充电,过程周而复始,形成振荡。
充电时间:
t\(_{充}\)=(RA+R\(_{B}\))Cln(VCC-2;3V\(_{CC}\);VCC-\(\frac{1}{3}\)V\(_{CC}\))
≈0.693(R\(_{A}\)+RB)C
放电时间:t\(_{放}\)=RBCln(\(\frac{V}{_{CC}}\)-2;3VCC;V\(_{CC}\)-\(\frac{1}{3}\)VCC)
≈0.693R\(_{B}\)C
振荡周期:T=t\(_{充}\)+t放≈0.693(R\(_{A}\)+2RB)C
f=\(\frac{1}{T}\)≈1.443;(R\(_{A}\)+2RB)C
占空比:D\(_{V}\)=t充T=R\(_{A}\)+RB;R\(_{A}\)+2RB
显然,改变R\(_{A}\)、RB可以改变频率和占空比,实际测试表明,振荡频率可在0.001Hz~500KHz间任意调节,占空比可在0.01%~99.99%范围内调节。

图7示出一个占空比可从0.01%~99.99%调节的实际电路。图中二极管D\(_{1}\)为充电引导管,D2则为放电引导管,当电位器W中心端滑向右端时,占空系数D\(_{y}\),为:
D\(_{ymax}\)=t充T=1K+10M;(1K+10M)+1K≈99.99%
当W滑向左端时占空系数为:
D\(_{ymin}\)=t充T=1K;1k+(10K+1k)≈0.01%
然而振荡周期为T=0.693(10M+2K)×0.01×10\(^{-6}\)是常数,不受电位器中心端位置的影响。
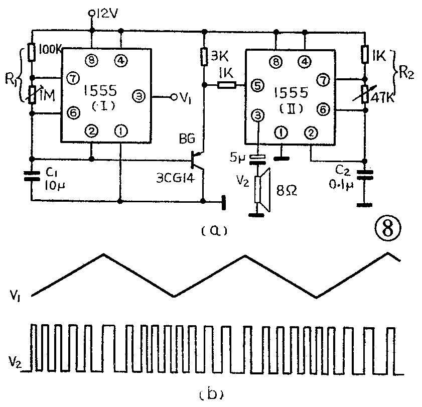
4、模拟声响电路
利用5G1555接成振荡器的电路,加上利用其⑤脚控制端,可以构成多种模拟声响电路,例如电子玩具中的动物鸣叫声,电子乐器的各种和声等。图8给出一个可用于消防、救护等车辆上的警笛声响电路。改变图中两个不同频率振荡器的时间常数,可以使不同用途的车辆有不同的声响。从图上可以看到,第(Ⅰ)块5G1555是一个振荡频率较低的振荡器,其输出为锯齿波,用作对第(Ⅱ)块5G1555的调制信号(从⑤脚输入),实际上是用来改变(Ⅱ)中两个比较器的参考基准电压,从而使(Ⅱ)的振荡周期受锯齿波的控制,使V\(_{2}\)输出一个调制波,获得所需的变音调声响效果。(Ⅱ)的输出可直接推动喇叭。

5、恒温控制电路

图9是用来控制温度的恒温控制电路,图中R\(_{7}\)是一只热敏电阻。设被控温度范围为tmax~t\(_{min}\),两个温度对应的热敏电阻阻值为Rth和R\(_{tc}\)。当温度低于tmin时,R\(_{7}\)值>(R1+R\(_{2}\)),使②脚电平低于\(\frac{1}{3}\)VCC,输出V\(_{o}\)为高电平,电热丝通电加热,温度升高,R7值开始降低,直到R\(_{7}\)=Rth预定值,此时应满足以下条件:
V\(_{6}\)=R2R\(_{th}\)+R1+R\(_{2}\)VCC≥2;3V\(_{CC}\)
输出V\(_{o}\)由高变低,加热电路切断。同时⑦脚相当于接地(因BG23导通),使②脚电位为:
V\(_{2}\)=R3//(R\(_{1}\)+R2)R\(_{tc}\)+R3//(R\(_{1}\)+R2)V\(_{CC}\)
因加热电路被切断,温度下降,R\(_{7}\)值逐渐变大,当温度降到tmin时,R\(_{7}\)=Rtc,使V\(_{2}\)≤\(\frac{1}{3}\)VCC,电路输出V\(_{o}\)又变高,电热丝又通电加热,温度又上升。通过适当选取R1、R\(_{2}\)、R3的阻值就能使温度保持在t\(_{min}\)到tmax之间。
6.镍镉电池充电监视电路

图10为镍镉电池充电自动控制电路。图中电位器R\(_{1}\)和R2用来设定充电和关断的参考点。当充电电压超过额定值8.4V时,⑥脚电位高于5.6V,使输出切断。反之,当充电电压低于7.8V时,②脚电位低于125.6V,输出变高,接通充电电路。(上海元件五厂 王国定)