PM-1型高频调谐器用于匈牙利TC—1612型(12英寸)、TA—3301(20英寸)及TA—5301(24英寸)电视机中。它是一种电调谐高频调谐器(俗称电调谐高频头)。接收频率分为三个频段,其中VHFⅠ—Ⅱ为1—5频道(49~92MHz);VHFⅢ为 6~12频道(167~223MHz);UHF为21~62频道(470~800MHz)。所有频道都采用同一个天线输入端。调谐器电路组成方框图如图1,电路图如图2,共采用了四只晶体管,其中T\(_{1}\)(BF479S)是各个频道共用的高放级晶体管;T2(BF679M)是UHF频段变频级晶体管;T\(_{3}\)(BF173)是VHF的混频级兼作UHF的中频放大级;T4(AF139)是VHF频段的本机振荡级。


下面一一介绍调谐器各部分的工作原理。
输入回路
VHFⅠ—Ⅱ频段、VHFⅢ频段及UHF频段,三个频段的输入回路之间依靠开关二极管D\(_{1}\)和D2进行转换。
当调谐器12脚加上12伏电压时,工作于VHFⅠ—Ⅱ频段。此时开关二极管D\(_{1}\)(见图2)导通,输入回路的等效电路如图3所示,构成40~100MHz的带通滤波器。图中C7和L\(_{5}\)串联谐振于VHFⅢ频段,滤除该频段的信号。

当调谐器11脚加上12伏电压时,工作于VHFⅢ频段。这时开关二极管D\(_{2}\)导通,输入回路的等效电路如图4所示,构成168~230MHz的带通滤波器。图中L10、C\(_{1}\)0串联谐振于VHFⅠ-Ⅱ频段,滤除该频段的信号。

当调谐器的11、12脚都加上12伏电压时,D\(_{1}\)D2两个开关二极管全都导通,调谐器工作于UHF频段。此时输入回路的等效电路如图5所示,构成470~800MHz的带通滤波器。图中C\(_{7}\)L5串联谐振于VHFⅢ频段;C\(_{1}\)0L10串联谐振于VHFⅠ—Ⅱ频段,分别滤除该两个频段的信号。

高频放大级
高放级电路为共基极放大电路,电路如图6所示。高放管T\(_{1}\)(BF479S)是一硅平面PNP三极管,其特点是交叉调制小,噪声低。这个管子固定加上12伏电压,对各个频段都处于工作状态。该电路工作稳定性好,输入端容易匹配,全频段增益一致性也较好,高频端增益比共发极电路高。缺点是低频端的增益较低。

高放级的自动增益控制(AGC)是由高放管输入端接入的PIN二极管衰减器(TDA1053)实现的。
PIN二极管衰减器
1.PIN二极管的特点
PIN二极管是一种具有三层结构的硅二极管。在P型层和N型层之间夹有一层(i层)高电阻率的本征区域,P区及N区的载流子进入本征区形成二极管的导通电流,这些载流子需要一定时间才重新复合。这一段时间间隔,决定了频率界限。低于这个频率界线,PIN二极管如同普通整流二极管一样。高于这个频率界线(约几兆赫)以上,PIN二极管在零偏压和负偏压下,对该频率以上的信号,表现为很高的阻抗。而在适当的正偏压下,表现为很低的阻抗,并且随着偏压的改变,其导通电阻可以连续地变化,因此它可以用作衰减器。
2.PIN二极管衰减器的工作原理
与一般高放AGC控制方式不同,PIN衰减器是在高放级以前(见图1)对输入信号进行控制的,而对高放级本身不进行控制。
采用PIN衰减器的AGC电路如图7。图中虚线框内是PIN衰减器,它是由三个PIN二极管组成的π形网络。PIN衰减器对输入信号的衰减程度,由加到调谐器13脚上的AGC电压所决定。该电路的AGC可变电压为2.5V~10V。下面分三种情况说明。

①当AGC电压比较高,为7~10V时,衰减器内PIN二极管D\(_{4}\)正向导通,有一电流流经D4、R\(_{1}\)构成的回路。D4正向电流大,内阻小,输入信号顺利通过D\(_{4}\)到达输出端。这时由R5、R\(_{2}\)对12V分压,加在衰减器中PIN管D3及D\(_{5}\)阳极上的正电压约6V。而AGC电压使D3及D\(_{5}\)的阴极电位比阳极高,D3、D\(_{5}\)处于反向偏置,D3、D\(_{5}\)截止,使输入信号的衰减量很小,约1dB,机器处在灵敏接收状态。
②当AGC电压降低,如图7中B点电压略低于6V时,则D\(_{5}\)开始导通,电流在R1上建立一个正电压。受这个电压影响,D\(_{4}\)导通电流下降,内阻增大。除此之外,由于D5导通,信号被C\(_{18}\)旁路,受到衰减。
③当AGC电压进一步降低,这时D\(_{5}\)正向电流增大,内阻减小,C18旁路作用增强,另外D\(_{3}\)也正向导通,信号又经C17旁路通地。加上R\(_{1}\)上正电压的加大,以及AGC控制电压降低,D4内阻进一步增大,使输入信号不能顺利通过D\(_{4}\)。因此,当外来的信号很强时,就可以预先在PIN衰减器上受到很大衰减,衰减量可达30~50dB,使进入高放级的信号大为减弱。
工作时,D\(_{4}\)和D3、D\(_{5}\)作相反方向的调节,在整个控制范围内,衰减器的输入、输出阻抗可维持不变。而且对不同频率的衰减量都是均匀的,因此它可为各频段所共用。
高放级调谐回路
高放级各频段调谐回路的转换是依靠D\(_{11}\)、D12的导通来改变线圈连接方式而实现的。各回路的频率依靠变容二极管进行连续调谐。VHFⅠ—Ⅱ及VHFⅢ频段用D\(_{9}\)、D10变容管进行调谐。而UHF频段用D\(_{6}\)、D7变容管调谐。各调谐回路的组成如下:
① VHFⅠ—Ⅱ频段的调谐回路如图8,为双调谐回路。

该调谐回路是由调谐器10脚上接入的可变电压(1~28V),控制D\(_{9}\)、D10变容管的容量变化,实现对VHFⅠ—Ⅱ频段的各频道频率的连续调谐。
②VHFⅢ频段,当调谐器11脚通以12V电压见图1,开关二极管D\(_{12}\)、D11导通,此时工作于VHFⅢ频段,电路如图9。

它也是利用调谐器10脚上的可变电压,对该频段各频道的频率进行连续调谐的。
③UHF频段。当调谐器11、12两脚都通以12V电压时,D\(_{1}\)、D2和D\(_{11}\)、D12都导通。这时工作于UHF频段。电路如图10,为双调谐回路。

UHF频段同样也是利用10脚接入的可变电压,对各频道频率进行连续调谐的。
VHF混频及UHF中放级
VHF混频及UHF中放级由晶体管T\(_{3}\)(BF173)及有关元件组成,晶体管T3接成共发射极电路。在对VHF频段信号进行混频时,本振信号由C\(_{62}\)注入。经混频后,获得38MHz中频信号由5脚输出。在T2管集电极接有一个由电感L\(_{35}\)、L39构成的中源调谐回路,其简化电路如图11。

除作VHF混频级外,本级还兼作UHF频段的中频放大级。由UHF变频级T\(_{2}\)送来的38MHz中频信号,经过R28、C\(_{54}\)、L34组成的串联谐振回路(见图11)送入T\(_{3}\)管基极进行放大。
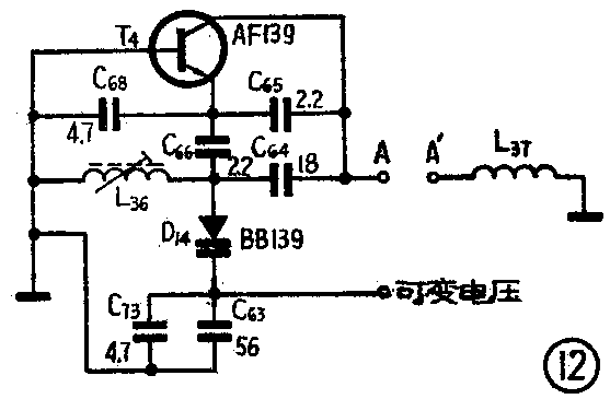
VHF频段本机振荡电路
VHF各频段的本机振荡信号由晶体管T\(_{4}\)(AF-139)产生。VHF各频段的本机振荡电路如下:
①当用于产生VHFⅠ—Ⅱ频段的本机振荡信号时,其简化电路如图12所示A、A'不相连接的情况。

②当调谐器11脚加上12V电压时,开关二极管D\(_{15}\)导通(见图1),线圈L37接到T\(_{4}\)管集电极,相当于图12中AA'相连接的情况,此时本振工作于VHFⅢ频段。
UHF频段本振及混频
UHF本振由T\(_{2}\)管(BF679M)产生,本机振荡的简化电路如图13。

T\(_{2}\)管除作UHF的本振级外,同时还兼作混频级。因此这一级又叫变频级。
本机振荡信号由C\(_{35}\)注入T2管的发射极,与由C\(_{28}\)送来的UHF信号在其发射结进行混频。然后送至T3进行放大。
从已画出的VHF及UHF各本振简化电路可以看出:各频段本振电路均属电容三点式振荡电路,该电路优点是高次谐波少,并且在同—L、C回路值的情况下,可获得较高的振荡频率。
PM—1型高频调谐器在不同接收频段时,各接线脚电压值见下表。(姚国治)
