该密码锁的外面装有10个按钮开关,我们可以按预定好的密码(我们用的密码为“492”)顺序地或同时地按下相应的按钮,电路工作,继电器动作,达到开锁的目的;若误按下其它的按钮,无法使锁打开。
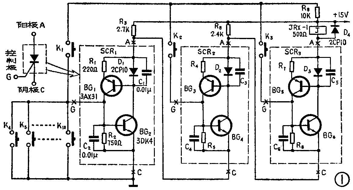
电路见图1。虚线框中的两只三极管是用来模拟小功率可关断可控硅的。图中的A、G和C相当于可控硅的阳极、控制极和阴极(参看左上角小图)。当接通电源时,各阳极都接到电源正端。由于第一只模拟可控硅的阴极是接地的,当按下K\(_{1}\)时,它的控制极上加上了正触发信号,第一只模拟可控硅导通。这时第二只模拟可控硅的阴极通过导通的第一只可控硅接地,按下开关K2,第二只模拟可控硅导通。同样,又使第三只可控硅的阴极接地,当按下K\(_{3}\)时,第3只可控硅导通,继电器动作,带动执行机构将锁打开。开关K1、K\(_{2}\)、K3分别代表开锁的密码键4、9、2。

开关K\(_{4}\)~K10是破坏键,在开锁过程中,如按动其中任何一键、都将使BG\(_{2}\)基极短路到地,BG2截止,将第一模拟可控硅关断,从而破坏开锁过程。
电路中的元器件无特殊要求,一般要求各管的β≥20即可,但管子的耐压要大于电源电压。继电器用JRX-1型(电阻为500欧)。
按钮开关可以按图2所示的方法自制。

电路的印制板见图3。安装时,要将电路板、电源等部分都放在被锁的装置内部,装置的面板上只露出10个按钮。继电器的执行机构本文未画出,读者可根据实际情况自己选制开关、电磁铁等。

本电路调试很简单,接上电源后,测第一组“a”点电压,应接近电源电压,说明管子不导通。按一下K\(_{1}\),若此点电压降到1.5伏左右,说明管子导通。若没按K1时,管子就导通,可能是BG\(_{1}\)击穿或穿透电流太大,若按下K1,管子仍不导通,可能BG\(_{2}\)已损坏;若按下K1时,管子导通,而K\(_{1}\)断开时,管子就截止,可能是BG1短路或二极管D\(_{1}\)击穿损坏。第二、第三组的调试也是如此。调试好以后,按密码按动按钮,继电器应动作;而按下其它的按钮,电路复原,继电器释放。
该电路改变密码也很方便,只要把按钮的接线加以改变即可。若有可控硅,作起来就更方便了。(张维光)