BTL(Balanced Transformer-Less)功率放大器是一种桥接推挽式功率放大器。它的优点是在较低的电压下可以输出较大的功率,在同样电压和同样负载下,BTL电路的实际输出功率可达到OTL电路的2~3倍。同OCL功率放大器一样,它和输出负载是直接耦合的,因而频响较好,保真度较高,外接元件也少。BTL这种电路形式,虽然早就提出,但由于构成这个电路需要的大功率管较多,比OTL或OCL要多一倍。如果用分立元件来构成BTL电路显得较为复杂,成本也较高。只有做成集成电路,才能充分发挥其优点而尽可能限制其缺点。我厂最近试制了BTL集成功率放大器,现在已有系列产品(见封三),本文以其中一种SL—38为例简单介绍BTL集成功率放大器的原理与应用。
原理
一般推挽电路,不管是变压器推挽电路或是OTL、OCL电路,它们有一个共同点,就是两只输出管是轮流工作的。当一只输出管T\(_{1}\)在“推”时,另一只输出管T2在休息;而T\(_{2}\)管在“挽”时,T1管休息。也就是说:“推”和“挽”不是同时工作的,它们只是在不同的半周里“补齐”信号。可以设想:若使T\(_{1}\)管在喇叭的一端“推”时,另有一T4管在喇叭的另一端“挽”;在T\(_{2}\)管对喇叭的一端“挽”时,另有一T3管在喇叭的另一端“推”,如图1,则局面可能大为改观,BTL电路的设计出发点正在于此。

这里有四只输出管T\(_{1}\)~T4,喇叭接在两个输出端之间。对这电路要求它能达到以下两点:(1)在无输入信号时,两个输出端保持同样的电位,即V\(_{o1}\)=Vo2=12V\(_{CC}\),因而无直流电流流过喇叭。(2)令T1导通时T\(_{4}\)也导通,Vo1上升多少,V\(_{o2}\)就下降多少,o1=-o2。这样,在这个半周里,喇叭两端的电位差就是2o1。在理想情况下,V\(_{o1}\)可由1;2VCC上升到V\(_{CC}\),即o1=\(\frac{1}{2}\)V\(_{CC}\),而V02也可由1;2V\(_{CC}\)下降到0,即o2=-12V\(_{CC}\),从而喇叭上电位差ΔV=VCC。在另一个半周里,令T\(_{3}\)导通,同时T2也导通,分析同上,喇叭上的电位差-V\(_{CC}\)。所以综观整个周期,喇叭上最大峰—峰电压可达VP-Pmax=V\(_{CC}\)-(-VCC)=2V\(_{CC}\)。也就是说,利用同时“推”、“挽”原理,喇叭上的正弦波最大峰—峰电压可达电源电压的二倍。在一定的负载阻抗下,输出功率与输出电压的平方成正比,因此在同样条件下,BTL电路的输出功率可达OTL电路的四倍。
用两块普通的集成功放电路(例如SL—37)也可以构成一个BTL功率放大器,如图2。信号通过C\(_{1}\)从第一级的同相输入端Vi(+)1输入,输出信号为V\(_{o1}\),然后通过耦合电容C2和电阻R\(_{8}\)加到第二级的反相输入端Vi(-)2。第二级的放大倍数=R\(_{7}\)/R8,使R\(_{7}\)=R8,则V\(_{o2}\)=-Vo1。将V\(_{o1}\)和Vo2同时加到负载R\(_{L}\)两端,因它们幅度相等而相位相反,从而可在负载上得到二倍的电压和四倍的功率(理想情况下)。这种结构还有一个优点,即两个电路的偏置电阻(R3、R\(_{4}\))是公用的,加上集成电路本身的一致性,并令R5=R\(_{6}\),所以可以使两个功放输出的静态电位很一致,在无信号时,负载中没有电流流过。

线路
SL—38的具体线路如图3所示。从图上可看出,它是由大体相同的两部分组成。除R\(_{1}\)、R2为公共偏置电阻,R\(_{17}\)为第二级输入电阻,其他元件两部分相同。下面以其左边一部分为例进行分析。

T\(_{1}\)、T2组成复合PNP管,T\(_{3}\)、T4也组成复合PNP管。这两个复合PNP管则组成差分放大器,③端为同相输入端,④端为反相输入端。差分放大信号由R\(_{4}\)上获得,并送到T5、T\(_{6}\)作进一步放大,在R5上形成电压输出。T\(_{5}\)、T6组成达林顿形式,具有较大的增益。
在输入信号驱动下,①端电压上升时,T\(_{7}\)、T8通导,电流经过T\(_{7}\)、T8这两级射极输出器放大后向负载供电。在负半周,①端电压下降,T\(_{11}\)通导,从而引起T9、T\(_{1}\)0通导,电流从负载流入T10至地。
T\(_{12}\)~T14的三个集电极连在一起,实际上起的作用等于是三个二极管的串联,但其正向压降较单独三个E—B结串联起来的正向压降为小。它的作用是:在正半周时充分导通,从而使T\(_{11}\)、T9、T\(_{1}\)0截止,这样就限制了静态电流不使过大;而在负半周时这三个二极管的导通程度则可控制T11、T\(_{9}\)、T10的导通程度,从而控制输出电压。
R\(_{1}\)0是反馈电阻,从输出端反馈至反相输入端④。因T1管的基极加有偏置电压,如果T\(_{4}\)管的基极不加直流反馈,则输出静态中点电平是无法保持的。在设计时使R1=R\(_{2}\),偏置电压为电源电压的一半,所以输出静态电位亦是电源电压的一半(\(\frac{1}{2}\)VCC)。这样的设计可使电路有尽可能大的正弦波不失真输出功率。
应用
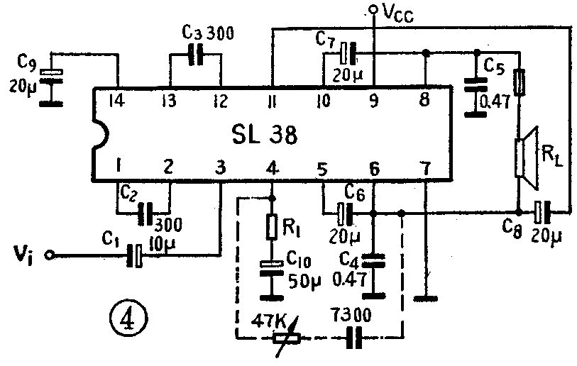
用一块SL—38作BTL集成功率放大器时可按图4进行连接。图中C\(_{1}\)为输入耦合电容。C2、C\(_{3}\)为移相防振电容,因为集成功率放大器是多级倒相负反馈放大器,若不加相位校正电容,则会发生高频振荡,所以必须在①端和②端之间、端与端之间各并接一个小电容,其值可在100pF~1000pF之间选择(电容量过小有时不能完全防止振荡,容量过大则在高频端容易引起失真)。C4、C\(_{5}\)为输出端防振旁路电容,这也是防止高频振荡所必需的,电容量在0.1μF~0.47μF之间选择。这两个电容要尽量靠近输出和地,拉长线容易引起自激。C6、C\(_{7}\)为自举电容,用以保证空载时的输出电压接近于VCC。C\(_{8}\)为第一级至第二级的耦合电容,C9为偏置去耦电容,C\(_{1}\)0为反馈交流旁路电容,R1为调节放大倍数的电阻。为防止万一电路损坏时喇叭烧毁,可用一保险丝与喇叭串接,保险丝的熔断电流根据功率而定。

电路安装时应按如下步骤进行:
1.检查各外接元件接线正确无误。
2.检查电容器极性,不得接反。
3.接上电源,但不接负载,量⑥脚、⑥脚电位应等于\(\frac{1}{2}\)V\(_{CC}\)。若不等于1;2VCC,不得接入负载,并检查C\(_{8}\)、C10、C\(_{1}\)、C9极性是否接反。
4.以上检查正常后,接上保险丝,最后接喇叭。
5.C\(_{2}\)、C3、C\(_{4}\)、C5若断路时,将引起高频振荡,极易烧坏电路,切忌!
上述电路可以加简单音调控制,如图4虚线部分所示,在⑥脚与④脚之间加一RC网络,可使低音有一定提升,提升量由电位器位置决定。
功率
R\(_{L}\)=8Ω,
V\(_{CC}\)9V 12V 15V 18V
P\(_{max}\)1.5W 3W 5W 7W
SL系列其他品种的主要指标,请参阅封三。(上海半导体器件十六厂 徐治邦)