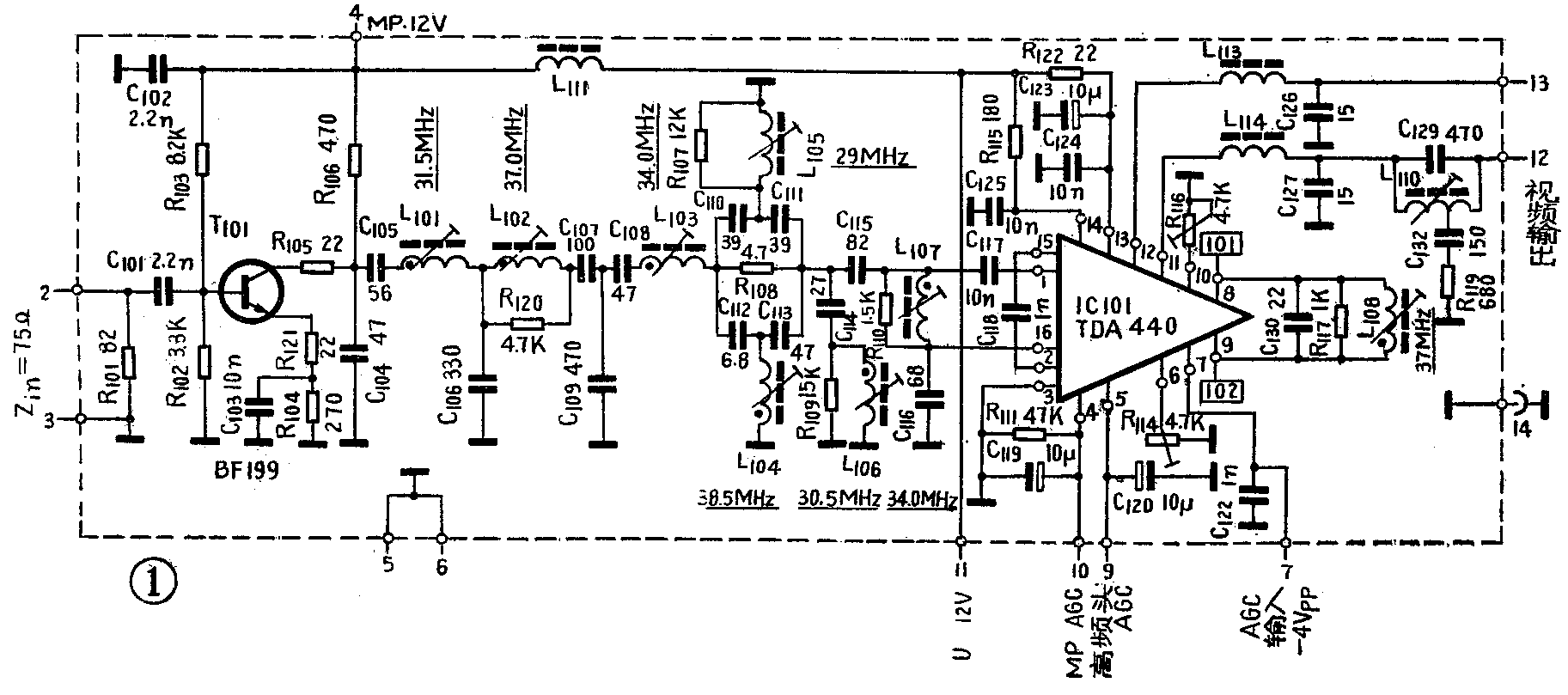
匈牙利TC1612电视机的公用通道部分是一个单独的中频组件,见图1。它包括图象中频放大、视频检波、预视放、AGC控制等电路。整个组件由一只晶体管T101(BF199)、一块集成电路IC101(TDA440)及有关元件组成,装在一个铁质屏蔽盒内。

晶体管T101是一个级间匹配放大器,作中频前置放大,为了实现它与电调谐高频头(输出阻抗为75Ω)之间的阻抗匹配,该管的输入端设有电阻R101(82Ω),它与晶体管输入阻抗相并连形成阻抗75Ω。
图象中频特性曲线(见图2),由接在晶体管T101集电极回路的带通滤波器及有关吸收回路形成。带通滤波器由电容C104、C105、C106、C108、C109、C116及电感L101、L102、L103、L107等元件组成。其中L101调谐于31.5兆赫,处于中频曲线-3dB处;L102调谐于37兆赫(图象中频),处于中频曲线-6dB处;L107调谐于34兆赫,处在曲线中点;L103为辅助调谐回路,通过调整它,使中频曲线顶部比较平坦,调谐频率约34兆赫。

其余几个调谐回路:L105是邻近频道的图象载频吸收回路,调谐于29兆赫;L104是邻近频道伴音载频吸收回路,调谐在38.5兆赫;L106是所接收频道的伴音吸收回路,它调谐于30.5兆赫。
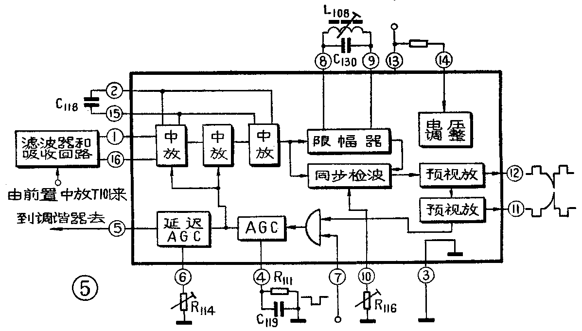
IC101(TDA440)是一中规模集成电路,其内部电路方框图见图5。它由三级差分中频放大器、双差分电路组成的限幅器及同步检波器(作视频检波)、预视放及AGC电路等组成。

IC101 2脚及15脚外接的电容C118是集成电路内中放级直流反馈电路的退耦电容,用以消除交流反馈对中放级的影响。8、9两脚所接的L108和C130组成的谐振回路,调谐于图象中频37兆赫,用以选出图象中频信号。检波器输出的视频信号幅度是通过10脚外接的电位器R116进行调节。4脚外接的R111及C119为AGC电路的时间常数元件,用来确定中放AGC的起控时间。6脚外接的可调电阻R114是控制高放AGC起控电平的。
中频信号经T101放大并由带通滤波器选频,再经电容器C117耦合到集成电路IC101的1脚和16脚。在IC101内部、中频信号通过三级中频放大器放大后送到限幅器及检波器。由检波器检出的视频信号,送到预视放级进行放大,再分成两路:一路由11脚输出同步头向下的视频信号,经L114及L110、C129组成的6.5兆赫伴音吸收回路送往视频输出级;另一路信号再经一次倒相放大通过12脚输出同步头向上的视频信号,经L113送往伴音组件和同步分离组件。
中放及高放AGC电路是由AGC门控电路、中频AGC放大电路及高放延迟AGC放大电路组成。它是一种脉冲键控峰值AGC电路。其工作过程是:从行输出变压器送来的负极性的行逆程脉冲,作为开关控制电压由7脚输入。在行扫描正程期间,7脚无脉冲电压输入,门控开关不导通,在行逆程期间,门控开关电路开始工作。当全电视信号输入的幅度越大时,C119上充电电压越高,则使第一、二级中放的增益下降越多。
延迟AGC电路是高频AGC放大电路,它工作时,5脚上的电压下降,输出一个反向AGC电压去控制高频头内的高放级增益。延迟AGC控制电压约在10V~2V范围内。

IC101的外形及各脚的功用见图6。(姚国治)

