测向机实际上是一部安装了测向天线的小型无线电收信机,其工作原理与一般收音机大致相同。本文将向你介绍80米波段测向机的简单工作原理和制作方法。
测向天线
测向天线是一种接收天线,它具有一定的方向性,对来自不同方向的电波产生不同的感应电动势,因此,我们可以转动测向天线,根据天线感应电动势的变化,确定哪个方向来的电波最强,从而确定发射台的方位。
在80米波段的测向运动中,由于工作频率处于短波波段的低端,同时考虑到便于携带和使用,多使用磁性天线或环形天线。这两种天线的工作原理基本相似,这里只简单地介绍一下磁性天线的测向原理。

磁性天线由磁棒和绕在磁棒上的天线线圈组成。在80米波段测向竞赛中,发射台使用垂直极化波,即发射台发射的电场方向线与地面垂直,磁场方向线与地面平行,而电磁波传播方向线与地面平行,并与其磁场方向线垂直。如果将测向机磁棒与地面平行放置,并设磁棒的轴线与电磁波传播方向线之间的夹角为θ(如图1所示),则当θ=0°或θ=180°时,磁棒轴线与电磁波传播方向线平行,亦即与磁场方向线垂直,因此无磁力线顺磁棒轴线通过磁棒线圈,线圈感应电动势为零;当θ=90°或θ=270°时,情况则相反,磁力线顺磁棒轴线通过线圈,线圈中感应电动势最大;当θ为其它角度时,也有一定的感应电动势产生。画出它的方向图如图2所示。

从图2可以看出,当θ=0°或θ=180°时,磁性天线上无感应电动势,因此这两点称为“哑点”。在测向中,只要转动磁性天线,找出“哑点”,此时,发射台必定位于磁棒轴线所指示的这一条直线上,这就是通常所说的“哑点测向”或“测双向”。
由于“哑点”有两个,所以“哑点测向”只能指示电台所在的直线,并不能确定电台位于这一条直线的哪一端,因此,为了确定电台方位,还必须用直立天线。
直立天线在水平平面上不具有方向性,对从任何方向上传来的电波,都有同样的感应电动势,其方向图见图3。

把磁棒天线和直立天线组合起来使用,当两个电势合成时,在满足振幅相等、相位相同的条件下,就可以得到图4所示的合成方向图。合成方向图呈心脏形,也叫大音面。大音面就指出了电台方向。若直立天线为负值,仍可得到一心脏方向图,只不过反转了180°。

测向时,一般先用磁棒天线测双向,然后加上直立天线,再旋动磁棒天线,只有一个方向声音最小或无声,也只有一个方向声音最大即大音面,这就可定出所找电台的方向。
测向机电路
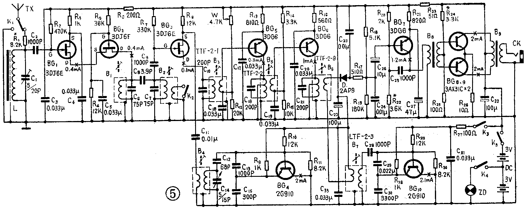
测向机电路见图5,和收音机电路基本一样,但是由于测向机是用来寻找隐蔽电台的,所以,它还有自己的电路特点。

要能听到远在几公里以外、发射功率仅为0.5~3瓦的隐蔽电台发出的信号,测向机要有较高的灵敏度,为此,本机有两级高频放大器,由BG\(_{1}\)、BG2等组成。BG\(_{1}\)、BG2采用场效应管,由于场效应管输入阻抗高,天线回路可直接耦合至BG\(_{1}\)。
按照竞赛要求,隐蔽电台的工作频率为3.5MH\(_{Z}\)~3.6MHZ,在业余波段。测向机的接收频率一般控制在3.45MH\(_{Z}\)~3.65MHZ范围内。根据这一特点,测向机的天线回路和高放输出回路可采用固定调谐回路,将其谐振频率调整在竞赛波段的中心频率3.55MH\(_{Z}\)上。这就不需用三联可变电容器,不必进行跟踪统调了。当然这样作也会使测向机在整个工作频率范围内灵敏度不够均匀,为此,高放输出电路采用了电容耦合式双调谐回路,以获得双峰式频率特性。
考虑到测向运动中,测向机接收到的电台信号因离发射台距离不同而变化悬殊,信号过强将不易辨别方向,为此加了近距离衰减开关K\(_{2}\)。当信号过强时,K2闭合,将B\(_{2}\)次级短路,降低了高放级增益,避免因信号过强造成后级阻塞。同时根据K2闭合后听到的信号强弱,可以大致估计出是否到达发射台附近。
本机采用独立本机振荡器,由BG\(_{4}\)等组成电容三点式振荡器,振荡频率为3.915MHZ~4.115MH\(_{Z}\)。
BG\(_{3}\)等组成混频级。
BG\(_{5}\)、BG6组成两级中放,与收音机不同的是这里没有自动增益控制电路。因为测向机要求当外来信号强弱变化时,测向机的输出会随之变化,“大音面”和哑点才有明显区别。
在80米波段测向竞赛中,发射台发射的是等幅电报信号,因此,测向机有差频振荡器(BG\(_{1}\)0等组成),产生一个与中频频率相差约1KHZ的等幅信号,加至检波二极管D,以便对中频信号进行差拍检波。
低放、功放级与收音机相同。
此外,本机装有照明装置,选用2.5伏聚光电珠。这给寻找隐蔽在暗处的电台带来了方便。
元器件选择
BG\(_{1}\)、BG2、BG\(_{3}\)选用结型N沟道场效应管,要求跨导gm不低于1000μ饱和漏源电流I\(_{DSS}\)<1mA,夹断电压VP<2V。BG\(_{5}\)~BG7β为70~120。BG\(_{4}\)、BG10的β为100~150。BG\(_{8}\)、BG9、要配对,β为50~100,穿透电流I\(_{ceo}\)<200μA。
机中电阻均为1/8瓦。除电解电容外,固定电容可用损耗较小的陶瓷电容器。本机振荡器和差频振荡器所用的电容温度系数应尽量小,否则将造成收报时音调不稳。C\(_{1}\)用CCW3—2型瓷介微调、C14用CW\(_{3}\)型空气微调。
线圈B\(_{1}\)2\(_{4}\)均用短波振荡线圈SDZ4,其中B1的次级空着不用,B\(_{4}\)的次级改为一匝,可先将B4的原次级挑断,再用φ0.12漆包线绕上一圈。B\(_{8}\)用半导体收音机输入变压器,B9则根据所用耳机阻抗加以改绕,当配用400Ω耳机时,初级用φ0.12漆包线双线并绕140匝,次级用φ0.11漆包线绕770匝。
直立天线用φ410×100mm的10节拉杆天线,W用WH5—1型碳膜电位器,K\(_{2}\)、K3、K\(_{5}\)用KNX小型钮子开关,K1、K\(_{4}\)用KWX小型微动开关;CK用CKZ2型中型插孔。

磁性天线是测向机的关键部件,磁棒选用长一些的,天线效率较高,但太长,在运动中容易碰断,我们用Y10×100mm短波磁棒。为改善方向性,在磁棒与线圈之间垫上一层厚度为0.1mm的铜箔作为内屏蔽,但应注意,这圈铜箔首尾不能相接,中间应留有1mm左右的缝隙如图6所示。线圈用QST0.1×14多股线分两段绕制,绕制时要注意对称、紧密、平整,绕后实测电感量为34μH。
安装

测向机的整机安装见图7。边框的左、右侧边和顶部用铝板弯成,边框的底部及前后盒盖是用另一块铝板弯成的。在边框的上部开一条宽约1mm的窄缝,防止屏蔽罩将高频信号短路,在缝的下面垫有一块有机玻璃作衬板,用它不仅可以固定直立天线,也可以防止灰尘等物从窄缝进入机内。磁性天线靠两只橡皮圈固定于边框上。在磁性天线下方,装有一块铝板作隔离板,将收信部分与天线部分隔开。隔离板上铆有一块直角铜弯脚,用来固定C\(_{1}\)。在边框上部的四角铆装攻有螺纹的黄铜角板,以便固定前后盒盖。
直立天线下端通过支架固定在边框上,需加装绝缘垫片,使天线和支架之间绝缘。
安装K\(_{1}\)、K4时,先将开关的两个孔攻上M2.5的螺纹,再用螺钉固定在边框上。
电路印制板见图8所示,缺口处正好放电池盒,电池用4节5号电池。安装时,印制板的角上铆上弯脚,用螺钉将弯脚固定在边框上。在电池盒侧面钻两个φ3.5的孔,用螺钉螺母将它固定在边框上。

因测向机用于运动中,经常受到震动和冲击,所以要求元器件焊接牢固,整机安装也要牢靠结实。
调试
将K\(_{3}\)、K5接通,K\(_{2}\)断开,W旋至阻值最大位置,这时检查各管静态工作电流应如图5电路上所标注的。
低频放大部分一般不需调整,用改锥碰碰BG\(_{7}\)的基极,耳机中能听到较大的“喀喀”声,说明低放部分工作正常。
中频部分和高频部分的调试,则要借助于高频信号发生器。调中放时,先将K\(_{3}\)断开,使差频振荡器停止工作。然后从BG3的栅极注入465KH\(_{Z}\)调幅信号,反复调节B3\(_{5}\)6磁心,使耳机中的输出最大。
调本振级时,将C\(_{14}\)置于中间位置,从BG3的栅极输入3.55MH\(_{Z}\)的调幅信号,调B4磁心直到收到信号。然后将C\(_{14}\)分别调至容量最大和最小,改变信号发生器输出信号的频率,找出测向机的接收频率范围,一般应为200KHZ~300KH\(_{Z}\)。
调高放级时,从BG\(_{1}\)的栅极注入3.55MHZ的调幅信号,调C\(_{14}\)收到信号,然后反复调节B1\(_{2}\)使输出最大。有条件用扫频仪调整测试更好。
天线回路调试时,先将信号发生器输出端接一短导线,作为发射天线,发出3.55MH\(_{Z}\)的调幅信号。调C1,使测向机收到的信号最强。但此时,C\(_{1}\)不应处于容量最大或最小位置,否则需要相应改变天线线圈匝数,直到找出天线回路谐振点。
调整差频级时,接通K\(_{3}\),并从BG3的栅极注入465KH\(_{Z}\)的等幅信号,调节B7,使耳机中得到约1KH\(_{Z}\)的音频信号即可。
调试完毕后,在使用磁性天线、输出功率为5mW、信噪比为2:1的条件下,接收调幅信号的整机灵敏度不低于200μV/M。
最后,在室外用电台发射信号试听。在没有其它干扰的情况下,测向机距离发射天线为0.3米时,应能明显地分辨出双向,单向可听辨距离应不大于1米。当用2瓦电台、1.5米鞭状天线时,收听距离不小于6公里。

一般测向机制成以后,为了在测向运动中使用起来顺手,自己都要确定单向大音面的所在面,并作以各种标记。大音面的确定方法有两种,见图9。从图9可以看出,当线圈按正常绕法时,大音面总是位于磁性天线高电位输出线最后所经过的面。(闻立明)