在商店橱窗或展览画廊里,常见到装有各种闪光彩灯。本文介绍的电路可用来直接驱动大型彩灯群,节日里如果工厂、学校、机关等单位布置的装饰彩灯群用这个装置来控制,使各种庆祝牌楼、游艺模型等发出五彩缤纷、闪闪发亮的灯光,更能增添节日的欢乐气氛。

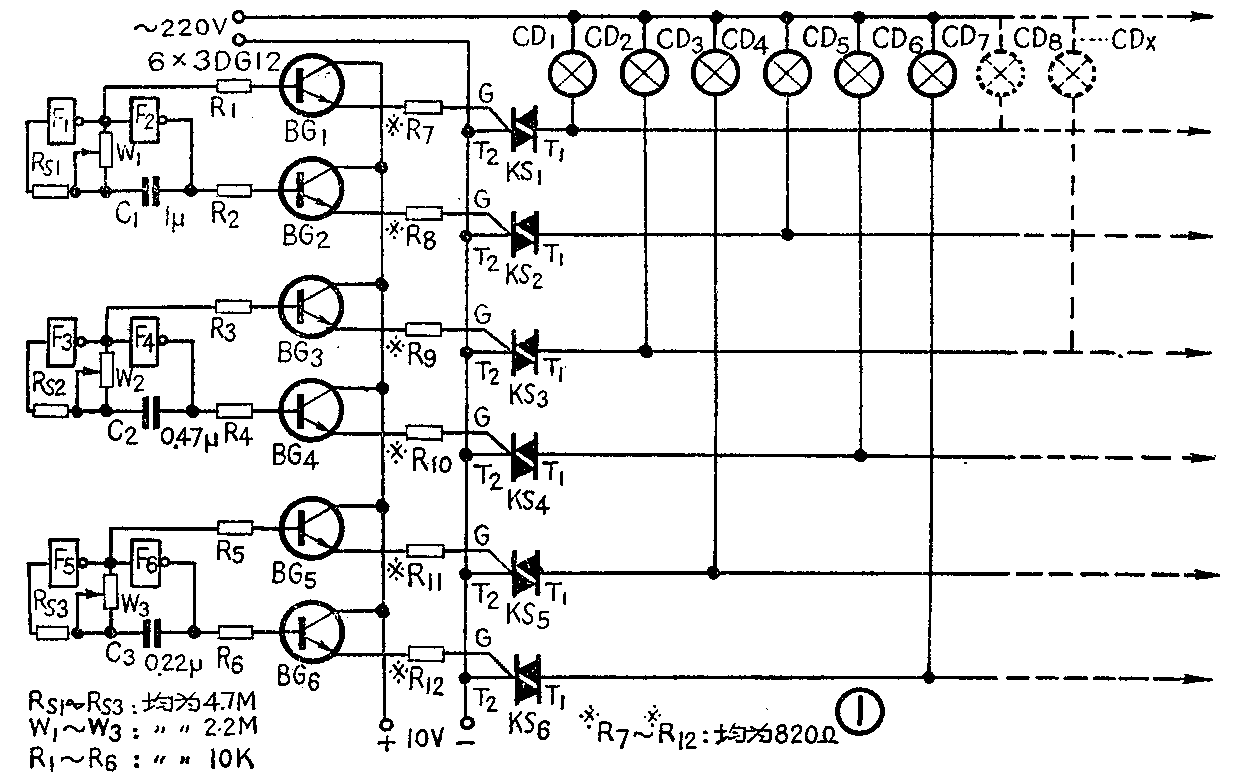
闪光彩灯装置的电路见图1。整个电路由三组形式相同的电路组成,每一组包括一个多谐振荡器、两个驱动器和两个无触点交流开关。多谐振荡器用CMOS集成电路非门(反相器)构成,基本工作原理简述如下。请看图2,设起始时非门F\(_{2}\)的输出为高电平,由于电容C两端的电压不能突变,故通过电阻RS使非门F\(_{1}\)的输入也为高电平,输出反相为低电平。这时电容C通过电阻R对地放电(因F1的输出为低电平,可看作为地),②点的电位按指数规律下降,当降到F\(_{1}\)的转移电平(图2中Vtr)时,F\(_{1}\)输出电平由低变高,F2输出则由高变低,电容C被反向充电,当②点电位达到F\(_{1}\)的转移电平时,F1输出电平又由高变低,F\(_{2}\)输出又回到高电平。随着电容C的充放电,上述过程就不断重复,从而形成振荡。电路各点波形见图2。

这种用 CMOS电路组成的多谐振荡器具有电路简单、起振容易可靠、振荡频率较稳、电源利用率高等优点。实践表明,当电源电压在6伏到14伏范围内变化时,振荡频率的变化不大,因此电源部分只需用普通稳压二极管单级稳定即可。电路的振荡频率可按下式计算:f=\(\frac{1}{KRC}\)式中K是比例系数,一般取K=2.2。f单位为赫,R单位为欧,C单位为法拉。
由非门F\(_{1}\)和F2输出的振荡脉冲信号分别通过电阻R\(_{1}\)、R2加到三极管BG\(_{1}\)和BG2的基极,当脉冲信号为高电平(V\(_{DD}\))时,管子导通,两管的发射极电流分别经R7、R\(_{8}\)流向双向可控硅KS1、KS\(_{2}\)的门极(控制极)G,只要电流值大于KS1、KS\(_{2}\)的门极触发电流,KS1和KS\(_{2}\)就被触发导通,交流220伏电压几乎全加到彩灯CD1、CD\(_{4}\)上,使它们点燃发光。当脉冲信号为低电平(VSS)时,管子截止,KS\(_{1}\)、KS2的门极电流为零,220伏交流电压过零点时,KS\(_{1}\)、KS2自行关断,CD\(_{1}\)、CD4熄灭。实际工作时,由于F\(_{1}\)、F2输出的脉冲信号相位相反,故KS\(_{1}\)导通时KS2关断、KS\(_{2}\)导通时KS1关断,使彩灯CD\(_{1}\)、CD4交替发光,发光时间由多谐振荡器的重复频率决定。上面以第一组的电路为例分析了基本工作原理,其余两组的情况完全一样。
图1中,三个振荡器的RC电路中的电阻用了电位器W\(_{1}\)~W3,以便使振荡频率各自独立可调。在排列好彩灯CD\(_{1}\)、CDX(彩灯数根据需要决定)的位置后,分别调节W\(_{1}\)~W3,可得到不同的闪光花样。一种花样使用一段时间后,只要重新调一下W\(_{1}\)、W3,就又可换一种花样,十分灵活方便。按图1绘出的元件数值,从上到下三个振荡器的最低振荡频率(W\(_{1}\)~W3调到阻值最大)约为0.25、0.5、1赫,即相应彩灯的最长闪光或间隔时间分别为2秒、1秒和0.5秒。如嫌短,可增大电容C\(_{1}\)~C3的容量或W\(_{1}\)~W3的阻值。
电路中六个非门是用上海元件五厂生产的C033,一块C033电路里就含有六个非门,其管脚排列见图3。

双向可控硅用KSS-4型的(北京椿村整流器厂或上海整流器厂产品),额定通态电流I\(_{T}\)为5安,断态重复峰值电压VDRM为400伏,门极触发电流I\(_{GT}\)为3~50毫安,因要求不高,可尽量利用副品。一个KS5-4可带25瓦、220伏的彩灯35个左右,如需带更多的彩灯或彩灯的功率不同时,可按下式选用一定IT的可控硅:I\(_{T}\)> K·\(\frac{P总}{220}\)。式中K为保留系数,取1.2~2,如装置的工作环境较差(温度较高、电压波动大等)时,系数K可取大些,反之取小些。P总为一个双向可控硅要带的所有彩灯的功率之和,单位瓦特。
整个装置只有R\(_{7}\)~R12所需要经调试后才焊入电路。调试R\(_{7}\)时,先断开R1,将BG\(_{1}\)的集电极和发射极用导线短路,再用一个2K电位器串一100Ω的电阻代替R7,接上所有负载或假负载,然后通上电源,调节2K电位器,使KS\(_{1}\)的T1、T\(_{2}\)间的电压降在1~3伏即可。断开电源,测出电位器和串联电阻的总值,用相近阻值的固定电阻焊入电路,再拆去BG1集发极短路线,焊上R\(_{1}\)就可以了。以后按同样方法依次调好R8~R\(_{11}\),插上电源,彩灯就会闪闪发光。彩灯可以排成一字形、多圈圆形、星形或波浪形等等,调节W1~W\(_{3}\),就可得到变化多样的闪光花样。
装配时,双向可控硅KS\(_{1}\)~KS6的主端子T\(_{1}\)、T2的引线应根据负载电流选用足够截面的导线,并注意T\(_{2}\)的接线要短和单独走线,10伏电源负端只允许有一点与之相连。装置外壳最好用胶水或塑料等绝缘板制作,电位器W1~W\(_{3}\)的转柄与电路也要保持绝缘良好,以保证安全。