采用OCL功放电路的晶体管扩音机,由于扬声器与放大电路直接耦合,所以音质良好。但如扩音机的功放电路发生故障,输出端常出现较高的直流失调电压。此时如没有适当的保护措施,将有直流电流流入扬声器,其结果轻则使扬声器音圈移位,重则烧毁扬声器。
为了保护扬声器,可加装保护装置,通过检拾电路把扬声器两端的直流电压检拾出来,去控制一些晶体管和继电器,只要该直流电压的绝对值超过一定限度,继电器的触点便断开,扬声器就能与扩音机电路脱离,从而得到保护。
桥式检拾型保护电路
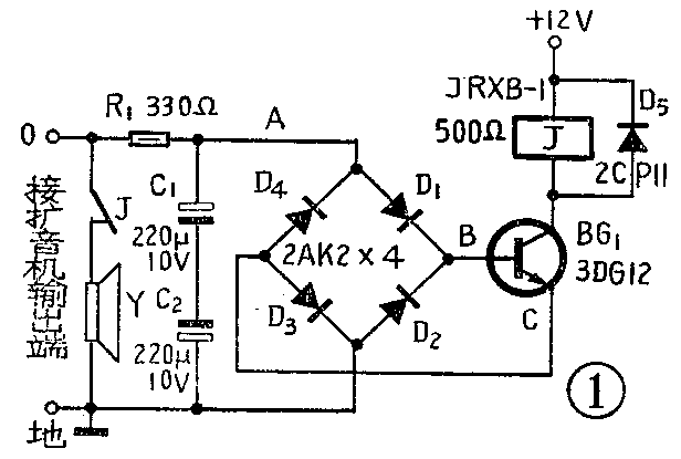
图1是最简单的桥式检拾型保护电路。该电路的输入端与OCL扩音机的输出端相接,R\(_{1}\),C1、C\(_{2}\)组成低通滤波器,D1~4构成桥式检拾器,用检拾器的输出电压来控制晶体管BG\(_{1}\)的截止或导通,亦即决定继电器的工作状态,使扬声器接入或脱离扩音机电路。由于C1、C\(_{2}\)工作在交流电路,所以要反极性串联,合成一个无极性电容器。D5可吸收继电器动作时产生的反电压,起保护BG\(_{1}\)的作用。

桥式检拾的原理如下:由图1可见,D\(_{1~4}\)的接法与桥式整流电路相似。A点与地为输入端,B点与C点为输出端。B点和C点分别与晶体管BG1的基极和发射极相接。当A点电位为正时,D\(_{2}\)、D4截止,D\(_{1}\)、D3导通,检拾器有输出电流从B点到C点流过BG\(_{1}\)的发射结。反之,如A点电位为负,则D1、D\(_{3}\)截止,D2、D\(_{4}\)导通,同样也有输出电流流过BG1的发射结。实际上由于D\(_{1~4}\)和BG1的发射结都存在正向压降,所以A点电位的绝对值必须超过一定值(1伏左右)才能使桥式检拾器工作,这个值就是电路的检拾灵敏度。所用管子的正向压降越低,检拾灵敏度就越高。虽然锗晶体管的管内压降较低,但从温度稳定性来考虑,BG\(_{1}\)还是用硅管好。
扩音机正常工作时,输出的信号电压只有交流成份。它从0点送进保护电路后,经过低通滤波器过滤,全部交流信号均被C\(_{1}\)、C2旁路掉,A点与地之间没有电压,桥式检拾器无输出,BG\(_{1}\)截止,继电器绕组中无电流流过,继电器不工作,扬声器通过继电器的常闭触点与扩音机的放大电路接通,投入使用。
如果扩音机有了故障,输出端出现正或负的直流失调电压,A点的电位便不为零。对图1来说,只要扩音机输出端的失调电压超过±3V,检拾器就有足够的输出,使BG\(_{1}\)导通,BG1的集电极电流流过继电器绕组,使继电器动作,其常闭触点断开使扬声器迅速脱离扩音机电路,得到保护。
图1电路由于只用一只晶体管直接驱动继电器工作,灵敏度较低。为了保证检拾器能输出足够大的电流(即BG\(_{1}\)的基极电流),限流电阻R1要用较小值,这无疑增加了扩音机的负担和功率消耗。另外还由于单管驱动电路只能采用高灵敏度的小型继电器,其触点的容量有限,因此只适用于10瓦以下的小功率扩音机。

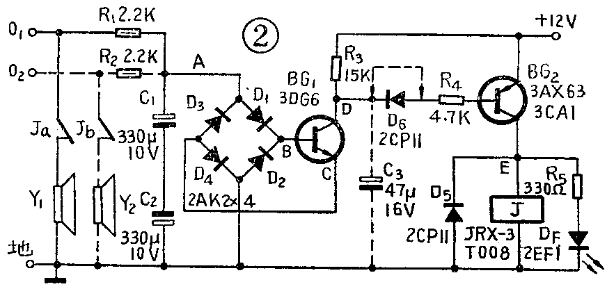
实际的桥式检拾型保护电路多在图1的基础上再加一只晶体管作电流放大,以驱动容量较大的继电器,并提高保护电路的灵敏度。电路见图2,图中桥式检拾部分的工作原理与图1相同。当扩音机正常时,BG\(_{1}\)截止,D点为高电位,BG2也截止,继电器不动作。但当扩音机的输出端出现直流失调电压而使BG\(_{1}\)导通后,D点变为低电位,BG2迅即导通,继电器得电吸合,扬声器脱离电路。此时有电流通过R\(_{5}\)和发光二极管DF,使D\(_{F}\)燃亮作报警指示。当然,利用继电器触点控制小灯泡或电蝉报警也可以。电路中的R4是BG\(_{2}\)的基极限流电阻。D6的作用是提高BG\(_{2}\)的门限电压,从原来的Vbe2(0.2伏左右)提高到V\(_{be2}\)+VD6≈0.2+0.6=0.8伏,使BG\(_{2}\)在平时保持截止状态,防止保护电路误动作。当BG2用硅管时,可省去D\(_{6}\),用导线把它短接就行了。如果希望开机时继电器能吸一下,使喇叭暂与电路脱离,以避开开机时大的浪涌电流对喇叭的冲击,可在电路中加入一个起延时作用的电容C3。开机时,C\(_{3}\)两端电压不能突跳, BG2基极得到一个大的正向偏置电压,BG\(_{2}\)导通,继电器吸合,使喇叭脱离电路。当C3充电完毕后,BG\(_{2}\)基极偏压为零,继电器释放,又将喇叭接入电路。C3的容量由所需要的延时时间决定:当C\(_{3}\)为47微法时约延时1秒,100微法时约延时2秒,220微法时约延时4秒。由于C3会使保护电路的晶体管增加浪涌冲击,影响其可靠性,所以没必要时还是不用C\(_{3}\)为好。
图2的保护电路适用于100瓦以下的OCL扩音机。当扩音机输出的直流失调电压超过±2伏时就能动作。只要继电器选配适当,图2的电源电压可在9~24伏的范围内选用。图3是图2电路的印刷电路板安装图,可供装制参考。

如果使用的扩音机是装有多个功率放大器的立体声或多频道OCL扩音机,也能共用一个保护电路来控制各扬声器的通断,只需把各个放大器的输出信号用电阻混合到保护电路去就行。图2的R\(_{2}\)便是第二路的输入混合电阻,需要时可添加。但要注意,多路混合后,由于各路输入互为分路,保护电路的灵敏度会降低。

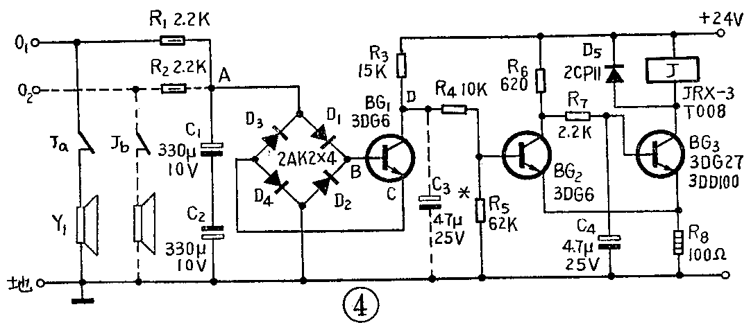
为了使继电器动作明确可靠,消除可能出现的半吸合状态,可把图2的继电器驱动部分改为双稳态电路,见图4。其印刷电路板安装图见图5。该电路由BG\(_{2}\)、BG3组成射极耦合双稳电路,平时由于BG\(_{1}\)截止,D点为高电位,所以BG2饱和导通,BG\(_{3}\)截止,继电器不吸合,扬声器正常工作。当扩音机发生故障,并使BG1导通后,D点变为低电位,双稳电路翻转,BG\(_{2}\)截止,BG3饱和导通,继电器迅速吸合,其常闭触点簧片断开,使扬声器脱离电路。改变R\(_{5}\)可调整BG2的基极偏置点,平时应置BG\(_{2}\)于饱和状态,如把R5调整到双稳电路接近翻转但还不能翻转时,保护电路的灵敏度最高。

互补检拾型保护电路
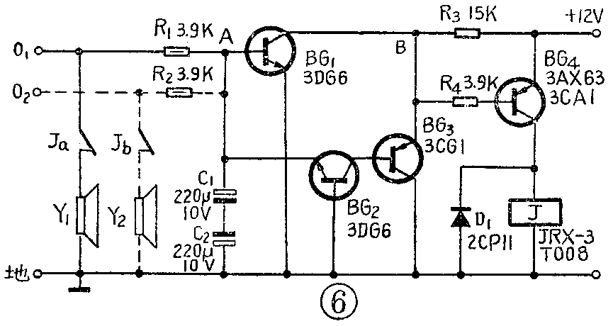
上面介绍的桥式检拾型保护电路虽然简单,但由于检拾器的二极管存在正向压降,限制了检拾灵敏度的进一步提高。为了克服这缺点,可直接利用NPN型和PNP型晶体管的发射结,分别对扩音机输出端的正、负电压加以检拾,这就是互补检拾原理。图6就是一个简单巧妙的电路。图中的BG\(_{1}\)作正向检拾,BG2、BG\(_{3}\)作负向检拾。当扩音机工作正常时,A点的直流电位为零,BG1、BG\(_{2}\)、BG3均不导通,R\(_{3}\)上没有电流流过,B点电位等于电源电压,BG4基极与发射极间的电压为零,BG\(_{4}\)截止,没有电流流过继电器线圈,扬声器通过继电器的常闭触点与扩音机接通使用。当扩音机出现故障,使A点电位的绝对值大于0.6~0.7伏时,保护电路便起作用。如A点电位为正,是BG1导通;如A点电位为负,则是BG\(_{2}\)导通。使BG3也导通。BG\(_{1}\)或BG3导通的结果,都会在R\(_{3}\)上产生相当大的电压降,把B点电位降低,从而使PNP型的BG4导通,继电器吸合,把扬声器脱离扩音机电路。

图6是用NPN型的BG\(_{2}\)作基极接地来实现负向检拾的。当A点是负电位时,BG2的发射极电位低于基极电位,发射结正偏,如正偏电压超过0.6~0.7伏,管子便导通。但由于BG\(_{2}\)是共基极接法,没有电流放大作用,直接去控制BG4有困难,所以需加进BG\(_{3}\)作电流放大。这里的BG3是共集电极接法,BG\(_{2}\)的集电极电流成为BG3的基极电流,经BG\(_{3}\)放大后在发射极输出去控制BG4的工作状态。这就解决了互补检拾器不能用单极性电源的问题。
图6电路中,输入直流电压有±1伏左右继电器便可启动。该电路能使用12~36伏的电源电压,我们可根据扩音机内已有电源的情况及所用继电器的工作电压来灵活选择,只要各晶体管的BV\(_{ceo}\)高于电源电压就行。

图6的保护电路简单可靠,灵敏度也较高,装好后通常不需调整就能使用,适合业余无线电爱好者装在100瓦以下的OCL扩音机里作扬声器保护。该电路的印刷电路板安装图见图7。当需要两路输入时,同样可加进R\(_{2}\)。

上述电路所用继电器的主要特性见表1。其他继电器只要特性相近,就可代用。(李应楷)