目前,在我国有的地区电网电压较低,且波动较大,影响电视机正常工作。因此,自制一台调压器很有必要。
从国产电视机来看,采用串联型负反馈稳压电源的较普遍。在这种稳压电源中,调整管的电流近似等于稳压电源的输出电流I\(_{0}\),当I0确定后,调整管上允许承受的最大压降U\(_{CEmax}\)也就随之确定,即UCEmax=P\(_{max}\)/I0,式中P\(_{max}\)为调整管最大允许耗散功率。这就是说,为了使稳压电路正常工作,必须使调整管集电极和发射机之间的压降始终高于其饱和压降UCE(sat)而低于U\(_{CEmax}\),即:UCE(sat)≤U\(_{CE}\)≤UCEmax。设稳压电源的输出电压为U\(_{0}\),则串联型负反馈稳压电路对输入电压Uλ的要求应满足:
(U\(_{0}\)+UCE(sat))≤U\(_{λ}\)≤(U0+U\(_{CEmax}\))。
在实际电路中,U\(_{λ}\)就是整流滤波部分的输出电压,当整流和滤波的电路型式确定后,Uλ便和一定值的电网电压相对应。显然与U\(_{0}\)+UCE(sat)和U\(_{0}\)+UCEmax分别相对应的电网电压值,就是稳压电源的最大稳压范围。
工作原理
自控全波整流和自控桥式整流调压器的原理电路,如图1(a)、(b)所示。自控整流电路比一般整流电路多了三组附加线圈W\(_{3}\)、W4及W\(_{4}\)',还多了一个控制电路和一个可控硅SCR。下面先看一看可控硅SCR是怎样调压的。由图1(a)可知,当可控硅SCR阻断时,它就是一个一般的全波整流电路。在不考虑滤波类型时,其输出直流脉动电压的平均值Ud≈0.9n\(_{1}\)U1,其中,U\(_{1}\)为输入电压的有效值,n1为初次级线圈的匝数比的倒数。由此可见,当电网电压降低时,U\(_{d}\)将跟着U1线性下降。当U\(_{d}\)降低到U0+U\(_{CE(sat)}\)时,控制电路将输出一个相位合适、功率足够大的触发电压,使可控硅SCR触发导通。这时接入了一个线圈W3,设此线圈两端的电压为U\(_{3}\)。由于增加了一个线圈,增大了次级线圈的匝数,所以Ud也就增大了。

现在分析一下可控硅SCR、整流二极管D\(_{1}\)、D2的导通情况。假设在0~π的半周内,交流电压的极性如图1(a)所示。这时D\(_{2}\)上加的是反向电压,所以不导通;SCR和D1上加的正向电压,当控制电路无触发电压输出时,SCR阻断、D\(_{1}\)导通。当控制电路输出功率足够大的触发电压时,则SCR导通。SCR导通后,绕组W3两端的电压u\(_{3}\)反向加到D1上,因此D\(_{1}\)将阻断。显然,SCR导通时,整流器输入的电压为(u2+u\(_{3}\)),所以在0~π的半周内,整流器输出的电压幅度增大。在π~2π的半周时间内,交流电压的极性与上述情况正相反,因为D1、SCR上作用着反向电压,所以,都呈阻断状态;D\(_{2}\)上作用着正向电压,所以D2导通。显然此时整流器输入的电压为U\(_{2}\)。
当SCR和D\(_{2}\)轮流导通时,整流器输出的脉动电压相当于以绕组W2为次级的全波整流器的输出波形,再叠加上一个以绕组W\(_{3}\)为次级的半波整流器的输出波形,其平均值Ud≈0.9U\(_{2}\)+0.45U3。可见,只要适当地选取U\(_{3}\)的数值,就可以在较低的电网电压下,使Ud满足对U\(_{λ}\)的要求。从而扩大了稳压电源的稳压范围。
图1(b)所示的自控桥式整流电路与图1(a)的工作过程完全类似。下面介绍一下控制电路的原理。
大家知道,可控硅必须同时具备两个条件才能导通,一是阳极与阴极之间作用着正向电压;二是控制极上受到功率足够大的正极性脉冲触发。可控硅导通后,控制极便失去控制作用(指普通可控硅)。因此对控制电路的要求是,当电网电压低于某一数值(即与U\(_{0}\)+UCE(sat)相对应的电压)时,控制电路应供给可控硅控制极一个功率足够大的正极性触发电压,而且要求触发电压必须在可控硅阳、阴极间作用着正向电压的时候供给。在图1所示的控制电路中,D\(_{5}\)、D6为整流二极管;D\(_{7}\)为稳压管;R3为D\(_{6}\)的限流电阻;R1、R\(_{2}\)为D5的整流负载电阻;R\(_{4}\)为可控硅SCR控制极的限流电阻。值得指出,变压器B次级线圈W4的两个绕组绕向是相反的,即中间部分为同名端,这是控制电路正常工作的前提。

由于D\(_{5}\)1、R\(_{2}\)组成一个半波整流电路,所以,R2两端的电压U\(_{NO}\)的波型如图2(a)所示,其幅度随电网电压的变化而变化。D6、R\(_{3}\)、D7组成一个半波削波电路,由于D\(_{7}\)的稳压作用,所以端电压UOM不随电网电压的变化而变化。U\(_{OM}\)的波形如图2(b)所示。显然UNM就是可控硅SCR的触发电压,U\(_{NM}\)=UNO+U\(_{OM}\),其波形如图2(c)所示。从上面的分析不难看出,UNM随电网电压的升高而减小,随电网电压的降低而增大。U\(_{NM}\)随电网电压升高而变化的情况如图2(d)所示。适当调整R1、R\(_{4}\)的阻值,就可以实现在电网电压为某一数值时,UNM将可控硅SCR触发导通。要指出的是,真正起触发作用并使可控硅导通的是U\(_{NM}\)的起始部分正尖脉冲。因为当可控硅导通后,控制极便失去控制作用,所以UNM中间下凹部分对SCR的导通情况是不会产生影响的。另外,触发电压U\(_{NM}\)和可控硅SCR阳、阴极间正向电压的同相位的关系,是靠电源变压器中各绕组间正确地绕制方向来保证的。
元器件的选择
可控硅SCR应根据稳压电源的输出电压U\(_{0}\)、输出电流I0和所采用的整流电路的类型确定。在自控全波整流和自控桥式整流电路中,可控硅SCR的额定正向平均电流I\(_{F}\)应大于或等于稳压电源最大输出电流I0max的0.5倍;正向阻断峰值电压PFV和反向阻断峰值电压PRV应分别为实际电路中出现的最大正向阻断电压和最大反向阻断电压的1.5~2倍。
稳压管D\(_{7}\)应根据可控硅SCR控制极的触发电压Ug和触发电流I\(_{g}\)来选择。一般情况下可使D7的稳定电压U\(_{D}\)等于或稍大于触发电压Ug,最大稳定电流I\(_{Dmax}\)大于触发电流Ig。在可控硅SCR选用3CT1~5的情况下,稳压管D\(_{7}\)可选用2CW1D或2CW11。
整流管D\(_{5}\)、D6应选用最大整流电流为最大稳定电流的(2~3)倍的二极管。
限流电阻R\(_{3}\)的选择原则是,当电网电压最高时,稳压管通过的电流不得超过IDmax。同样R\(_{1}\)、R2也不能选得太小,应保证电网电压最高时,D\(_{5}\)中通过的电流小于其最大允许电流。限流电阻R4的阻值可在实际调试中确定。整流管D\(_{1}\)~D4的选择,与一般全波或桥式整流电路相同。
电源变压器中的初级绕组W\(_{1}\)和次级绕组W2的圈数和线径基本与普通的全波或桥式整流电路中的一样。所不同的是,自控整流电路在电网电压较高和较低两种情况下工作时,初级线圈W\(_{1}\)中通过的电流大小不一样,因此,在选择线径时,必须以通过的最大电流值作依据,也就是以在最低电网电压下工作时的情况作依据。在原来线径选取富余量较大的情况下,也可以不再重新换线。
线圈W\(_{3}\)的线径应与W2相同,圈数为:
n\(_{3}\)=W1/W\(_{3}\)
=0.45U\(_{1min}\)/(U0+U\(_{CE(sat)}\)-0.9U1minn\(_{2}\))
式中U\(_{1min}\)为自控整流稳压电源的稳压范围的最小值可选取140伏左右;n2为线圈W\(_{1}\)与W2的匝数比。
线圈W\(_{4}\)的输出电压u4应保证在电网电压为U\(_{1min}\)时,D7仍能进行削波且满足可控硅可靠触发的要求。一般可取:n\(_{4}\)=W1/W\(_{4}\)=\(\sqrt{2}\) U1min/3U\(_{D}\)。线圈W4的线径可根据整流管D\(_{5}\)、D6的最大允许电流来确定。从机械强度上考虑,线径也不宜太细。
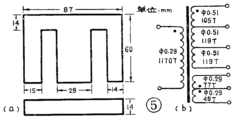
自控整流电源变压器的容量较大,总绕制圈数也较多,应选用窗口面积稍大的铁心并适当增加叠厚。
制作与调试
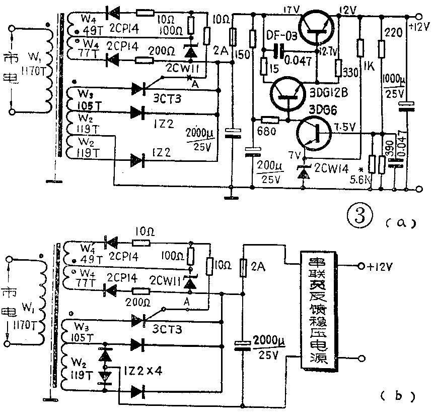
图3(a)、(b)为自控全波和桥式整流调压器的实际电路图:输出电压为12伏,最大输出电流可达2A,当电网电压在140~242伏的范围内变化时,直流输出电压稳定。可供9英寸和12英寸晶体管电视机使用。各元件的数值见图3(a)、(b),印制电路板图见图4。其中电源变压器可采用安全行灯变压器铁心,尺寸如图5(a)所示,迭厚为33毫米。变压器的用线及绕制数据如图5(b)所示。在绕制时,要保证同各端的顺序,即线圈W\(_{1}\)、W2、W\(_{3}\)、W4的绕制方向相同,W\(_{4}\)的绕制方向与前者相反。



如果要对成品晶体管电视机的电源部分进行改装,只须增加控制电路和重新绕制电源变压器。
自控整流电路的调试比较简单,使用一个自耦调压器、一块直流电流表和一块交流电压表即可。下面以图3(a)为例介绍一下调试方法。首先调整好串联型负反馈稳压电路,使其工作正常。调整稳压电路时,应断开A点,使可控硅不工作。然后把上述仪表照图6连结好。

第一步;调节自耦调压器。使电源变压器的输入电压为242伏时,观看直流电压表和电流表。这时直流电流表的指示应为零,说明可控硅处于阻断状态,否则应加大R\(_{1}\)或R4的数值。直流电压表的读数应为(U\(_{0}\)+UCEmax)伏(在该例中取18伏),若此值偏高,说明W\(_{2}\)圈数太多,反之说明W2圈数太少。
第二步:逐渐降低交流输入电压,使直流电压表的指示接近或等于U\(_{0}\)+UCE(sat)(该例中为14伏)。如果再继续降低交流输入电压的数值,控制电路就应输出足够大的触发电压,使可控硅SCR导通。这时直流电流表的指示约为负载电流的一半。可控硅导通后,直流电压表的读数应升高到U\(_{0}\)+UCEmax(即18伏),否则应适当减小R\(_{4}\)或R1的阻值。若还不满足要求,说明W\(_{3}\)的圈数不对,直流电压表的指示太小,应增加W3的圈数;太大应减少W\(_{3}\)的圈数。
第三步:进一步降低交流输入电压,直流电压表的指示应从U\(_{0}\)+UCEmax均匀下降,可控硅仍应维持导通状态。当直流电压降到U\(_{0}\)+UCE(sat)时,交流电压表的读数就是自控整流调压器稳压范围的下限值,它应符合原设计要求。否则应重新计算W\(_{2}\)、W3的圈数。(郑春迎)