由于硅管在频率特性、噪声和热稳定性方面性能较好,特别是塑料封装的硅管其价格便宜,因此目前工厂生产的晶体管收音机中已大量采用了硅管。例如上海产的便携式春雷牌3P2型三波段九管收音机;袖珍式3H3型收音机和蝴蝶牌757型七管收音机等。但是这些收音机的功放部分还是采用锗管,这是为什么呢?下面就来谈谈这方面的问题:
1.偏置电压稳定问题:由于硅材料中少子浓度比锗材料中要少10\(^{6}\)倍的缘故,因此硅管发射结的开通电压需要0.65伏,约为锗管的三倍,所以在电源电压变化时,工作点电流变化也非常大,大家知道晶体管收音机是采用干电池作电源的,这样就不可避免地要遇到因电池消耗而引起电源电压跌落,使偏置电压也跟着变动,引起功放管工作点偏移,收音机发生失真,使声音变得很难听。
2. 谐波辐射问题:由于硅管的截止频率高,当注入信号较强时,管子处于饱和状态,这时输出波形被截顶,它会产生高次谐波的辐射,使收音机在调谐电台信号时频率两边会产生很难听的“咔咔声”。此外硅管在分布电容与引线电感影响下容易产生高频自激,因此在整机排列布局和电路设计时不如锗管容易处理。
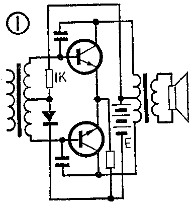
但是在功放电路中不是绝对不能采用硅管,只要我们采取以下一些措施,用硅管做功放电路仍是可以的。关于偏置问题可用两种办法解决。第一个办法,用两只NPN硅管作功放,用一只硅二极管正向连接作稳压如图1所示。这是根据二极管正向特性,二极管在导通以后会进入深度饱和状态,即这时电流变大或变小但电压几乎不变,这样二极管两端的电压稳定不变,而且动态电阻小,这样就符合功放级偏置电路的要求。第二个方法是利用N型沟道场效应管作恒流源(可用次品),它的电流在电阻R\(_{2}\)上的压降作为功放管的偏置电压,如图2所示。我们知道场效应管在一定偏压下,当源漏电压大于夹断电压时,漏电流IDS随漏源电压V\(_{DS}\)的变化极小,就是说漏电流基本保持恒定,因此在R2上的压降也维持恒定,这样就达到了稳定偏置的作用。


关于谐波辐射问题也可以通过合理布局,使功放部分远离天线磁棒或采取一些隔离屏蔽措施,电路上用阻尼、吸收等方法来解决。
上述稳定偏置电压的方法是可行的,但在大批生产时,二极管的饱和电压和功放管的输入特性的离散性都比较大,因此在选配上存在一定困难。第二种方法要增加一个场效应管,也有一个选配的问题。因此目前采用硅功放电路的收音机还不普遍。
收音机上使用硅管作功放是必然趋势,目前正有许多从事这方面工作的同志,在努力解决这些问题。(已宾)