晶体管收音机中所用的固定电容器,品种繁多、容量不一,该怎样选择?往往使初学者感到为难。下面我们就来谈谈这个问题。

首先,我们可以把品种繁多的固定电容器分成两大类(详见附表2)。一类叫高频电容器。其中包括云母电容、玻璃釉电容、聚苯乙烯电容、高频瓷介电容等品种。另一类叫低频电容器。其中包括电解电容、纸介电容、涤纶电容、低频瓷介电容等品种。从附表中不难看出,高频电容器的介质损耗角的正切值tgδ(简称“损耗”),约在10×10\(^{-4}\)~20×10-4;而低频电容器的“损耗”,约在0,01~0.3。前者远远小于后者。不仅如此,表中高频电容器的“损耗”是在1MHz的频率下测定的;而低频电容器的“损耗”是在1KHz的频率下测定的。大家都知道,电容器的“损耗”是与频率成正比的。也就是说如果低频电容在1MHz的高频下测量“损耗”,将远大于表中的数值。另外高频电容器的容量范围要比低频电容器小得多。就容量误差来说,高频电容器一般都比较小,而低频电容器中有些品种误差较小,有些则很大。由以上的特点可知:高频电容器适用于容量精度要求高、损耗要求小的高、中频谐振回路;低频电容器则主要用于低频电路。也可以在高、中频电路中担任交流分路、滤波或耦合等工作,但由于它损耗太大,不适用于高、中频谐振回路。在代用时,必须掌握这条原则:凡是使用低频电容器的场合,只要体积允许,可以用等容量的高频电容器代替;反之凡是需要采用高频电容器的场合,一般来说,不能用低频电容器代替。

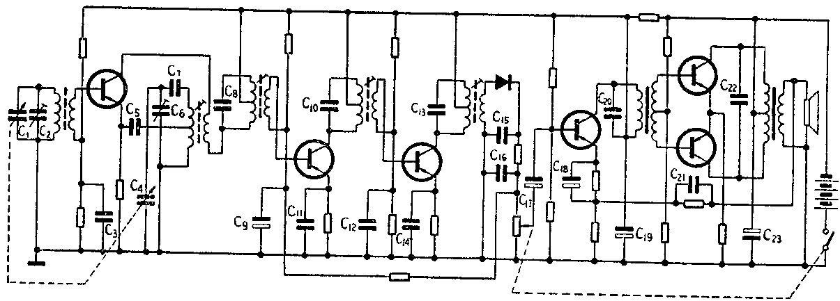
收音机电路中的固定电容,如按其在电路中作用来分大致可以分为五类:①谐振回路电容;②交流旁路或滤波电容;③交流耦合隔直流电容;④改善波形或改进频响电容;⑤电源退交连电容。这里以最常见的锗管六管机(见附图)为例,列表1来说明这种分类方法。表1中列出了这五类电容器所适用的电容器品种以及大致容量范围。表1中谐振回路电容C\(_{7}\)的容量大小必须与所用双连的容量相配合。具体地讲,当双连用270微微法等容双连时,C7选用300微微法;当双连用365微微法等容双连,C\(_{7}\)选用390微微法;当双连用290/250微微法差容双连,C7选用270微微法;当双连用127/60微微法差容双连,C\(_{7}\)可以不加。表2中谐振回路电容C8、C\(_{1}\)0、C13必须与所用中周相配合。当中周用TTF一2-1、TTF-2-2、TTF-2-3以及TTF-3-1、TTF-3-2、TTF-3-3、TTF-3-4时,谐振回路电容C\(_{8}\)、C10、C\(_{13}\)用200微微法;当中周用SZP系列时,C8、C\(_{1}\)0、C18用510微微法。必须指出表2中“适用的电容器品种”一栏,是属于较正规的设计。按这一栏选用电容器品种一般不会有问题,在业余条件下,为经济起见,读者也不必一定拘泥于表中的规定。不过一旦出现问题,首先要检查那些不符合表1规定的电容。总之,一切可以通过实践来验证。除此以外,在使用电解电容的场合,要注意所选用的电解电容的耐压不应低于收音机的电源电压。由于晶体管收音机电源电压远远低于其他各种电容器的耐压,所以对其他各种电容器不必考虑耐压问题。(注:附图中C\(_{23}\)极性画反)。(晓峻)
