转速表是一种测量转动速率的计量仪表,机械式转速表必须将转轴接触被测转动体,以获得同步转速,通过齿轮变速后用指针式表头示数,所以使用机械式转速表势必干扰被测物体的运动。本文介绍的红外线数字转速表无需接触转动体,它发射红外线,并接收从被测物体反射回来的红外线,因此不影响物体运动,并可测量深缩在机壳内部的某个局部物体的转速。由于发射和接收的都是不可见的红外线,所以不受可见光的干扰,保证了测量的准确可靠。
这种红外数字转速表,主要包括探测器和电路两大部分。
探测器包括红外发射、反射、接收以及光电转换部分。红外发射器有多种,测量短距离的转动体,可用小功率砷化镓红外发光二极管,现有的国产器件型号如5GL(上海元件五厂)、HG41、HG42(北京光电器件厂),用直流电源供电,工作电流约20毫安,可接在1.5伏至几十伏的直流电源上,只要串接电位器,调到额定工作电流,便产生不可见的红外线。发射的红外线波长为0.92微米,带宽300埃,功耗100毫瓦,响应时间小于10毫微秒,寿命大于5千小时,直径为5毫米。红外线接收管采用硅光电三极管,型号如3DU5C、3DU5B,峰值波长0.9微米,暗电流小于0.2微安,光电流3毫安,功耗100毫瓦,直径5毫米。
测量近距离转速采用反射式探测器,如图1所示,发射管和接收管都固定在探测架上,通过透镜聚焦。半透膜(光学器材商店有售)既能使发射的红外线射向转动物体,又能使从转动物体反射回来的红外线通过半透膜射向接收管。在转动体上贴一小片红外反射纸,这种反射纸上涂有一层玻璃微珠反射膜,它是将直径1~2微米的玻璃微粒粘在纸上制成的,具有定向反射特性。

测量距离较远的转动物体,宜用砷化镓单异质结激光二极管(如上海半导体器件六厂生产的2EJD系列),峰值波长0.90微米,输出功率2~10瓦,额定工作电流15~45安培,发射距离较远。相应的接收管仍可采用硅光电三极管3DU5C。

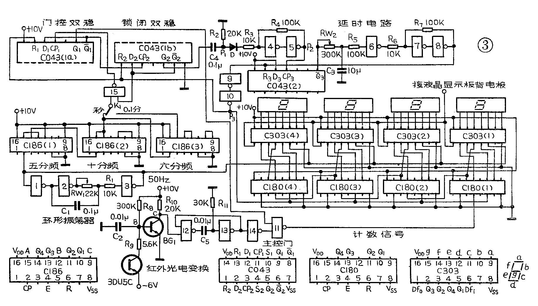
时基信号单元的信号源产生50赫方波信号,经50分频后获得“1秒”信号,又经6分频后获得“6秒(0.1分)”信号,将它们作为测量频率的时基信号,由选择开关K\(_{1}\)来选取。当K1置于“秒”位置时,从图3中的门控双稳输出端Q\(_{1}\)得到宽度为1秒的脉冲;当K1置于“0.1分”时,从门控双稳得到宽度为6秒的脉冲。用这个时基信号宽度去控制主控门。图4中第一和第二行的波形即是时基信号脉冲CP\(_{1}\)和控制主控门的脉冲Q1。
在Q\(_{1}\)呈高电平的时间里(即1秒或6秒钟内),主控门允许被测信号通过,并进入计数单元,计数单元记忆并显示出接收到的红外光电信号。
当1秒(或6秒)时间结束,Q\(_{1}\)变为低电平,立即关闭主控门。这时,显示出的表示转速的数字(1秒表示每秒转数;将6秒的读数乘10表示每分钟转数),必须保持一段时间,让测量者看清读数,然后才能清零。为此需要一个延时单元,延迟的时间为图4中的τ,一般取2~3秒钟。延迟时间结束,自动产生延时清零脉冲(图4中最后一行P3),使计数器复位。
让我们再来详细地分析一下电路图3。门1、2和3组成环形振荡器,产生50赫信号,振荡频率由电容C\(_{1}\)和电位器RW1决定。分频器用了三片CMOS集成电路“C186任意进制非同步加法计数器”,图3中画出了连成五分频、十分频、六分频的引线连接方法。
红外光电信号变换单元中, 3DU5C最好加一组负偏压,如图3中的-6V当3DU5C受红外线照射时,处于导通状态,B点为低电平。当没有红外线照射时,接收管截止,B点便呈高电平,使BG\(_{1}\)(3DG6C)的集电极C变成低电平。从C点引出的负脉冲,经过门12、13和C5、R\(_{11}\)组成的单稳态电路,去掉光电转换信号上升沿和下降沿可能产生的抖动,并进行整形。再经门14反相,得到宽度一定的光电信号脉冲,送入主控门。
门控双稳和锁闭双稳是两个D触发器,用一片CMOS电路“C043双D触发器”就可以了。门控双稳前有一个与非门15,它的一个输入端接时基信号,另一个输入端连到锁闭双稳的Q-\(_{2}\)端。门控双稳的输出端Q1控制着主控门11,门控双稳和锁闭双稳配合起来,使主控门严格地“开放” 1秒钟(或6秒钟),在这1(或6)秒钟内,允许被测信号通过,计数单元则记下这1(或6)秒钟内的被测信号数,也就是被测转动速率。接着再“关闭”一段时间τ,在τ时间内,显示转速的数字不变。待τ时间结束,便自动复位。如此不断重复以上过程。
锁闭双稳有两个作用,一个作用是当Q\(_{1}\)下降后,用锁闭双稳Q-2端的低电平锁住门15(见图3和4),不让时基信号进入门控双稳,以保证在显示读数的时间τ内,Q\(_{1}\)保持低电平,计数器停止计数;锁闭双稳的第二个作用是产生清零(复位)信号,经延时单元延迟后,将清零信号引入计数器,同时也使门控双稳和锁闭双稳自身复位。
延时复位信号是怎样形成的呢?从图3中看出,Q\(_{2}\)产生的上升沿经C4、R\(_{5}\)微分后,由二极管D选出上升尖脉冲,再经门4、5和R3、R\(_{4}\)组成的斯密脱电路整形,然后送入延时电路。延时电路由一个D触发器(图中C043(2))、积分电路(RW2和C\(_{3}\))、反相门6、斯密脱电路(门7、8和R6、R\(_{7}\))组成延迟时间由RW2和C\(_{3}\)决定。门9和门10是驱动门,用一片CMOS电路“C042双互补对加反相器”组成。
四位十进加法计数器采用四片CMOS电路“C180十进同步加法计数器”。译码器采用四片C303。C303的七个输出端 a、b、c…… g接到液晶显示板的相应的七个段电极。四片C303的显示频率输出端Df\(_{0}\)连在一起,接到液晶显示板的背电极,四片C303的显示频率输入端Dfi连在一起,接50赫方波信号。
由此可见,整个红外线数字转速表,只用了十七片CMOS集成电路,如下表所示。
名称 型号 数量 图3中符号
任意进制计数器 C186 三片 C186(1),(2),(3)
十进制同步计数器 C180 四片 C180(1),(2),(3),(4)
液晶显示译码器 C303 四片 C303(1),(2),(3),(4)
双D触发器 C043 二片 C043(1a),(1b),(2)
双互补对加反相器 C042 一片 门9,10
二输入端四与非门 C036 一片 门11,12,15
六反相器 C033 二片 门1,2,3,4,5;6,7,8,13,14。
由于CMOS电路功耗很低,电源可采用小型氧化银电池串联,每节电池电动势1.5伏,工作电流40毫安,直径16毫米,高度8毫米,体积很小。也可以用普通干电池串联供电。CMOS集成电路的V\(_{DD}\)接+10V,VSS接地。(凌肇元)

