上期在《功率集成电路5G37的检测》一文中,我们曾经具体讲解了如何用万用表判断5G37的质量及查找故障部位的办法,本文则讲讲故障修理经验。
修理方法
集成电路内部损坏时一般均发生在内部管子的PN结上。PN结损坏情况有两种:被击断(开路)或被击穿(短路)。如果损坏的那一组属于PN结被击断,在电气性能上它已经与内电路脱开了,那么很好办,只要在相对应的引出脚上焊上适当的代用元件即可;如果属于PN给被击穿(短路),问题则不那么简单,应具体分析一下电路,用下面将讲到的“放电法”或“充电法”将损坏部位的某PN结击断,使其与内电路脱开,然后再在外部引出脚上并联上适当的代用元件。
例如,对于5G37来说,如果第Ⅱ组测得③、⑤脚之间的正反向电阻均为极大值,则说明这一个PN结被击断了。此时BG\(_{3}\)、BG4与内电路实际上已脱离(BG\(_{3}\)、BG4的集电结因为工作在反向偏置,电阻很大,可视为断路),则可按图4Ⅱ的形式并联上两个三极管就行了;如果测得③、⑤脚之间的正反向电阻均很小,则属于击穿故障,应首先将这一个结击断,再在外面并联代用元件。有时有这种情况:当某PN结击穿后,用“放电法”或“充电法”不容易把这个结击断,或即使把这个结能击断,但这一组与内电路仍分离不开,这时就应具体分析一下内电路,将电路内另一个PN结(即使是好的PN结)击断,以使损坏部位与内电路完全脱离,再在外面并联代用元件。
我所用的“放电法”,就是找一个容量为200~1000微法、耐压大于15伏的电解电容器(最好漏电电流小一些),先用10~15伏的直流电压对电解电容充电(如图1a),再用已充电的电解电容的两头直接去碰想要击断的PN结的两极(见图1b,注意:电解电容器的正极碰P端,负极碰N端),应直接去碰,不要在中间加接导线或开关。这样,由于PN结的正向电阻很小,电解电容器放电电流很大,很快就能把PN结击断。经实验,这种办法十分简便、可靠。

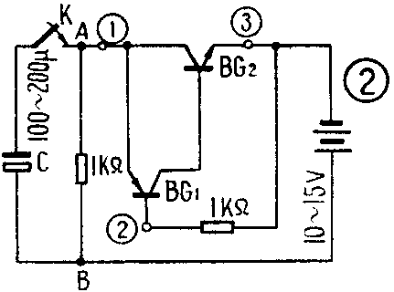
在5G37第I组当中,有时BG\(_{2}\)的反向击穿电压太低,不能胜任电路的要求,这时应更换第I组,除用放电法击断BG1发射结外,还应把BG\(_{2}\)的发射结击断,而用上述“放电法”只对类似BG1那样的发射结有效,对于BG\(_{2}\)的发射结不太适用。这时可用“充电法”,其电路见图2。先按图接好电路。当电路稳定后,用一只200~1000微法的电解电容接在图中的A—B之间(注意应先将电解电容器两端短路,将电容器上原有的电荷放完),由于电容器上的初始电压为零,所以当开关K刚合上的瞬间,就有很大的电流流过BG2的发射结向电解电容充电,很快就把BG\(_{2}\)的发射结烧断了。这个办法也适于其它类似的情况。

还有一种情况,就是集成电路内部某些三极管或稳压管软击穿后不能恢复,使三极管的反向击穿电压降低,或使稳压管的稳压值下降,影响集成电路的工作。这时往往需要逐个测试一下各组的反向击穿电压,看看是否符合要求。可采用图3电路来测试,当用万用表的两表笔去接触所要测试的部位时,电压表指针回转停住时的读数,便是被测部分的反向击穿电压或耐压值。

图4给出了5G37内部各组损坏时应该击断的部位、外部代用元件的型号和参数以及实际接线图,可供修理时参考。应该指出,外焊元件的引脚,应尽量焊在原集成块相对应的引出脚上。但是如果所接集成块的引脚没有和内电路脱离,外焊元件就不能再焊到集成块引脚上。例如,当5G37第Ⅲ组或第V组损坏时,内部PN结不容易用前面讲过的办法击断,则应将第⑦脚、第⑧脚从根部折断,甩开集成块内部的第Ⅲ组和第V组,而将外焊元件独立。

经过修理后的集成块,再用万用表就不容易判断其质量好坏了,应放在实际电路上去进行通电试验。
使用、修理注意事项
1.集成电路的某些指标余量不大,因此在使用时不要随意扩大使用范围(如随意提高工作电压)。
2.使用前一定要将集成块及外焊元件的引出脚先刮净并烫好锡,以免焊接时产生虚焊等故障。
3.一定要将电路焊接完以后再通电试验,不允许带电焊接。
4.不要突然加重负载。例如,用5G37装的扩音机,当音量电位器突然开大时,由于5G37负荷加重,会使内部某些PN结来不及散热而烧坏。
5.功率集成电路应散热良好,不允许不带散热片而在大功率状态下长时间运用。
6.当电路出现自激振荡故障时,应及早消除,否则会损坏集成块。
7.用外接元件代替内电路时,应尽量采用小型元件。二极管、三极管应选用陶瓷封装管(芝麻管),安装时应尽量平贴在集成块的外壳上,这样,当集成块温度升高时,外焊元件的温度也随着升高,可以提高电路的稳定性。
8.外焊元件的焊接位置,应避免与集成块的散热片发生矛盾。5G37的外焊元件可焊在外平面上。
9.修理时应考虑经济价值。例如5G37的I、Ⅱ组同时损坏时,是值得修理的;如果是Ⅲ、Ⅳ组同时损坏,则不值得再修理。5G37的第Ⅲ、Ⅳ组如果同时击穿,或者是第Ⅲ组单独击穿,一般也不容易修理。(林永恩)