我们在修理电视机中,经常遇到显像管阴极与灯丝碰极故障。通常出现的故障现象是,刚开机时,工作正常,图像清晰;经过一段时间后,图像清晰度突然变差,画面上的人物只能看到模糊的轮廓,甚至毫无踪影。关机数分后再开,工作又正常,但过一会儿类似故障现象又重复出现,而且其间隔周期越来越短,直到最后一开机就看不到清晰的图像。
要确定此类故障,可在图像突然变模糊时关机,迅速拔下显像管的管座,然后用万用表测量阴极和灯丝之间的电阻,将发现其阻值为零。过了一段时间后,其阻值突然又变为无穷大。产生这种现象的原因,是由于灯丝和阴极工作时受热变形或膨胀,以致相碰短路,但关机后它们又慢慢冷却,相碰处分开,阻值变成无穷大。
当阴极和灯丝碰极时,由于电源变压器灯丝绕组与地之间的分布电容的旁路作用,使视频图像信号的高频分量被旁路,结果造成清晰度下降,图像模糊。
对于这种故障,我们采用改变部分电路的办法加以补救,以继续使用原显像管。现以金星B40-A型电视机为例,介绍晶体管电视机的改动情况。我们的做法是,将视频图像信号从原来显像管阴极输入,改变成由栅极输入。但视频信号改从栅极输入后,就必须把输入阴极的负极性调制信号改变成正极性调制信号,才能得到正常的图像,否则将出现负像。
图1(a)为原电路图,图1(b)为改动后的电路图。视放输出级原来采用一个PNP型管(3CG3)和一个NPN型管(3DG118),接成共集——共基串接放大电路。所以,我们只要将图1(a)中的BG\(_{2-1}\)0换成NPN型管,如3DG12B,这样就可把BG2-10由共集电路变成共发电路,从而使视放级也就变成共射——共基串接放大电路。这样视频输出信号也就倒相变为正极性调制信号了。再通过R\(_{4}\)-41将正极性视频调制信号送入显像管的栅极。为了防止100伏电压经R2-52、R\(_{4}\)-41加到显像管栅极,使栅压变正,又在R4-41与栅极之间串接一个0.1μ~0.2μ的电容C\(_{O}\)(耐压为400伏),然后再接到栅极。

将BG\(_{2-1}\)0由共集电路改成共发电路后,会带来两个问题。一是由于共发电路的输入阻抗较共集电路的低得多,所以将影响ANC(自动杂波消除)电路和同步电路,尤其是同步电路,会使图像失步;二是由于其电压放大倍数比原来增大很多,所以当对比度开得过大时将出现负像。为了解决这两个问题,我们适当增大R2-47,即增大改接后的BG\(_{2-1}\)0的发射极电阻,从而增大了电流负反馈。这样既提高了输入阻抗,减少了对其他电路的影响,使同步稳定,又使放大倍数有所下降,不致出现负像。根据我们的经验,R2-47应在200~470Ω中选取。加强电流负反馈后,为了使高频分量不致下降太多,可在R\(_{2}\)-47上并联一只2000P左右的电容,这样可使图像清晰度得到显著提高。
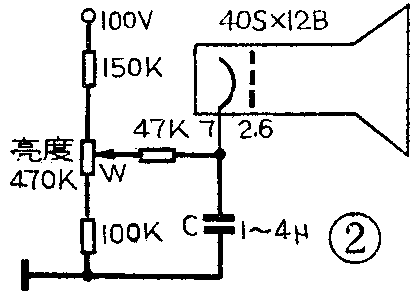
另外,由于原机亮度控制电路是通过调节BG\(_{2}\)-11的偏置电压以改变其集电极电压,从而使显像管阴极电压发生变化,来达到控制亮度的。但是现在BG2-11的输出不加到阴极了,所以应另设亮度控制电路。具体电路如图2所示。图中C的作用主要是为了消除光栅上由于6.3伏灯丝电压影响,而造成的上下翻动的黑滚道。C的容量可在1~4μ中选取。容量过小,不能抑制黑滚道;容量过大,会加大时间常数,使调节亮度旋钮时,不能及时改变亮度。

线路改装时,亮度电位器W仍装在原来位置上,原来接W\(_{2}\)-5的地方改为2.2K的电阻。C和C0可装在显像管插座的印制板上,其余几个电阻、电容装在原印制电路板部分空间接点上。
通过以上改动,电视机的收看效果与无故障时基本一样。
下面以北京牌825—2型电视机为例,介绍检修电子管电视机同类故障时,电路的改动情况。
对于显像管阴极与灯丝有碰极故障的电子管电视机,同样需要将视频信号由原来阴极输入改成从栅极输入。将原来取出场消稳脉冲的微分电容C\(_{74}\)去掉,电阻R76继续保留,如图3所示。因为改为从栅极输入了,所以原机视频输出信号必须改成正极性调制信号才行。我们知道,北京牌825-2型电视机的视频放大级为两级,所以原来视频检波输出是负极性信号,经两级视频放大器后,仍然是负极性。现在要变成正极性的视频调制信号,必须将检波器输出信号改成正极性信号。因为检波器输出信号的极性是由检波二极管的极性决定的,所以只要把检波二极管BG(2AP9)反接,就可得到与原来极性相反的视频信号。而且两级视频放大器G\(_{6}\)(6N2)、G7(6P15)的工作点可不作改动。显像管改成栅极调制后,虽然输入电容有所变化,但对视放总的幅频特性影响不大,也可以不作调整。
由于检波二极管的极性改变后,视放末级输出的全电视信号为正极性的,所以不能直接加到原同步分离管G\(_{11}\)(6A2)的栅极进行同步分离,需要重新选取同步分离信号。虽然预视放G6(6N2)输出的全电视信号极性与原来相符,但是该级增益较低,同步头的幅度还不足1伏,不能保证同步分离管稳定工作。因此,我们将视频检波输出的正极性全电视信号,经过一级放大器放大、倒相之后,变成20伏左右的负极性信号,然后再加至同步分离管6A2的栅极,这样就可以满足同步分离的要求。放大管选用6J1,此管耗电较小,对电源影响不大。所加放大电路参看图3。由于增加了一级放大器,在原底板上需要增加一只电子管和部分元件,可以将它们安装在分离管G\(_{11}\)与行振荡管G14之间的空位置上。

当然同步信号也可取视放末级输出的正极性信号,但必须经衰减后加一级倒相器,然后再送到6A2的栅极。因为例相器有一定的增益,所以需要加大隔离电阻R\(_{39}\)(约为510K),减小箝位电容C37(约为4700P)。这样改动后,还可以减小同步分离电路对视放末级的影响。
另外,由于北京牌825-2型电视机的场消隐脉冲信号是加至显像管栅极的。现在改成栅极调制了,如果场消隐信号还继续加到栅极,就会对视频信号造成很大影响。所以,我们将场消隐信号改加至阴极。这样一来原来取自场振荡级经C\(_{74}\)、R76微分形成的50伏负尖脉冲已经不适用了。因此,我们把场输出级G\(_{13}\)(6P1)屏极的正脉冲作为场消隐信号,再经一个1000P电容和一个560K电阻及亮度控制电路组成的微分电路,得到约100伏左右的正尖脉冲加至显像管阴极。由于560K电阻和1000P电容串联电路的隔离作用,灯丝供电电路与场扫描电路之间几乎没有什么影响。
由于显像管的阴极与灯丝碰极时,在阴极上也会有6.3伏的50Hz交流电压。为了防交流灯丝电压通过R\(_{84}\)等元件对视频信号造成干扰,可在亮度电位器滑动臂及接R82处与地之间各接一只1μ的电容,或者改用6.3伏直流电压供给灯丝。
通过以上改接以后,电视机仍可正常工作,效果比较满意。(奚文铎 张志)