在业余自制的电视机中,制作者往往最担心的是显象管的安全。而显象管中最容易损坏的是灯丝。如果使用不当或供电电路发生故障,常常会使灯丝烧断。因此有必要对灯丝供电的问题加以研究和改进。
一、灯丝供电中存在的问题
从表1可以知道,每一种显象管都有额定的灯丝工作电压U和工作电流I,由此我们可以求出灯丝工作时的热电阻,即:R\(_{热}\)=U/I,对于23SX5B显象管来说,R热=12/0.085≈141(欧)。若灯丝未加热时的冷电阻用R\(_{冷}\)表示,则有R冷<<R\(_{热}\),这是由钨丝的特性决定的。冷电阻值可用万用表×1档粗略测定。例如23SX5B显象管的R冷≈20欧。这样在刚开机时,12伏电源加到灯丝上,就会产生很大的瞬时电流,即:I\(_{max}\)=U/R冷=12/20=0.6(安),此电流是额定工作电流的六倍。因此,使灯丝过热发生闪光现象,缩短了显象管的使用寿命。尤其在灯丝电阻制造不均匀或引线焊接不良的情况下,局部温度过高往往会烧断灯丝。
表1
显象管 型号 厂家 灯丝电压 灯丝电流
尺寸 (伏) (毫安)
23厘米 23SX5B 上海显象管四厂 12 85
北京显象管厂
31厘米 31SX2B 石家庄显象管厂 12 85
310HCB4 日本松下 12.6 64
310JHB4 日本松下 11 91
310GNB4A 日本东芝 12 75
(Q)
310GNB4 日本NEC 12 75
310GNB4 日本NEC 12 75
(Q)
31KЛ4б 苏 联 11 70
对灯丝的另一严重威胁是稳压电源发生故障。特别是23厘米、31厘米电视机,显象管的灯丝电源是由稳压电源直接供给的。在一般稳压电源中,当调整管击穿或作基准的稳压管开路时,整流输出的直流电压(大约20~30伏)将全部加在显象管的灯丝上,把灯丝烧毁。针对上述情况,有必要在显象管灯丝供电电路中采取一定保护措施,下面介绍一种显象管灯丝保护电路。
二、工作原理
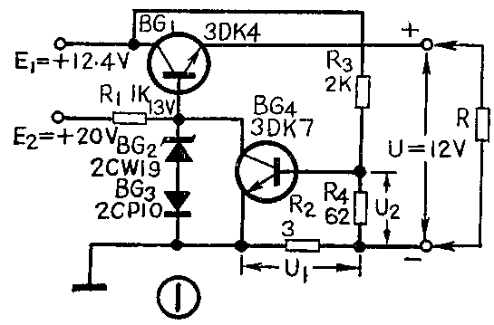
图1是灯丝保护电路的原理图,此电路经在几部电视机上长期使用,效果较好。其特点如下:

(1)具有限制灯丝电流的作用。当电源刚接通时,由于R\(_{冷}\)较小,该电路供给一个较低的电压;当灯丝被加热以后,其限值逐渐增大,供给的电源电压也将自动升高。当灯丝电阻增至R热时,供电电压也升到额定值U\(_{0}\)。也就是说,灯丝电流始终被限制在较低的范围内。
(2)具有限制灯丝电压的作用。当稳压电源输出电压过高时,该电路可以限制加在灯丝两端的电压,保证显象管的安全。
在图1中,输入电压E\(_{1}\)由稳压电源输出端供给;E2由电源滤波输出端供给,可采用16~20伏的电压。输出电压U\(_{0}\)接显象管的灯丝。
下面以23SX5B显象管为例,分析保护电路的工作原理。当输出端所接负载R=R\(_{热}\)=140欧(即电路正常工作)时,由R1、BG\(_{2}\)、BG3构成简单的稳压电路,使BG\(_{1}\)基极电位稳定在13伏左右,因而BG1处于饱和导通状态。若输入电压E\(_{1}\)=12.4伏时,此电路的输出电压U0=12伏。此时BG\(_{1}\)的c、e两端电压为0.14伏左右,负载电流I=85毫安,R2上压降U\(_{1}\)=0.26伏,如果适当选择R4的阻值,可使U\(_{1}\)+U2 略小于BG\(_{4}\)的导通电压,使BG4截止,对BG\(_{1}\)工作状态无影响。
在R<R\(_{热}\)时,负载电流I将增加,并引起U2增加,使(U\(_{1}\)+U2)大于BG\(_{4}\)的导通电压,BG4由截止变为导通。由于BG\(_{4}\)的集电极电流流过R1,使R\(_{1}\)上的压降增大,这就降低了BG1的基极电位(这时BG\(_{2}\)、BG3失去稳压作用),从而使BG\(_{1}\)发射极的电位也随之降低,即使输出电压U0降低。这又使负载电流I减小。自动调整的结果,使负载电流路大于额定电流。例如在刚开机时,R=B\(_{冷}\)=20欧,此电路可将灯丝电压控制在2.5伏左右,负载电流I=125毫安。当然I也不能太小,否则将要影响出图象的速度。
当稳压电源发生故障,使E\(_{1}\)升高时,U2随之增大,使BG\(_{4}\)导通,BG1基极电位下降。这样,输出电压不仅不会升高,反而有所降低,使灯丝电流小于额定电流。
图1所示灯丝保护电路,只适用于电源调整管串联于电源正极一侧的稳压电路,例如飞跃9DS4型、星火71—9型、英雄228一1型、飞跃12D1型等等。对于调整管串联于负极一侧的稳压电路,例如昆仑BSH23-1型、飞跃9D3型等,则可采用图2所示电路。此电路BG\(_{1}\)、BG4均采用锗管。由于锗管的饱和压降及发射结导通电压均较硅管低,使灯丝保护电路输入电压与输出电压仅差0.2伏左右,因而直接接入电路时,对其他电路影响更小。但铝管的热稳定性较差,所以应力求选用I\(_{ceo}\)较小的管子,并在装置时,尽量远离发热元件。
三、印制电路板图及元件选择
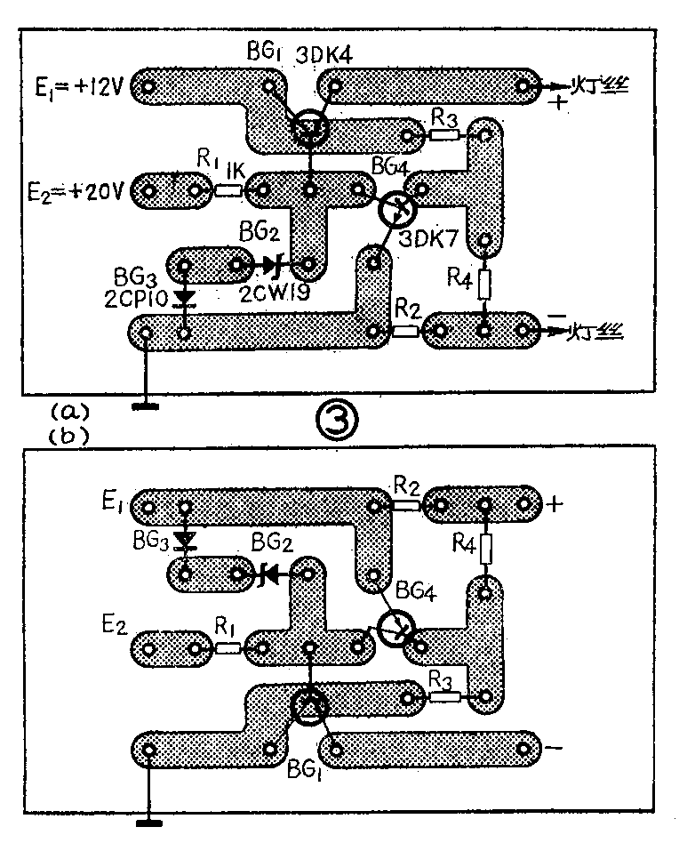
在图1电路中,BG\(_{1}\)应选用ICM>500毫安、P\(_{CM}\)>500毫瓦、BVceo≥30伏、β≥20、饱和压降较低的中功率管,如3DK4、3DG\(_{1}\)2等,不必加散热片。BG4可选用β>40的一般小功率硅管,如3DK7、3DG6、3DG4等。BG\(_{2}\)、BG3可根据稳定电压=(U+1)伏去选择稳压管(例如图1中稳定电压=(12+1)伏=13伏)。如果没有合适的稳压管,可按每个硅二极管正向结电压降为0.6伏、锗二极管为0.2伏与稳压管搭配使用。电阻R\(_{2}\)要求功率较大,可用0.1毫米的漆包线绕制,其余电阻均采用1/8W的碳膜电阻。
四、调试
现以图1电路为例,介绍一下灯丝保护电路的调试步骤:
(1)调R\(_{1}\)、BG2、BG\(_{3}\):首先断开R3,用R\(_{=}\)140欧代替R热,接通E\(_{1}\)=12.4伏,E2=16~20伏。此时,BG\(_{1}\)的c、e之间电压为0.14伏左右,输出电压U0=12伏。如果U\(_{0}\)<12伏,则因BG2、BG\(_{3}\)稳压偏低,可适当调整组合二极管的数目或管型。
(2)调R\(_{4}\):接入R3,接通E\(_{1}\)、E2,输出电压U\(_{0}\)应保持12伏不变。如有降低,则说明BG4已经导通,应减小R\(_{4}\),使U0刚刚达到12伏。
(3)用R=20欧代替R\(_{冷}\),接通E1、E\(_{2}\),此时输出电压U0大约为2.5伏左右。也可用一只200欧电位器模拟灯丝电阻,将阻值从20欧变到140欧时,U\(_{0}\)应从2.5伏变到12伏。
(4)当负载R=140欧时,将E\(_{1}\)、E2都接在+20伏处,即相当于电源调整管击穿的情况。此时,输出电压U\(_{0}\)约为6伏(注意:此项实验时间不可过长)。
五、使用注意问题
该电路输出电压U\(_{0}\)为显象管灯丝额定电压,要求输入电压E1比U\(_{0}\)高0.4伏,即E1=U\(_{0}\)+0.4伏。对此,有下面几种处理方法:
(1)对于采用12伏电源的电视机,可微调稳压电源的取样电阻,使E\(_{1}\)=12.4伏。这样其他电路的电源电压也升高了0.4伏。一般来说对原电路的工作状态影响很小,可以不做任何调整。必要时,也可在稳压电源与原电路之间串接一只工作电流大于2安培的锗二极管,(或用3AD30、3AD18等锗大功率三极管的bc结代替),如图4所示。利用二极管正向压降,使原电路的电源仍保持在12伏左右。由于二极管的动态电阻很小,对电源内阻影响也很小。此外,该二极管还可以防止电源接反。

(2)不改动12伏电源电压,使E\(_{1}\)=12伏,这时灯丝电压为11.6伏,虽较额定值低0.4伏,但仍在允许的变动范围之内,仍可正常工作。
(3)以上两种方法可以兼用。如将电源电压提高0.2伏:将灯丝电压降低0.2伏,这样对原电路工作状态影响较小。
(4)对于新装的12伏电源电视机,整个电路可以按12.4伏电源调整。对于电源电压高于12.4伏的电视机,可以在保护电路输入端串联一个电阻,以便降掉一部电压,此电阻的阻值可按R=(电源电压-12.4)/I求得。

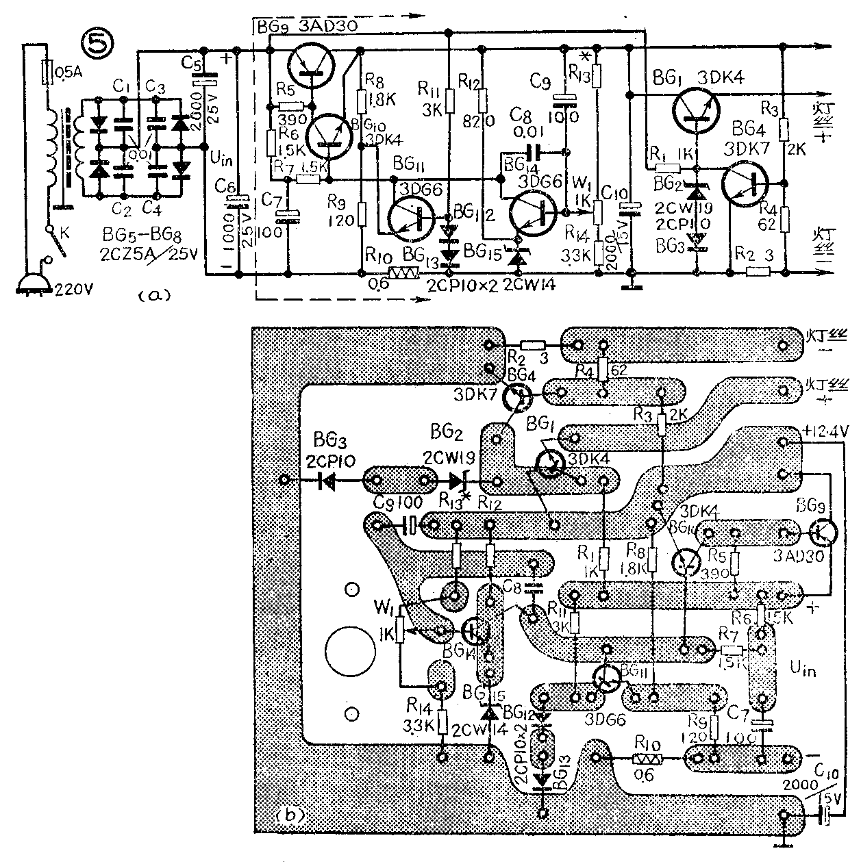
此外若在新装电视机时,除了采用灯丝保护措施外,还可参考图5(a)电路,采用过荷及短路保护措施,图中BG\(_{1}\)~4为灯丝保护电路,BG11~13及R\(_{8}\)、R9、R\(_{1}\)0、R11组成过荷及短路保护电路。其中R\(_{1}\)0需要瓦数较大的电阻,可用一小段电炉丝在1M以上的碳膜电阻上绕制,并注意焊牢。图5(b)为此电路的印制电路板图。(北京邮电学院 刘铁夫)

