近年来,市场上陆续供应了一批国外12英寸黑白电视机,如日立P—24A和P—26D、松下TR—602D、索尼TV-122CH、三洋12—T280U1等。这些电视机除了普遍采用集成电路和其他新型元器件以外,主要特点是电路比较简单。下面对这些电视机中有特点的几部分作一介绍。
三极管视频检波电路
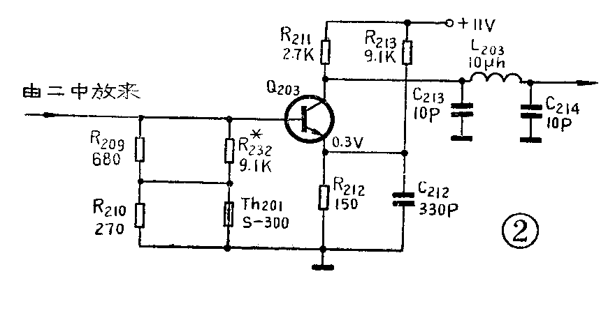
上述几种电视机的图象通道部分,唯有索尼机依然使用分立元件,并采用了两级LC中放加三极管检波的电路程式。
目前大多数电视机采用二极管视频检波电路。优点是电路比较简单、性能良好;缺点是对信号有10dB左右的衰减。为了达到一定的接收灵敏度,要求图象中放与检波合成后的总增益大于60dB,因此需要配用70dB以上的中放电路。根据计算和实践结果,大多采用三级图象中放,少数采用四级中放。而在索尼TV—122CH机中,采用了具有13dB左右增益的三极管检波电路,因此只需配用两级LC单调谐中放电路(增益50dB左右)就能够满足上述合成总增益大于60dB的要求。
图1是常用的典型的二极管检波电路。图2是索尼机的三极管检波电路。它是利用三极管Q\(_{2}\)03的B-E结进行检波,然后由三极管放大,再经C213、L\(_{2}\)03、C214等所组成的低通滤波器,滤除载波成分后得到正极性(即同步头向下)的全电视信号,其幅度约1.5VPP,送入预视放级。为了使检波管工作稳,在Q\(_{2}\)03的发射极接入了负反馈电阻R212(150Ω)。该电阻的阻值不能取得过大,否则会降低增益。电容Q\(_{212}\)(330P)的作用是提升图象信号中的高频成分,以提高清晰度,因为对高频信号来说、C212的容抗较小,负反馈减低,增益提高。


这种电路的显著优点是通过提高检波增益以使减少中放电路的级数、降低增益,从而减少了由于中放增益过高时,会出现中频自激的可能性,使电路工作状态更加稳定。
然而晶体管Q\(_{2}\)03工作点的漂移将引起预视放、视放及AGC等一连串电路工作点的漂移。为此该电路中增加了热敏电阻作为温度补偿元件,以稳定Q203的工作点,这使电路显得比较复杂,因此三极管视频检波电路的广泛应用受到了限制。
部分直耦式视放电路
这几种电视机大多采用比较简单可靠的交流耦合视放输出电路。但是松下TB602D型电视机则采用部分直耦式电路,如图3。其特点是相对说来用比较简单的电路,取得了良好的效果。

视频信号中交、直流分量分别由电容C\(_{148}\)(0.1μ)和电阻R150(220K)耦合至显象管阴极。由于R\(_{15}\)0和R149等分压作用使得直流分量只传送了其中一部分。假设亮度电位器VR\(_{63}\)调节在中心位置,则直流耦合量=R140+VR\(_{63}\)//R146/R\(_{15}\)0+R149+VR\(_{63}\)//R146=120K+250K//470K/220K+120K+250K//470K≈56%,即视放输出的直流分量只有56%耦合到显象管阴极。
此外,由于发射极电容C\(_{143}\)(220μ)的影响,使得交、直流信号的放大量不一样。所以说这是一种部分直耦式的视放电路。参照本刊1980年第2期“飞跃牌12D1A型黑白电视机”一文提出的方法计算可得:当对比度最小时,交流放大倍数K1交流=R\(_{148}\)/R143//(R\(_{145}\)+R152+VR\(_{62}\))=R148/1500//(82+18+1000)≈R\(_{148}\)/658;直流放大倍数K1直流=R\(_{148}\)/R143//(R\(_{144}\)+R145+R\(_{152}\)+VR62)=R\(_{148}\)/1500//(390+82+18+1000)≈R148/750。因此直流耦合系数在对比度最小时为K\(_{最小}\)=K1直流/K\(_{1交流}\)=R148/750/R\(_{148}\)/658≈87.7%;在对比度最太时为K最大=K\(_{2直流}\)/K2交流=R\(_{148}\)/370/R148/94≈25.4%。结合前面所述,视频放大器输出的直流中只有56%耦合到显象管阴极,所以实际的直流耦合系数K\(_{(实)}\)在对比度最小时为K(实)最小=K\(_{最小}\)×56%=87.7%×56%≈49%;对比度最大时为K(实)最大=K\(_{最大}\)×56%=25.4%×56%≈14%。
电路中的电阻R\(_{15}\)0(220K)还兼有显象管阴极电位与视放管集电极电位之间的隔离作用。调整对比度时,视放管集电极直流工作电压虽然会出现显著变化,但是由于R150的存在,使得显象管阴极电位受到的影响比较小。此外,视放管即使出现短路性故障,也不致造成阴极电位过低,屏幕光栅过亮的不正常现象。这样,亮度控制电压可以加在显象管的阴极上,而不必象大多数直耦式电路那样加在栅极上,同时也便于在栅极上接入亮点消除等附加电路。电阻R\(_{148}\)(120K)起阴极限流作用,用这种简单方法就能获得满意的自动亮度限制作用,其最大阴极电流约120μA。(费钥)