电子延时开关电路不仅在生产上,而且在家用电气用具方面都得到了广泛的应用。下面介绍一种简单的延时开关电路,延时范围为1秒到4分钟。
工作原理
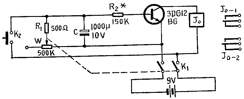
图1是本文所介绍的电路图。当接通K\(_{1}\)时,接通电源,这时按下开关K2,电源即给电容器C充电,电容上电压增高。手离开开关K\(_{2}\)后,充电电路即断开,电容C通过R2、BG管的发射结放电,因放电电流开始时较大,BG管导通,接在集电极电路中的继电器线圈中有电流流通,继电器吸动,它的触点接通了某种电器的电源电路,该电器开始工作。

随着电容器放电,电容器两端电压逐渐下降,于是BG管的基极偏流减小,集电极电流也随之减小。经过一段时间后,集电极电流就减少到小于继电器的吸合电流,于是继电器释放,它的触点就断开了被控电器的电源,被控电器停止工作。
延时时间的长短可用电位器W来调整。因为W、R\(_{1}\)与R2、BG管的发射结电阻都是并联在电容C的两端,所以,当W阻值增大时,放电所需的时间长,阻值减小,放电时间便短。
元器件选择与安装
晶体管尽量选用穿透电流小、放大倍数大的管子。
继电器选用工作电压为9伏、吸合电流小于50毫安的继电器,其触点数可根据所接的电器选择。
本电路的元器件安装在一块95×65毫米\(^{2}\)的的绝缘板上。焊接时,可直接利用元器件的脚线作连接线。绝缘板放在木盒里或塑料盒里,可把开关K\(_{2}\)、K1、W和用电器插座装在外壳上。
调试
检查全部元器件焊接无误后,用一只电位器串联一只电阻代替R\(_{2}\)。接通电源,按一下按钮开关,立即调电位器使继电器吸动,然后测出电位器和串联电阻的阻值,用一只同阻值的固定电阻代替接在R2位置上。调整图中电位器W至阻值最小,这时,延时时间应为1秒。如果大于1秒,应减小R\(_{1}\);若时间太短应增大R1的阻值。然后再将电位器W旋至最大值,按一下开关K\(_{2}\),这时继电器的吸合时间约为4分钟,如果不到4分钟,可以将C1或W再增大。在调试中应注意,如果晶体管的漏电流太大或放大倍数太低,延时时间可能达不到4分钟。
调整好以后,可以利用输出插座,将继电器相应触点接到需要控制的电器上,投入使用。(羊羚)