当我们打开近几年从国外引进的电视机时,可以发现线路板上有一些安装方式奇特的电阻器,这些电阻器不紧贴在线路板上,而是悬空支承着(见图1),有的还在电阻外面套了一段玻璃丝套管,这就是本文要介绍的——熔断电阻器(或称安全电阻器)。熔断电阻器具有双重功能:平时在电路里起着一个普通电阻的作用;而当电路失调、过载或个别元器件损坏时,该电阻器还能根据预定的过载功率和过载时间发生熔断,从而可靠地保护重要的元器件,防止故障扩大。在修理时,我们也可以从电阻的熔断而快速地找出故障发生的大致部位,给维修者提供了方便。

熔断电阻器分“不可修复的”和“可以修复的”两种。图1所示的是不可修复的这一种,当负荷超过一定限度时,熔断电阻器获得的热量足以将它的膜层破坏,从而使电路断开。这种熔断电阻器熔断后,使用者是没有办法修复的,坏了就得另换一只。图2所示的是我厂生产的可修复熔断电阻器,图中画出了它的外形、结构和尺寸。该熔断电阻器由工作电阻、弹性装置、底座、透明外罩组成。工作电阻按其导电膜层可分为金属膜电阻、沉积膜电阻等。弹性装置的主要部分是一根弹簧绕组,它的一头点焊在引线上,另一头用低温焊料焊在工作电阻端头引线上。当工作电阻负荷超过一定限度时,低熔焊点熔化,弹簧就能迅速弹开,切断电路。
这种熔断电阻器熔断后的修复方法是很简单的。首先检查熔断后电阻弹簧丝张开的角度,若小于图3要求,可用镊子轻轻拨开,以满足弹力要求。然后用镊子将弹簧丝轻轻压在电阻端头引线焊点上,并稍涂一点松香酒精液,再将清理干净的烙铁头烫上一些特种低熔焊料(暂由我厂供应),靠在焊点处,等焊点充分熔化后,迅速移开烙铁头,待焊点冷却后方可松开镊子,如图4。合格的焊点应整齐圆滑,焊珠大小约1毫米左右,弹簧丝应埋在焊珠内。若焊珠过大、过小、虚焊或露丝(见图5)均会影响熔断特性,应重新焊过。


熔断电阻器的最主要技术指标为熔断特性,其要求为:当实际负荷功率为额定功率的3倍,连续负荷1分钟、在规定的环境温度范围内(暂定为-10℃~+45℃)均能保证熔断。图6所示的就是一种熔断电阻器(0.2W,270Ω)的典型熔断特性曲线。由熔断特性曲线可以看出:当电路供给该熔断电阻器的功率小于或等于0.2瓦,则在-10℃~+45℃的环境温度范围内都不会发生熔断,电路能够正常工作。当电路供给的功率大于0.2瓦,例如0.4瓦,则该熔断电阻器是否发生熔断,可从熔断特性曲线上查出,并且能得出熔断时间的大致范围。例如:环境温度为+45℃时,能发生熔断,熔断时间为15~20秒;环境温度为+26℃时,熔断时间为20~25秒;环境温度为+8℃时,也能发生熔断,熔断时间为50~100秒;但若环境温度低于0℃,则0.4瓦功率不会引起熔断,只有当电路供给的功率大于或等于0.6瓦时,才能发生熔断。如果该熔断电阻器使用的环境温度上限高于+45℃,则应按图7规定减小实际负荷功率(即允许功率)。例如电路的环境温度为+55℃,查图7可知:+55℃时允许功率为额定功率的75%,即允许工作电流和熔断电流也应为额定值的75%。这样一来,必然影响低温时的熔断性能,但因电路故障发生的概率高峰通常都在高温度端,因此从整体来说,还是可行的。

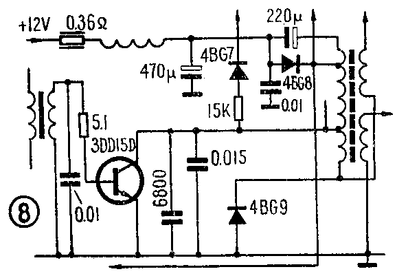
下面举一个采用熔断电阻器的线路实例(图8)。目前熔断电阻器的图形符号尚无统一规定,图8中用在原电阻器符号的两侧各加一条平行线来表示。图8是一种12英寸黑白电视机的行输出管部分,该机行输出管正常工作电流为600~800mA,若超过1000mA就希望能切断电源,以保护行输出部件。根据要求我们选用了0.36Ω熔断电阻器,该熔断电阻器的额定工作电流为746mA、最大熔断电流为1290mA,将该熔断电阻器串在行输出管的12V电源输入处,如图8所示。试验时有意设置几项故障,均能在几十秒内使其熔断。由于熔断电阻的电阻值很小,因此对其它图象指标均无影响。

关于各种熔断电阻器的额定工作电流值和最大熔断电流值,有表可查,限于篇幅,这里不刊列了。(洪都无线电厂 杨以鹏)