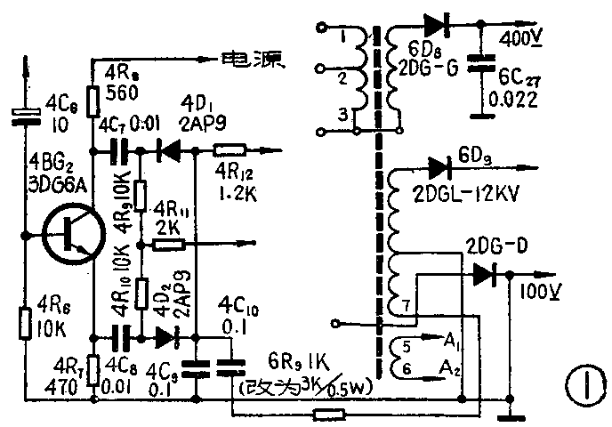
早期生产的孔雀牌KQ9—A(B)、凯歌4D4、英雄228—2、飞跃9DS4等型号的电视机,在高压包中需要多绕一个绕组,一头接地,另一头将负向逆程脉冲电压经过RC积分电路送入鉴相器。图1所示电路就是KQ9—B型电视机的这部分电路,6R9与4C\(_{1}\)0、4C9是积分电路。

如果这类电视机的高压包损坏了,可把行输出变压器拆开,将原来的高压包焊下来,低压包不要动,换上全国联合设计的高压包,接上磁环,紧固铜箍,然后用1×0.4的单股塑质线,在没有线包的磁环一侧分二层平绕45圈以代替原负脉冲绕组。然后再找出绕组的同名端。
查找同名端的方法如图2所示,用一节干电池串接一个100μ以上的电解电容,电池的正极接低压包“2”,电容器的一端接“3”。万用表置于0.5伏或1伏电压档,“+”“-”表笔分别接新绕组的两端。当电池刚接通时,如果电压表的指针向正方向摆动,则“+”表笔所接的一端为低压包“2”端的同名端;如向反方向摆动,则“-”表笔所接的一端为“2”的同名端。将同名端接地,另外一端接电阻6R9。最好将6R9换成3K、1/2W的电阻。这时电视机即可正常工作。

如果没有万用表,也可先将新绕绕组的任一端接地,另一端接6R9。然后调节行频电位器,如果行不容易同步或者同步范围很小,这说明接反了,只要调一个头就可以了。如果接对了,行频电位器能在1/3~1/4的范围内,使图象保持同步。最后再反复调节4W1和行频电位器,使图象位置正确。(汪元军)