在我国销售过的匈牙利TA—5204型黑白电视机及日本CRP—149D型和CTP—216D型彩色电视机,都装有集成电路触摸式节目选择器。为了使大家对这种集成电路有所了解,现将其内部电路及工作原理作一简要介绍。
工作原理
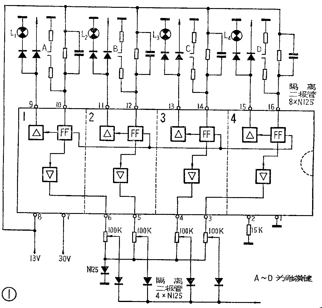
在TA—5204型电视机中,使用SAS560及SAS570共同担任八组开关电路。而在CRP—149D及CTP—216D型电视机中使用两块SAS570担任八组开关电路。SAS560及AS570这两种集成电路的内部结构基本相同,其内部结构方框图及外围电路如图1所示。从图上可以看出,在它的内部有四组转换开关电路(图中虚线隔开的四部分),其中每一组均由一个翻转触发器“FF”和两个直流开关电路“ 弊槌伞7シ⑵鳎刂屏礁鲋绷骺氐缏返耐ㄓ攵稀6礁鲋绷骺氐缏贩直鹂刂30V频道调谐电压和高频头、指示灯11V工作电压的通断。当接通电视机电源以后,如果首先是第一组开关电路导通,这时第9脚有11V电压输出,使指示灯L\(_{1}\)发光。同时,第6脚输出30V调谐电压,电视机正常工作在某一频道上。

当我们需要收看另一频道的电视节目,例如将手指摸在B触摸键时,则第二组开关电路导通,而第一组开关电路截止。此时,指示灯L\(_{2}\)发光,第11脚输出11V电压、第5脚输出30V调谐电压,电视机就接收另一个频道的电视节目。每一组开关电路的触摸键,当受到触摸指令后,均能产生上述相应的变化过程。
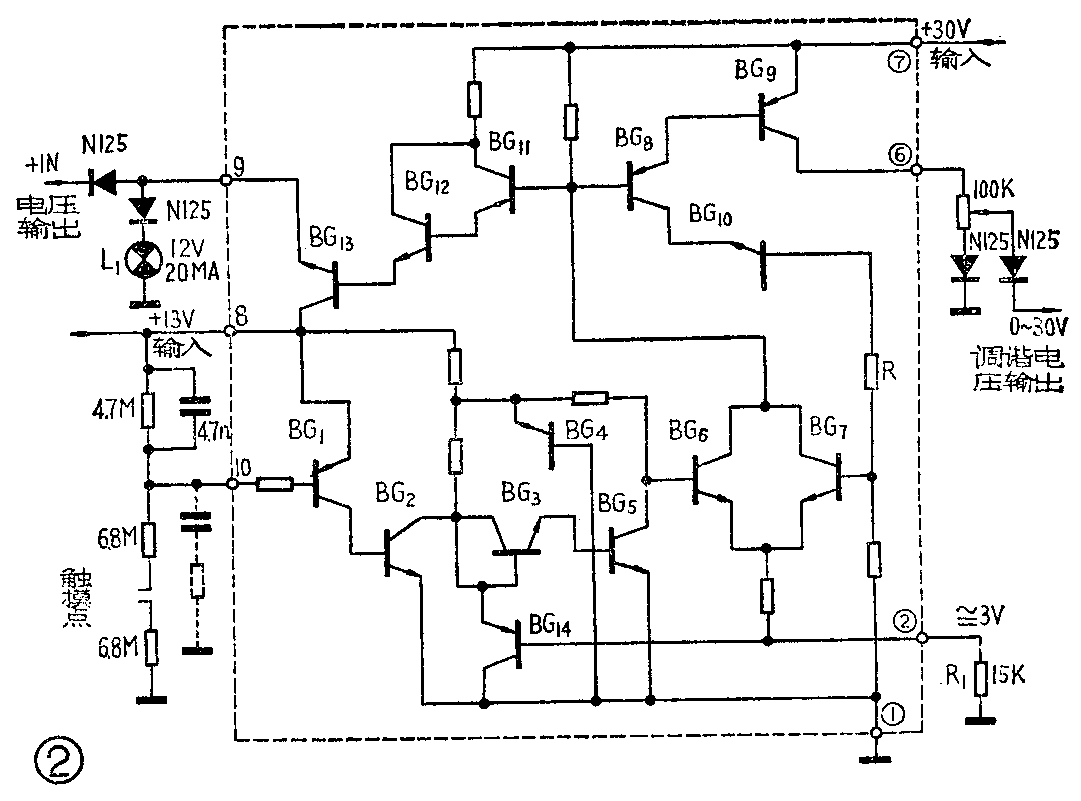
下面我们进一步介绍一下某一组(如第一组)开关电路的具体工作过程。图2画出了它的内部电路,其中BG\(_{1}\)的B极和E极,都接有+13V电压,B极的偏压为零,此时BG1处于截止状态。当我们的手指按在触摸键上时,瞬时使B极的电位低于E极,这时BG1由于处于正偏置而导通。BG\(_{1}\)导通以后,BG2因获得正向偏置也导通,使BG\(_{2}\)的C极电位下降。由于BG3的C极与BG\(_{2}\) C极直接相连,所以BG3变为截止。此时,又因BG\(_{5}\)的B极与BG3的E极直接相连,所以又使BG\(_{5}\)失去偏置也相应截止,使BG5的C极电位升高。因此又使BG\(_{6}\)的B极获得正偏置而导通。BG4用作稳压,以保证不使BG\(_{6}\)的B极偏压过高。BG8和BG\(_{11}\)平时处于截止状态。当BG6导通时,由于BG\(_{8}\)和BG11的B极与BG\(_{6}\)C极相连,所以使BG8和BG\(_{11}\)的B极电位下降,BG8和BG\(_{11}\)由截止变为导通。BG8导通后,又使BG\(_{9}\)导通。这时,由集成电路第7脚输入的30V电压通过BG9加到集成电路的第6脚输出。在这同时,由于BG\(_{11}\)的导通,就使BG12、BG\(_{13}\)也处于导通状态,使得由集成电路第8脚输入的13V电压经过BG13加到集成电路的第9脚上。因而使接到第9脚上的指示灯发光和高频头开始工作。

另外,BG\(_{8}\)导通以后,该管的电流通过BG10和电阻R使BG\(_{7}\)的B极获得正向偏置,BG7也导通,使得当手指离开触摸键以后,BG\(_{8}\)和BG11的B极仍保持在低电位,以维持它们的导通状态,直至需要转换频道,给以新的触摸指令为止。BG\(_{1}\)0是稳压管,电阻R1是各组开关电路的公共回路电阻。当BG\(_{7}\)导通时,R1两端的压降约为3V左右。在转换频道的瞬间,由于同时另一组(如第二组)开关电路的导通,使得流过电阻R\(_{1}\)的电流增加而使压降上升约为4V左右,这样就使得BG7的E极的电位高于其B极的电位而截止。由于BG\(_{7}\)的截止,使得BG8和BG\(_{11}\)因其B极电位的上升也截止。从而使第一组开关电路关闭,第6脚和第9脚均无电压输出。这时第二组开关电路接通,使第5脚及第11脚分别有30V和11V的电压输出,第二组开关电路处于工作状态,直到又有新的转换频道指令为止。
从上述过程中我们可以看出,BG\(_{1}\)~BG7是担任触发转换“FF”的工作;BG\(_{8}\)、BG9和BG\(_{11}\)~BG13分别组成两组直流开关电路。
当使用SAS560集成电路时,由于在该集成电路内的第一组开关电路中,设置了一个开机触发起动电路,所以当一接通电视机的电源时,第一组开关电路的指示灯立刻发光。这个触发起动电路由BG\(_{14}\)组成。从图2可以看出:BG14的E极与BG\(_{3}\)的B极相连,当接通电视机电源第8脚上的13V电压立刻使BG14导通,使BG\(_{3}\)处于截止状态,产生上面所说的变化过程。
当使用SAS570集成电路时,由于它内部没有开机触发起动电路,则需在第一组的电路上加接一起动装置。在CRP—149D或CTP—216D型电视机中,是在第一组BG\(_{1}\)管B极上接一电容、电阻串联支路(图2中用虚线表示),作为触发起动电路。
常见故障
该集成电路在使用中所产生的故障有下列几种:
1.开机后没有噪声,所有的指示灯均不亮。这时,应检查第8脚上的13V电压情况。因无噪声,说明高频头无正常工作电压,也可能是地线断开引起的。
2.开机后有噪声,指示灯亮,但无图象及伴音。这说明高频头已工作,可能是无调谐电压(30V)。应测量第7脚及第6脚有无调谐电压。
3.开机后图象和伴音均正常,每个触摸键都能正常工作,但有某一指示灯不亮。这应检查指示灯的灯丝是否烧断,或隔离二极管是否开路(CRP—149D、CTP—216D使用的是发光二极管)。
4.开机后同时有两个指示灯发光。这一般是集成电路中某一组开关电路发生故障。一般情况下,开机后应是第一组指示灯发光,即第一组开关电路导通。若由于另一组开关出了故障,而使开关始终处于导通状态,则开机后就会产生上述情况,这时应更换集成电路。
5.开机后,有四个指示灯同时发光(例如1、2、3、4或5、6、7、8)。
这种现象产生的原因与上述第4种情况相同,是由于四组开关电路均发生故障引起的。但是,在更换集成电路时应注意周围零件是否有损坏情况(如隔离二极管等)。 (吴纪祥)