“泵电源”电路是将整机直流供电电源与行扫描输出级紧密地结合在一起的一种电路。由于这种电路在取消电源变压器、减少整机体积和重量、提高能量转换效率、降低功耗以及在自动保护等方面均有较大的优越性,因此,已被广泛地应用于各种类型的电视机中。
“泵电源”电路以下简称“泵源”,是在行扫描逆程期间,由市电经整流后供给行输出级,维持行输出级的正常工作,同时,又从行输出级取出一个稳定的低直流电压供给整机其它各部分电路。这样,行输出级又是其它各部分的供电电源。由于这种电源电路是在行逆程期间从市电电源中抽取能量来供给其它部分,所以形象地称它为“泵电源”。
“泵源”的由来
为了便于大家了解“泵源”的供电原理,我们先讲讲普通行输出级(图1)工作过程中的能量转换关系。

图1中直流电源电压E\(_{c}\)是由整机稳压电源供给的。行输出管工作于开关状态,在等效电路图中(图2)用K表示;D为阻尼二极管;Cr为逆程电容;C\(_{s}\)为S形校正电容,它对行电流的阻抗很小,在其两端维持一个接近电源Ec的直流电压,因此可以把它看作一个等效的电源E;L为行偏转线圈等效电感(暂时略去行输出变压器及线性调整线圈的电感)。

行输出级的工作过程可分为四个阶段,其能量转换关系如下:
t\(_{0}\)~t1期间,行输出管基极的推动脉冲极性为正,行输出管饱和导通,相当于开关K闭合,图1电路等效于图2(a)。此时电源E通过K在电感L中形成接近线性增长的电流i\(_{L1}\)。同时线圈L中积累了磁能。这部分能量是从电源E中吸取的。
t\(_{1}\)~t2期间,当t\(_{1}\)时行推动脉冲极性变为负的,行输出管截止,即K断开。由于线圈中储存了磁能,在K断开之后将产生感应电势。这一感应电势将维持原方向的电流对Cr充电。线圈中的磁能转化为电容C\(_{r}\)上的电能。这一阶段的等效电路如图2(c)。
t\(_{2}\)~t3:C\(_{r}\)中储存的电能通过L泄放,形成电流iL\(_{3}\),其方向与iL\(_{2}\)相反,电容两端电压UCr逐步下降,电能又转变为磁能。到t\(_{3}\)时,UCr=0,i\(_{L}\)3达到最大。这一阶段的等效电路如图2(c)。
t\(_{3}\)~t4期间,如果没有阻尼管D,L与Cr之间将继续进行能量转换。由于D的加入,在t\(_{3}\)之后,L中的感应电势为上负下正,使阻尼管D导通,形成泄放电流iL\(_{4}\)。iL\(_{4}\)的方向与电源E的内电势方向相反。因此,iL\(_{4}\)将对电源充电。这一阶段的等效电路如图2(d)。至此完成了一行的扫描,其中t0~t\(_{1}\)、t3~t\(_{4}\)为扫描的正程阶段,t1~t\(_{3}\)为逆程阶段,这时出现逆程脉冲如图2(g)。
从上述过程中我们可以看出:t\(_{0}\)~t1阶段,行输出级从电源吸取能量;t\(_{3}\)~t4阶段,行输出级向电源馈还能量。如果行输出级完全没有能量损耗的话,这两个阶段的能量将是相等的。但是实际上电路中存在着许多能量损耗,因此从电源E中吸取的能量大于馈还电源的能量,这个差值就是由电源来不断补充,我们称为供电。在普通行输出电路中,电源对行输出级的供电是在扫描的正程期间进行的。
现在我们提出:能不能在逆程期间对行输出级进行能量补充(供电),以维持它的正常工作呢?
“泵源”电路就是基于这种设想而形成的。
“泵源”的基本原理
“泵源”的原理电路如图3。图中右半部分为常规的行输出电路,左半部分为一个逆程供电电路。U\(_{N}\)为整流电源,Rs为串联调整电阻,S\(_{2}\)为控制开关。如果开关S2在逆程期间闭合,则供电电路与行输出电路接通。供电电路将向逆程电容Cr充电。充电电流的数值,取决于U\(_{N}\)与Rs的大小。因此,只要适当地控制充电电流,就可以使Cr吸收的外来能量补偿行输出级的功率损耗,维持行输出级的稳定工作。这样一来,就可把图3中的直流电源E用一个储能元件——电容器C\(_{L}\)代替,由于在逆程期间电源的供电,保证了Cr有维持电路工作所必须的电能,而这一部分电能,在t2~t\(_{3}\)期间将转变为L中的磁能,这一磁能又在t3~t\(_{4}\)期间向CL充电,使C\(_{L}\)上维持一定的工作电压E。这样CL在t\(_{0}\)~t1期间,就向偏转线圈L提供了所必须的能量,维持行输出级的正常工作。不仅如此,我们还可以进一步设想:只要在逆程期间所补充的能量是足够的,还可由C\(_{L}\)引出电压E作为电源,供给整机电路的其它部分,这样就实现了“泵源”的整机供电。

实用电路
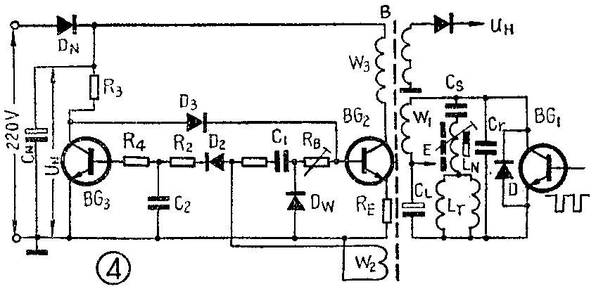
图4是一种实际使用的“泵源”电路。其中右半部分是常见的行输出电路及泵源供电电容C\(_{L}\)。由CL输出低直流电压E供给整机的其它部分。左半部分是逆程补能供电电路,其中BG\(_{2}\)是自动启动的开关;BG3是自动切断的开关;D\(_{N}\)、CN组成整流电路。

当接通交流电源之后,通过D\(_{N}\)半波整流对CN充电,使C\(_{N}\)保持直流电压UN,其电压为上正下负。U\(_{N}\)通过R3、D\(_{3}\)给BG2的基极加了一个正偏压使BG\(_{2}\)导通。BG2的导通电流,将在W\(_{3}\)中引起一感应电压,同时也在W2中激起一感应电压。W\(_{2}\)上的感应电压加到BG2的e—b之间,控制BG\(_{2}\)集电极电流Ic。而I\(_{c}\)的变化又将在W3及W\(_{2}\)中激起感应电压,形成了一个反馈过程。只要合理安排W2、W\(_{3}\)线圈的极性,使这一反馈过程为正反馈,则在BG2的电路中就将激起自激振荡。其振荡频率由逆程电容C\(_{R}\)、行输出变压器及偏转线圈的电感量所决定,约为40KHz。这个自激振荡将在W1中产生感应脉冲电压,使Cr被充电,Cr又经W\(_{1}\)对CL充电,经若干周期的自激振荡之后,C\(_{L}\)上积累的电压就将使行振荡电路开始工作,因而使行输出管基极得到推动脉冲,这样,整个行扫描电路也就工作起来了。这时W2也将出现逆程感应脉冲电压,BG\(_{2}\)就将由这一脉冲电压的控制,在逆程期导通,对行输出级补充能量。同时BG2由自激振荡工作状态转变为受控工作状态。
在行扫描电路开始工作之后,应将由R\(_{3}\)、D3等组成的启动电路切断以降低功耗。这一任务就由BG\(_{3}\)来完成。
W\(_{2}\)所感应得到的脉冲电压,通过D2和时间常数电路R\(_{2}\)、C2、R\(_{4}\)作为正偏压加到BG3的e-b之间。合理选择R\(_{2}\)、C2、R\(_{4}\)的参数,就能使经过一定的时间之后,BG3基极获得正偏压而导通、BG\(_{3}\)导通之后,将使D3正端电压下降。当这一下降的电压低于BG\(_{2}\)基极电压之后,D3就截止,因而切断了R\(_{3}\)、D3启动电路。
在开关管BG\(_{2}\)e-b之间的稳压管DW,用作稳定泵源输出的直流电压,使其不受电源电压波动的影响。因有了D\(_{W}\)之后,在逆程期间BG2的正向偏压是固定的,所以BG\(_{2}\)的集电极电流也是不变的。而对行输出电路补充能量的大小,取决于BG2导通时脉冲电流的大小。当脉冲幅度不变时,补充能量的多少,也就固定不变了,因此行输出电路工作状态得到了稳定,也就使C\(_{L}\)输出的直流电压稳定不变。
BG\(_{2}\)发射极所接电阻RE为负反馈稳定电阻,R\(_{B}\)为基极调整电阻。调整RB的大小可以改变BG\(_{2}\)输出的脉冲电流幅度,也就改变了输出电压值。C1为耦合电容。
泵源电路还具有自动短路保护作用。因为开关管BG\(_{2}\)是受逆程脉冲控制而周期性导通的。如果万一泵源输出端出现短路情况,行扫描电路即将停止工作,逆程脉冲也将消失,BG2也就无法导通。电源对行输出级的能量补充也就停止,达到了电路自动保护的目的。
图5是匈牙利TA-5301和TA3301型电视机中实际应用的电路。

在这个电路中,由集成电路(IC401)向行推动管T605输出行振荡矩形脉冲波,行推动管对输入的脉冲波形进行倒相、放大并经行推动变压器(T\(_{r}\)602)加到行输出管的基极。行输出管T604(BU406D)与阻尼管组合在同一个管壳内。C612为逆程电容,C611为S形校正电容,L601为行幅度调节线圈,L602为行线性调节电感,L603、L604是偏转线圈。这部分电路与常规的行输出电路相同。Tr601为行输出变压器,其5、6端之间为初级线圈,C610为储能电容器,3、4端之间为泵开关管T601的集电极负载线圈,也是向行输出电路供能的线圈,1、2端之间为反馈线圈,向T601e-b之间馈送控制其导通的逆程脉冲电压,7、8端之间输出供中压整流用的正极性脉冲电压,8、9端之间输出供键控AGC电路用的正极性逆程脉冲电压,10、11端输出的脉冲电压供显象管灯丝加热用,最上端为高压线圈,整机所需25V直流电压由C610正端输出。
泵源电路由泵开关管T601,及有关元件组成。220V的交流电压经桥式整流电路产生大约300V直流电压,再经储能电容器C604、电阻R602、电容C605组成的滤波电路,在C605两端输出270V直流电压,通过线圈3、4端加到T601集电极上。
由整流电路输出的直流电压经R604、C606加到T601基极,作为触发电压(此时,因C606容量较大还来不及充分充电)。T601发射极经电阻R608、R610接地。这时T601的三个电极均得到了正常的偏置电压,因此导通。其集电极脉冲电流通过线圈3、4,同时在线圈1、2中感应出一定的脉冲电压。这一感应电压经C608、D606并联网络加到T601e-b之间。由于3、4线圈与1、2线圈绕组的极性正好使T601集电极与基极之间建立正反馈,所以T601进入自激振荡状态。在自激振荡过程中,通过行输出变压器线圈5、6端,对C610充电,使C610建立起一定的直流电压。
为了使行振荡电路能尽快地起振,在泵源电路中还设置了由D622、C621组成的辅助启动电路。在T601进入自激振荡状态之后,其发射极脉冲电流通过D622对C621充电,形成大约为5~6V的直流电压。这一电压经F点加到IC401集成电路的3脚上,使行振荡级开始工作。这样就使行输出级进入正常工作状态,T601就由自激状态转为他激状态,电路完成了启动过程。这之后由于集成电路C点的正常供电电压为8.2V,所以D622转入反偏状态,自动将辅助启动电路断开。而T601基极的触发启动电路R604,C606,也因C606已被充电达到稳定状态,所以对基极也不再产生影响了(这是与图4中BG\(_{3}\)作用相类似的又一种自动切断启动电路的措施)。但是,这类电视机在关机之后,立刻又开机,T601是无法启动的。必须是在关机后经过一段时间,使C606上储存电压泄放完毕,才能实现第二次开机启动。
电路中的稳压管D605在逆程脉冲到来期间,将T601基极电压稳定在8.2V上。这样就保证了T601导通时的脉冲电流稳定在一定幅度上。也就保证了泵源电路向行输出级补充恒定的能量不会随着电源电压的波动而改变,使C610输出的直流电压有很好的稳定特性。
这种电视机当电源电压在190V~250V范围内变化时,输出的直流电压能稳定在25V;低于190V时,仍能工作;但低于160V时,工作性能就明显变坏。
泵源电路低压供电的内阻比较大,当后级负载电流变化时,会使25V直流电压发生波动。因此,在这个电路中还采用了并联型(分流型)稳压电路。这部分电路由T602、T603及有关元件组成,分压输出A、B、C、D四路电压,分别加到有关的电路。并联型稳压电路的原理是这样的:T602发射极是由稳压管D607稳定在8.2V上,而其基极电压是取自A点的分压电压。如果由于某种原因A点电压下降,集电极电流下。因T602与T603两管是串联运用的,T602电流的减小也使T603电流减小,因而R612上的压降减小,使A点电压上升。T603发射极与T602基极之间是直接耦合反馈的,提高了调整的灵敏度。
这个电路也具有短路保护作用。当C610输出端发生短路情况后,行输出电路将立即停止工作,使T601也停止工作,电路得到保护。
这种电路也可以采用直流供电,将直流电源由C610两端接入整机就可以使整机正常工作。但是,此时必须将T601从电路中断开。
这种泵源电路可作调整用的元件,主要有T601的发射极电阻R610和T602基极分压电阻R616。调节R610的阻值会改变T601导通时脉冲电流的幅度,从而改变向行输出电路补充能量的大小,也就调整了C610输出的直流电压的大小。
调节R616的阻值,会改变T602及T603的电流值,也就调整了A~D各点的输出电压。
调整时,应使输入的电源电压为220V,先调节R610使C610两端(即E点对地电压)为25V±0.2V后,调节R616使T603集电极电压为15V±0.5V。
由于25V输出电压的调整与并联稳压电路电压的调整互相影响,因此调整须反复进行。
有条件的,可以采用标准的25V直流电源加在C610两端(注意要先把T601从电路中断开),先调节R616使并联稳压电路工作符合要求。再去掉外加的25V电源,恢复T601的位置,再接通220V电源,调节R61O使E点电压为25V即可告成。(郭苕华)