触摸式电子门铃结构简单、使用安全,而且易于安装。只要把接触线安在门的拉手等金属部位上,当手一接触这块金属,即有响声报告有人来。由于接触点可以巧妙地安装在任何金属部位上,也可以用来做简易报警器。
工作原理

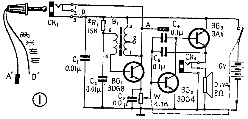
图1是触摸式电子门铃的原理图。从图中我们可以看出它是由振荡器和讯响器两部分组成的。BG\(_{1}\)1等组成典型的电感反馈式振荡电路。由于B\(_{1}\)的初级1、3两端圈数较少,在其两端又未并联谐振电容,只是依靠很小的分布电容组成谐振电路,所以振荡频率很高。由于此振荡器的工作点调得较高,起振后发射极电流变小,所以在其发射极电阻(4.7千欧电位器W)上产生的压降也很低,平时把电位器中心头调到使BG2与BG\(_{3}\)组成的讯响器(工作原理见本刊76年第6期)处于临界振荡状态。当手触及与A点连接的接触板时,由于人体感应关系,相当于给振荡器加了一个很重的负载,从而破坏了BG1的振荡而使其停振,于是BG\(_{1}\)发射极电流有很大增加。同时其发射极电阻上的电压也显著增加,其中心抽头上的电压也随之增加。这个电压直接耦合到BG2的基极,使BG\(_{2}\)与BG3组成的讯响器发出振荡叫声。当人体离开触摸板后,振荡恢复正常,BG\(_{1}\)发射极电压减小,BG2、BG\(_{3}\)组成的讯响器停止发声。
元件选择
BG\(_{1}\)选用3DG8,要求β值为100左右即可。BG2选用3DG4,要求β值50左右。凡是3DG型的管子只要β值与要求接近都可使用。BG\(_{3}\)用3AX型的任何三极管都可以,要求β值在50左右。
B\(_{1}\)采用晶体管超外差式收音机上用的中波振荡线圈SZZ1(磁帽为红色的)。其他型号的晶体管超外差机中波振荡线圈也可代用。
W为晶体管收音机上用的带开关小型电位器。其他型号的电位器只要阻值在4.7千欧左右都可使用。
喇叭选用0.1伏安、8欧姆、直径为2英寸的。其他型号的喇叭只要阻抗在8欧姆左右功率不大于3瓦都可使用。
电阻、电容无特殊要求,只要数值一样即可使用。
电池为四节5号电池。如果不考虑整机体积,也可以用其他6伏直流电源。
调试方法
按照图2、图3把元件安装连接好后,就可以进行调试。首先断开电位器W中心头连线,接通电源,调整BG\(_{1}\)偏流电阻R1,使BG\(_{1}\)发射极电流在0.5毫安。然后用万用表电压档测量W两端电压,应在2伏多一点。用手捏住改锥金属部分碰BG1集电极(此时引出线A、D可不接),观察电压表电压数值,如上升1伏左右,说明工作正常。如果电压不升高,则可检查B\(_{1}\)有否断线或者将B1的4、6两端调换一下,直到手碰触BG\(_{1}\)集电极时,W两端电压升高为止。BG2与BG\(_{3}\)的工作点不需单独调整。


将W中心头连线复原,改变W的中心头位置,使中心头与“地”的电阻逐渐增大,等到喇叭里发出振荡叫声后,把电位器中心头再反方向转回一点,使振荡叫声刚刚停止时就是讯响器的临界振荡状态了。当再用手捏住改锥金属部分碰BG\(_{1}\)集电极,喇叭就应当发出振荡叫声。经过这样两步调整,调试工作完毕。整机电流在讯响器不响时,应为4毫安左右。
使用方法
在电路中的D点引出一条两米以上长的塑料导线,拖在地下或挂在门上。在A点引出一条线安装在要碰触的地方如门把手等地方。也可把A、D两点接到CK1插孔上,通过插头连接金属接触板及拖线,见图2。在需要使用门铃时打开电位器上的电源开关,把电位器调到讯响器处于临界振荡状况就可以使用了。一定要注意调整电位器使讯响器处在临界振荡状态,否则电子门铃就有可能失灵。如果要在很远的地方听到门铃响声,可如图加一个外接喇叭插孔(CK2),再通过插头和两根长引线,连接装在远处的外接喇叭。将插头插入CK2插孔,原来喇叭就断开,远处喇叭里就可听到门铃响声了。


电子门铃最适合门铃接触点离电路本身一、二米远的地方使用,如果门铃接触点要求安在离电子门铃电路十几米以外的地方,那就要按图4的方法安装接触点。即把A、D两点引到两个互相绝缘而又彼此靠近的金属片上。使用时就需用手同时碰触两块金属片才能使电子门铃发声。触摸式电子门铃整机结构见图5。(沈征)