与、或、非等基本逻辑运算又叫基本逻辑操作。我们曾经用一般的开关描述过它们的物理意义。但是,这些逻辑操作并不是用一般开关实现的,而是由晶体管组成的电子电路来实现的。这种执行基本逻辑操作的电子电路就叫作“基本逻辑电路”。又因为这些电路都是在满足一定条件时,才让电信号通过,否则就不让通过,就象有警卫把守的门一样,所以又把它们叫作“门电路”。提起电子计算机、数字仪表和程序控制电路,有人就觉得很难,其实它们都是由有限的几种门电路组成的,正象高楼大厦也总是由砖石瓦木组成的一样。所以只要掌握了基本逻辑电路的原理,搞懂这些复杂的数字系统也不是太难的事。
下面我们就来介绍几种基本逻辑电路。

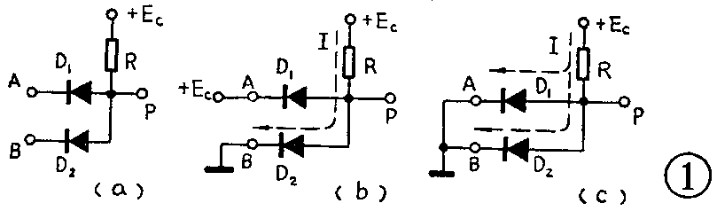
与门 最简单的“与”门可以用两个二极管和一个电阻组成,见图1a,其中A、B为输入端,P为输出端。在说明该电路具有“与”功能之前,必须首先规定低电位(0伏)代表逻辑0,高电位(+E\(_{C}\))代表逻辑1。只有作了这种规定,才能把电位的变化变成数字的变化,也就是把电子电路和逻辑运算联系起来。我们先假定输入端B点接低电平,A点接高电平,见图1b。这时二极管D2导通,电源电流经R和D\(_{2}\)流向B点。因为二极管导通时正向压降很小,所以输出端P是近似于0伏的低电位,二极管D1这时加的是反向电压,所以是截止的。由此可见,当A=1、B=0时,P=0。同样,当A=0、B=1时,也是P=0。
下面再看A、B都是低电位的情形(见图1c),这时,D\(_{1}\)、D2都导通,流过R的电流将分成两路,分别流向D\(_{1}\)、D2,而输出端P仍是低电位,即A=0、B=0时,P=0。反之,当A、B都加高电位时,两个二极管都截止,电阻R上没有电流,P点电位等于电源电压E\(_{C}\),成为高电位。即A=1、B=1时P=1。

图2a画出了输入A、B及输出P的波形图。可以看到,只有当A=1、B=1时,P才等于1。可见这个电路具有逻辑与的功能。用逻辑式表示就是P=A·B。
为了清楚方便起见,所有逻辑图都不画出实际电路,而是用逻辑符号来表示。图2b就是我国统一规定的逻辑“与”的符号,A、B表示两个输入端(有几个输入端则画几条横线),P表示输出端。图2c是过去使用过的以及国外常用的三个符号。方框中的“Y”是汉语拚音“与”的字首,“·”表示逻辑乘。
采用这种逻辑符号之后,只要一看框图就能知道它的逻辑功能,而不必了解它内部的具体电路,这对于画图、识图、分析逻辑关系以及设计和调机都是很方便的。

或门 最简单的“或”门电路如图3a所示。当输入端中有一个是高电位(逻辑1)时,相应二极管导通,电流从输入端经导通的二极管及R流到-E\(_{C}\)。因为二极管导通时正向压降很小,所以输出端为高电位,即P=1。这时输入端为低电位的那个二极管由于反偏而截止。
当两个输入端都是高电位时,D\(_{1}\)、D2两个二极管都导通,当然同样是P=1。反之,当A、B都是低电位(逻辑0)时,因为该低电位仍高于-E\(_{C}\),所以两个二极管仍导通,而P点电位仍然接近于A、B两点的电位,即P=0。对照波形图(图3b)可以看到这个电路只要有一端输入为1,输出则为1,因此具有逻辑“或”的功能,写成逻辑式就是P=A+B。
图3c是标准化的“或”门符号,图3d是国内外常用的符号。方框中的“H”是汉语拚音“或”的字首。

非门 我们曾介绍过图4a这样的非门电路。当输入端A是低电位时,三极管的基极电位接近于0,使三极管处于截止状态,输出端P的电位等于电源电压+E\(_{C}\)。当输入端A为高电位时,三极管的基极电位高于发射极电位,发射结是正偏,在基极电流和β足够大时,三极管从导通达到饱和,这时电源电压几乎全部降到RC上,P点电位只有零点几伏。这就是说,A=0时,P=1;A=1时,P=0,所以说它具有逻辑非的功能。它的输入输出波形图见图4b,其逻辑式则为P=A。标准的非门符号如图4c所示,图4d是国内外常用的几种符号,方框中的“F”是汉语拚音“非”的字首。

实用的“非”门电路往往多用一个电源-E\(_{B}\),如图5所示。因为实际的低电平信号并不绝对等于0伏,通常约为0.2~0.4伏,这样的低电平信号加到非门输入端,不能保证晶体管可靠地截止,这就有可能破坏输入输出的逻辑关系。加了这个负电源-EB后,在输入为低电平时,三极管的基极是负电位,因此能保证三极管可靠地截止。(方波)