目前在国内市场上销售的飞跃12D4、昆仑B314、凯歌4D14等等各种型号的集成电路黑白电视机,是采用从国外进口的六块集成电路等元器件装配而成的。许多无线电爱好者和修理部门纷纷来信要求发表有关文章。有关集成电路的基础知识及组成集成电路的基本单元电路,本刊另有文章阐述。在这里,我们将陆续介绍六块电视机用集成电路的内部电路及其工作原理,供大家学习参考。 编者
HA1144集成电路的主要功能是完成第一、第二级图象中频放大和中放自动增益控制,并产生高频头所需要的延迟高放自动增益控制(RF AGC)电压。
HA1144的内电路及其典型应用时的外围电路见图1。从高频头送来的中频电视信号经中放门电路,再经、脚送入第一级中放。经两级中频放大后,由连接到③、④脚间的平衡变压器2BO1的次级耦合至第三级中放(在HA1167集成电路内)。来自HA1167集成电路的AGC电压由HA1144的⑧脚经中放AGC电路送至第一、二级中放,控制其增益。同时送至延迟RFAGC电路,产生控制高频头高放级增益的AGC电压。下面我们从第一中放入手来分析HA1144集成电路的工作原理。

第一级图象中频放大器
第一级图象中频放大器为单端输入、双端输出的射随器——差动放大器的级联电路(见图1)。其中BG\(_{11}\)、BG12是差动对管,BG\(_{16}\)管是它的恒流源,D13、R\(_{7}\)及D14、R\(_{8}\)分别为BG11、BG\(_{12}\)管的射极负反馈电阻,其作用后面另作分析。因为信号输入脚外接电容2C08对信号起旁路作用,故称单端输入。由、脚输入的中频电视信号经射随器BG\(_{9}\)、BG10分别送至差动放大器BG\(_{11}\)、BG12的基极,由其集电极输出。电阻R\(_{5}\)、R6和通过、①脚外接的电感2L\(_{0}\)6为差动放大器的负载。2L06和第二中放输入电容组成低Q值谐振回路,以补偿二中放输入电容所引起的高频增益的降低。因为R\(_{5}\)、R6阻值较小,所以一中放是宽带放大器,AGC电流经电阻R\(_{22}\)引入,以控制其增益。
第二级图象中频放大器
第二级图象中频放大器为双端输入、双端输出的射随器——差动放大器的级联电路(见图1),BG\(_{1}\)、BG5与BG\(_{2}\)、BG6组成共发—共基差动电路,BG\(_{15}\)是它的恒流源。
采用共发—共基电路能使二中放内部反馈减至最小,使工作稳定。由于晶体管存在着内部反馈(即由集电结电容C′\(_{bc}\)引起的反馈),会造成谐振放大器工作不稳定。当放大器工作频率较高时,集电结电容C′bc的容抗随频率增加而减小,使反馈量增加。而调谐放大器的负载为一谐振回路,当频率改变时,即使在通带以内,其等效阻抗的性质可能是纯电阻,也可能是感抗或容抗。因此,内反馈的性质变化很剧烈,特别是在使内反馈成为正反馈的频率上,且满足振幅条件时,放大器就会产生自激,致使放大器不能正常工作。采用共发—共基电路(图2)后,输出端信号电压u\(_{0}\)反馈到输入端不仅要经受C′bc2和BG\(_{2}\)管基区体电阻r′bb2组成的分压器的衰减,还要经受C′\(_{bc1}\)和BG1管基极发射极间阻抗所构成的分压器的衰减,所以使内反馈量比单管共射极放大器减小很多。这种级联电路的总电压或功率增益与单管差不多。
从第一级中放BG\(_{11}\)、BG12管集电极输出的中频电视信号,通过第二级中放射随器BG\(_{3}\)、BG4送至BG\(_{5}\)、BG1与BG\(_{6}\)、BG2组成的共发—共基差动放大器BG\(_{5}\)和BG6管的基极。BG\(_{1}\)、BG2管的集电极分别连至③、④脚,外接平衡变压器2B01,2B01的次级与电容2C\(_{13}\)组成的并联谐振回路,作二中放的平衡负载。中频电视信号由2B01次级输出,送至HA1167集成电路的①脚。二中放的AGC电流通过电阻R13引入,以控制其增益。其它部分与一中放相同。
图象中放的自动增益控制
这里采用的是改变差动放大器发射极负反馈电阻来实现其增益控制的,称为减生型AGC电路。
前已述及,在一、二级中放差动对管的发射极回路分别接入了二极管和电阻并联网络。在室温条件下,二极管电流I\(_{D}\)与二极管动态内阻rD可以近似地认为成反比,即I\(_{D}\)越小,rD越大;而这时与二极管并联的电阻阻值比二极管内阻大得多,可认为开路。因此,改变I\(_{D}\),就等于改变了rD,也就改变了差动对管射极回路的反馈电阻的阻值,从而改变了反馈量,实现了对差动放大器的增益控制。

二极管电流I\(_{D}\)的改变是通过恒流管BG16(二中放的是通过BG\(_{15}\))来实现的,见图3。恒流管BG16(或BG\(_{15}\))的基极为固定电位,是由内部稳压电路UC所偏置,其射极电位也被U\(_{C}\)箝位,故IR14和I\(_{R12}\)可认为是恒定值。当中放AGC电路未工作时,IAGC=I\(_{E38}\)=0,放大器增益最高。当中放AGC电路工作时,IAGC(即I\(_{E38}\))分别经电阻R22、R\(_{13}\)流入电阻R14、R\(_{12}\)。对于E、F点,电流的相互关系是:IE16+I\(_{R22}\)=IR14;I\(_{E15}\)+IR13=I\(_{R12}\)。由于IR22流入R\(_{14}\),IR13流入R\(_{12}\),使BG16、BG\(_{15}\)射极电压上升,IE16、I\(_{E15}\)减小,相应地IC16、I\(_{C15}\)也减小,结果ID随之减小,r\(_{D}\)增加,射极负反馈增强,放大器增益降低。值得指出的是:由于R13/R\(_{22}\)≈2,所以IAGC的2/3流入R\(_{14}\),只有1/3流入R12,也就是说,对一中放的控制作用大,当信号最强时,BG\(_{16}\)管有可能截止,使一中放停止工作。为了保证在AGC作用最强时,一中放仍能正常工作,所以接入电阻R15(见图1)。
中放AGC电路

中放AGC电路由BG\(_{19}\)~BG22、BG\(_{38}\)和D23、D\(_{37}\)、D40等组成,其电路如图4。它是把U\(_{AGC}\)变换成IAGC,以满足中放电路对AGC控制信号的要求。图中BG\(_{2}\)0管是AGC放大器,其输出电压经射随器BG22管送至BG\(_{21}\)管基极;BG20管又是中放AGC的门控管,其射极通过电阻R\(_{21}\)连至BG19管射极。BG\(_{19}\)管的基极由内部稳压源的UC来偏置,故其射极也被U\(_{C}\)箝位在固定电位,其电位UE19=U\(_{C}\)-UBE19,所以流过电阻R\(_{2}\)0的电流为定值。UE19又为BG\(_{2}\)0管的射极提供一固定偏压,显然当UAGC>U\(_{E19}\)+UBE20=U\(_{C}\)时,BG20管开始导通,因此称U\(_{C}\)为中放AGC起控电压。另外BG19管又作为BG\(_{22}\)管的射极有源负载。
中放AGC电路的工作过程是:当电视机没有信号输入或信号微弱时,⑧脚的输入电压U\(_{AGC}\)<UC,BG\(_{2}\)0管截止,电视机处于最大增益状态下工作。随着输入信号的增强,⑧脚输入的AGC电压升高,当升至UAGC>U\(_{C}\)时,BG20管开始导通,对输入的AGC电压进行倒相放大,其集电极电流I\(_{C2}\)0增加,集电极电位(即BG22基极电位)则下降,通过射随器BG\(_{22}\)又使BG21管的基极电位下降,致使BG\(_{21}\)、BG38复合管导通。由于BG\(_{21}\)、BG38管的导通,使I\(_{E38}\)(即IAGC)增加,因此使一、二中放的差动放大器工作电流下降,增益降低,达到自动增益控制的目的。
若中放AGC控制作用不够时,可改变⑤、⑥脚间外接电阻2R\(_{1}\)0来调整。
晶体管BG\(_{19}\)的作用是:作为射随器BG22的有源射极负载;为BG\(_{2}\)0射极回路提供一恒定电压(因其射极电位被稳压源UC箝位),作为BG\(_{2}\)0管开始工作的起控点电压。
延迟高放AGC电路
HA1144集成电路输出两种延迟高放AGC电压;正向AGC电压,供给普通型的晶体管高放级高频头;负向AGC电压,供给采用场效管作高效管的高频头。
1.延迟高放AGC电路见图4,BG\(_{25}\)管为共基极放大器,作延迟高放AGC工作的门控管,其基极接至⑨脚,外接电位器2R11用来调节起控电压值,也即调节延迟范围。当⑧脚输入的自动增益控制电压U\(_{AGC}\)>UC,BG\(_{2}\)0管导通,其集电极电位降低,此时,BG25管射极电位也相应降低。但当U\(_{AGC}\)不够高时,BG25管仍处于截止状态,没有延迟高放AGC电压输出。直到U\(_{AGC}\)增大到一定值时,BG25管才开始导通,其集电极电位降低,输出负向AGC电压,并分别送至BG\(_{26}\)和BG31管基极(见图1)作为:正向(或反向)AGC电压。调节⑨脚外接偏置电阻2R\(_{11}\)就可调节BG25管导通阀值电压,也即调节了高放AGC的延迟电位。⑨脚电位越低,高放AGC电路工作越迟。

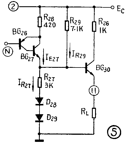
2.正向高放AGC电路,见图5,它由BG\(_{26}\)、BG27和BG\(_{3}\)0管组成。BG26和BG\(_{27}\)组成异极性复合管,一方面起直流电位移动作用,同时完成倒相放大。电阻R27和二极管D\(_{28}\)、D29作复合管的负载,同时作为BG\(_{3}\)0管的偏置,二极管还起温度补偿作用。当UAGC不够高时,BG\(_{25}\)截止,致使BG26、BG\(_{27}\)管也截止,而使BG30管导通,BG\(_{3}\)0管射极输出电位最低,称最小正向高放AGC电压,也即无信号时的脚直流电位,此时高放AGC电路不能工作。当电压UAGC足够高时,高放AGC电路开始工作,BG\(_{25}\)管导通,其集电极电流增大,并使其集电极电位下降,而输出负向AGC电压,经BG26、BG\(_{27}\)例相放大加至BG30管基极。BG\(_{3}\)0管为射随器,由其射极(即脚)输出较大的正向高放AGC电压供给晶体管高频头,控制其高放增益。
3.反向高放AGC电路见图1,由BG\(_{31}\)~BG33、BG\(_{35}\)、BG36和D\(_{34}\)、D39组成。BG\(_{31}\)、BG32组成异极性复合管,一方面起直流电位移动作用,同时又把输入的负向AGC电压倒相为正向AGC电压,D\(_{34}\)管和电阻R31为其负载,同时作BG\(_{35}\)管的偏置。当BG25管不工作时,BG\(_{31}\)、BG32管截止,BG\(_{33}\)、BG35管也截止。电阻R\(_{34}\)偏置BG36管使其导通,射随器BG\(_{36}\)输出高电位,即无信号时的⑩脚直流电位,称为最大反向高放AGC电压。
当BG\(_{25}\)管导通后,其集电极输出的反向AGC电压送至BG31管的基极,经BG\(_{31}\)、BG32倒相放大为正向AGC电压,送到BG\(_{35}\)管的基极,再倒相一次,经射随器BG36通过⑩脚输出反向高AGC电压,供给场效应管作高放级的高频头,以控制其增益。
HA1144集成电路内部各级直流工作点,均由BG\(_{17}\)、BG18与电阻R\(_{16}\)~R19等组成的内部稳压源供给。它是一种利用电阻分压所得电压作基准电压的串联型稳压电路见图1。它的工作原理有关书、刊均有介绍,这里不重复。
HA1144集成电路主要指标
额定消耗电流I\(_{o}\) 14.3~33.4mA
最大消耗电流I\(_{omax}\) 16.4~38.4mA
最大电压增益K\(_{umax}\) ≥51dB
最小电压增益K\(_{umin}\) ≤4.0dB
最小正向AGC电压U\(_{min}\) 3.62~4.18V
最大正向AGC电压U\(_{max}\) ≥6.5V
最小反向AGC电压U\(_{⑩min}\) ≤1.0V
最大反向AGC电压U\(_{⑩max}\) ≥10V
最小中放AGC电压 ≤2V
最大中放AGC电压 ≥8V
(郑凤翼)