盒式磁带录音机是60年代发展起来的一种磁记录设备。因其体积小、重量轻、使用方便,而且性能不亚于盘式录音机,所以近一、二十年发展相当快。
盒式录音机有使用集成电路与分立元件混合式电路的,也有单使用分立元件的。无论使用什么元件,盒式机电路都是由录/放音放大器、超音频振荡器、附属电路(压缩电路、指示电路、自停电路、稳速电路和降噪电路等)和电源电路等四部分组成。最典型的普及型盒式机方块图如图1所示。增益靠手控的录音机不设压缩电路;采用直流偏磁的录音机没有振荡器部分。

一、录放音放大器
盒式磁带录音机的录音和放音一般共用一个放大器。但录音和放音状态的输入阻抗、信号强弱、高低频补偿、负载等都不相同,所以必须通过录/放转换开关进行控制。录/放音放大器由输入电路(包括均衡器)、低频放大器和功率放大器等三部分组成,整个放大器增益一般为70~80dB。
输入电路 由于录/放音放大器的增益很高,输入电路的噪声必须很小。这级一般都选用低噪声晶体管,并且把该级设计在小信号状态。静态集电极电流一般调在0.1~0.2mA。
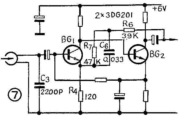
输入级一般都采用直接耦合形式,电路如图2所示。这种电路既有较高的温度稳定性,又可获得比较高的放大倍数。增益可达到40dB左右。这种电路稳定性好可解释如下。从图2可见,BG\(_{2}\)的基极电压也就是BG1的集电极电压,而BG\(_{1}\)的基极偏置电压是从BG2的发射极电阻R\(_{12}\)取得的,因而,BG1的基极电压与I\(_{e2}\)成正比。如果由于温度升高造成Ie2↑,则R\(_{12}\)上的电压UF↑。随着U\(_{F}\)↑,则Ub1↑,使得I\(_{b1}\)↑Ic1↑U\(_{c1}\)↓, 结果使Ib2↓I\(_{e2}\)↓。这样,保持Ie2不随温度而变化,达到了稳定工作状态的目的。
BG\(_{1}\)的发射极电阻R4没有并联旁路电容,目的是加大对交流信号的反馈。这样虽然牺牲了一些放大倍数,却提高了输入阻抗,减小了失真。
录音信号可分为高电平(如电唱机、收音机、录音机和电视机的输出)和低电平(如话筒输出)两种。高电平的电压一般为0.1~2伏。输入信号通过衰减器衰减后再送至放大器输入端。衰减器的衰减量一般为100~1000倍不等。按标准规定,线路录音输入阻抗≥50千欧。在使用“线路输入”时,机内话筒自动断开。这时输入信号电平大小不能由本机控制。尽管有些机器有自动增益控制电路,由于输入信号太大仍会出现过载,使失真变大,动态范围减小。当外部信号过小时,信噪比将下降。因此在正式录音之前先要试录,试放。觉得效果确实满意时再正式录音。
话筒录音时,为了获得良好的录音效果,声源与话筒距离要适宜,一般为30~50厘米,并保持环境安静。盒式磁带录音机所采用的机内话筒多为驻极体电容话筒,输出电平一般为0.3毫伏~2毫伏,它的阻抗为1千欧左右,可以直接连到放大器输入端。但驻极体电容话筒的输出电平差异较大,故有时也在话筒与放大器之间串入一电阻,如图2中的R\(_{45}\)。这样可将灵敏度高的话筒输出电平衰减一些。
当录/放开关转换到放音时,放音磁头接到输入电路的输入端。放音磁头的阻抗在频率为1千赫时是600欧到2千欧。因为磁头的阻抗是感性的,所以频率越高它的阻抗也就越大。高频杂音就容易感应到放大器去。为此,在输入端并一电容,如图二中的C\(_{3}\)。C3同时也起到补偿高频特性的作用。为了防止交流声,磁头到输入电路使用屏蔽线连接。
均衡电路 在放音和录音过程中由于存在着各种高频损失,要想得到平坦的综合频率特性,必须对放大器进行频率补偿。对于普及型盒式录音机,在放音放大器中主要补偿低频,而在录音放大器中主要补偿高频。

录音均衡电路在录音放大器中用来补偿高频损失。补偿的方式是在录音放大器的输出端与录音磁头之间串入一个高频提升网络,如图3所示。磁头的阻抗是感性的,频率越高,其阻抗越大。而高频提升网络的阻抗是容性的,频率越高,阻抗越小。只要容抗的变化量大于感抗的变化量,则两者阻抗之和就随频率的升高而降低。盒式机的磁头在1千赫时阻抗为600欧左右,而R\(_{36}\)、C18并联阻抗约为12千欧;频率为6.3千赫时,磁头阻抗是4千欧,而R\(_{36}\)、C18并联阻抗为3千欧。显然,提升网络与磁头串联的总阻抗是随频率的升高而降低的。而录音放大器本身的频响特性又是平坦的,这样一来就提高了流过磁头线圈的高频电流。大家知道录音磁头缝隙的磁通量大小与磁头的安匝数成正比,在线圈圈数一定时,其磁通就与电流成正比。因此频率为6.3千赫的电流比频率为1千赫的电流产生的磁通量大。特性平坦的录音放大器输出信号经过高频提升网络之后,变成图4的样子。这个网络使流过磁头的录音电流在6.3千赫时相对于参考频率(315赫)提升了10dB~20dB(提升量大小,视磁头、磁带等实际情况而定),其斜率为6dB/倍频程。
放音时,磁带匀速通过放音磁头。在磁头线圈中感应的电势e=-n\(\frac{dφ}{dt}\),φ——耦合到放音磁头内的磁通量,t——时间,n——磁头线圈圈数,dφ;dt——磁通变化率。如果磁带上的信号剩磁能全部耦合到放音磁头上,那么磁—电转换的频率特性就是一条6dB/倍频程的曲线,如图5的虚线。但由于存在着各种高频损失,实际曲线如实线所示。



为了使放音得到平坦的频响曲线,必须使放音放大器具有与放音磁头感应电势频响互相补偿的频率特性。图6是放音补偿特性。放音放大器的低频补偿一般可分为分压式和负反馈式。盒式机多采用负反馈式电路。图7中的R\(_{6}\)、R7、C\(_{6}\)所组成的负反馈网络就是其中常用的一种。BG2的输出电压通过反馈网络反馈到BG\(_{1}\)的发射极。当频率很低时,容抗XC很大,它与R\(_{7}\)的并联阻抗接近R7。此时反馈系数F\(_{反}\)≈R4/(R\(_{7}\)+R6+R\(_{4}\))。两级总增益Kf≈K\(_{0}\)/(1+K0F\(_{反}\))。K0—无反馈时的两级增益系数。当频率增高时X\(_{C}\)变小,当频率很高时,它与R7的并联阻抗就很小,可以忽略。此时,反馈系数F\(_{反}\)≈R4/(R\(_{6}\)+R4),F\(_{反}\)增大,使Kf减小,这样便实现了低频频率补偿的目的,如图8(a)(b)所示。
有些普及型盒式磁带录音机在放音时也对高频进行少量补偿。补偿的办法见图7,用一电容C\(_{3}\)与磁头并联。根据磁头电感量大小选取电容C3的数值,使其谐振频率高于频率范围的高端。这种补偿高频的方法既经济又方便,所以被广泛地用在普及型盒式磁带录音机上。
输出电路 普及型盒式磁带录音机的输出功率一般是0.5瓦~1瓦,所使用的功率放大器与一般晶体管收音机的功率放大器基本相同。只是功率放大器在录音状态时是录音磁头的信号源。
功率放大电路常用带输出变压器的乙类推挽输出功率放大器或无输出变压器的OTL电路,可参考一般晶体管收音机的功率放大器。有时为了得到尽可能大的功率还采用自耦变压器的输出电路,参见图9。

二、超音频振荡电路

目前国内普及型盒式录音机都是采用交流偏磁录音,直流抹音,因此超音振荡器多采用单管振荡电路。如果采用交流抹音就得用推挽振荡电路,否则功率不能满足要求。除此之外,还要求超音频振荡器的失真要小(不大于1%),频率和幅度的稳定性要好,振荡频率应在音频频率高端5倍以上(一般取50KH\(_{Z}\)~100KHZ)。常用的超音振荡电路如图10(a)所示。这是一种电感反馈电路,容易起振,便于调节。等效电路见图10(b),BG\(_{9}\)的集电极c和发射极e之间接B1的1-2(经R\(_{4}\)0);基极b和发射极e之间接B1的2-3(经R\(_{4}\)0),由B1的4-5与C\(_{19}\)组成的谐振回路产生的振荡信号通过互感加在B1的2—3上,形成正反馈。另外选择合适的圈数比,就能满足振幅平衡条件。B\(_{1}\)的4—5与C19组成的回路,其谐振频率约为50千赫。由于具有很好的选频特性,能滤除高次谐波,所以减小了波形失真。图10(a)的R\(_{4}\)0有电流负反馈的作用,使振荡电路稳定;电位器W3用来调整BG\(_{9}\)的静态工作点,同时也控制了偏磁电流的大小。R38是偏置电阻,C\(_{21}\)是耦合电容,影响反馈量的大小。C20是高频旁路电容,减小高次谐波,从而减小失真。C\(_{22}\)是旁路电容,保证R40反馈通路。有些振荡电路如图10(c),为了保证振荡器工作稳定,不是通过调整振荡管的直流工作状态来改变偏磁电流的大小,而是在超音频振荡输出与磁头间串一个电位器2W\(_{1}\),调节电位器的阻值,可以控制偏磁电流。
三、压缩电路

压缩电路也称自动电平控制电路或自动增益控制电路,它的作用是防止录音时大信号失真。压缩电路的形式多种多样,但基本原理是一样的。图11是普及型盒式磁带录音机中常用的压缩电路。它是利用BG\(_{8}\)的集电极和发射极之间的阻抗变化达到自动电平控制的。录音输出信号经R29、R\(_{3}\)0分压馈到二极管BG11,整流后给C\(_{14}\)充电,并经R32加到BG\(_{8}\)基极上,用这个电压去调整BG8集电极与发射极之间呈现的阻抗值。BG\(_{8}\)相当于一个可调整的阻抗元件。当录音输入信号增大时,放大器输出也增大,加到BG8基极的直流电压也相应增大,I\(_{b}\)随之增大,因而c、e之间的管子内阻减小,它与R40并联之后的总阻抗也下降。由实测得知,当放大器输出电压由0V增加到1.5V时,这个并联总阻抗由8千欧下降到2千欧。此时BG\(_{1}\)的输出经过C15和上述并联总阻旁路到地的部分增大,从而使BG\(_{2}\)的输入电压下降,结果使放大器输出下降。由上可见输入电压增加到某一数值(如200毫伏)输出电压不再线性增长,从而达到了电平自动控制的作用。压缩的作用可用图12表示,实线是理想情况,虚线是实际情况。越接近实线,压缩作用越理想。在压缩范围之内,电路起控后,输出信号的变化率与输入信号的变化率之比称为压缩比。普及型盒式磁带录音机当输入电平增加30dB时,输出被压缩在10dB以内。压缩电路的起控时间与C14的充电时间常数有关,要求越短越好,以避免在强信号输入时失真。恢复时间,即强信号去掉后放大器增益恢复原状的时间。这个时间与C\(_{14}\)的放电时间常数有关,不能太短,否则放大器的杂音将增大。恢复时间太长也不好,因为由强信号变为弱信号时压缩动作跟不上,使弱信号也同时被压缩。一般恢复时间设计在数秒较合适。
以上着重分析了普及型盒式磁带录音机的主要电路。由于对电源电路没有什么特殊要求,这里不再赘述。(王荣椿)